Passenger rear window regulator diagram

Tiny
JOHNRC72
  • MEMBER
  • 2003 AUDI A4
  • 4 CYL
  • AUTOMATIC
  • 170,000 MILES
Can someone please provide me with a passenger rear window regulator wiring diagram for the car listed above?

Thanks,
Noob
Friday, September 8th, 2017 AT 3:30 PM

3 Replies

Tiny
KEN L
  • MASTER CERTIFIED MECHANIC
  • 55,297 POSTS
Yes, I have found a guide and will give you an idea on what you are in for when doing the job and a diagram (below) that shows what it will be like on your car.

https://www.2carpros.com/articles/how-to-check-and-replace-a-electric-power-window-motor

Please let us know if you need anything else to get the problem fixed.

Cheers, Ken
Was this
answer
helpful?
Yes
No
Saturday, September 9th, 2017 AT 5:30 PM
Tiny
JOHNRC72
  • MEMBER
  • 2 POSTS
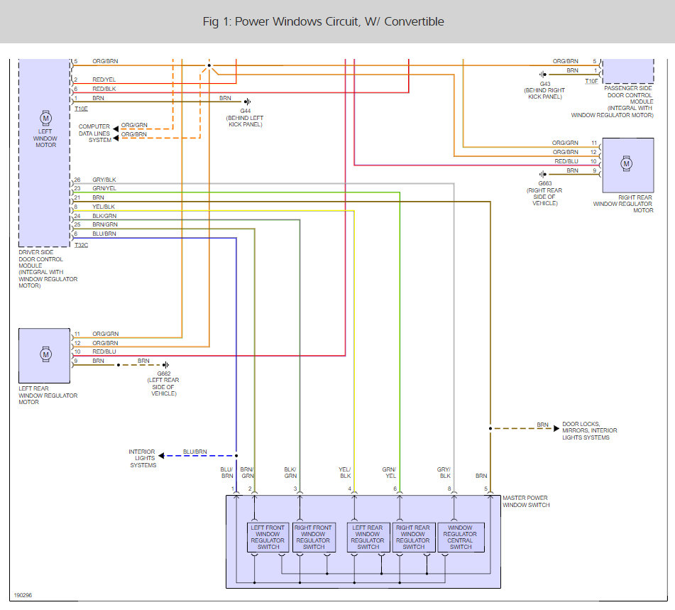
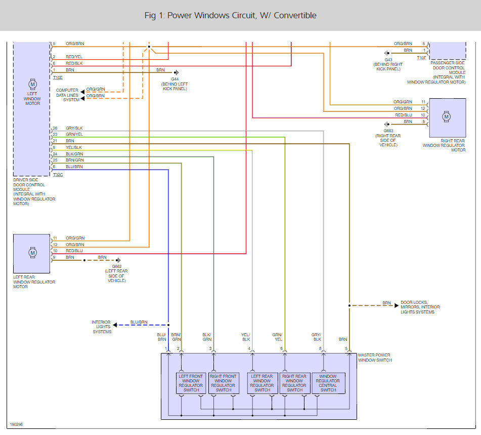
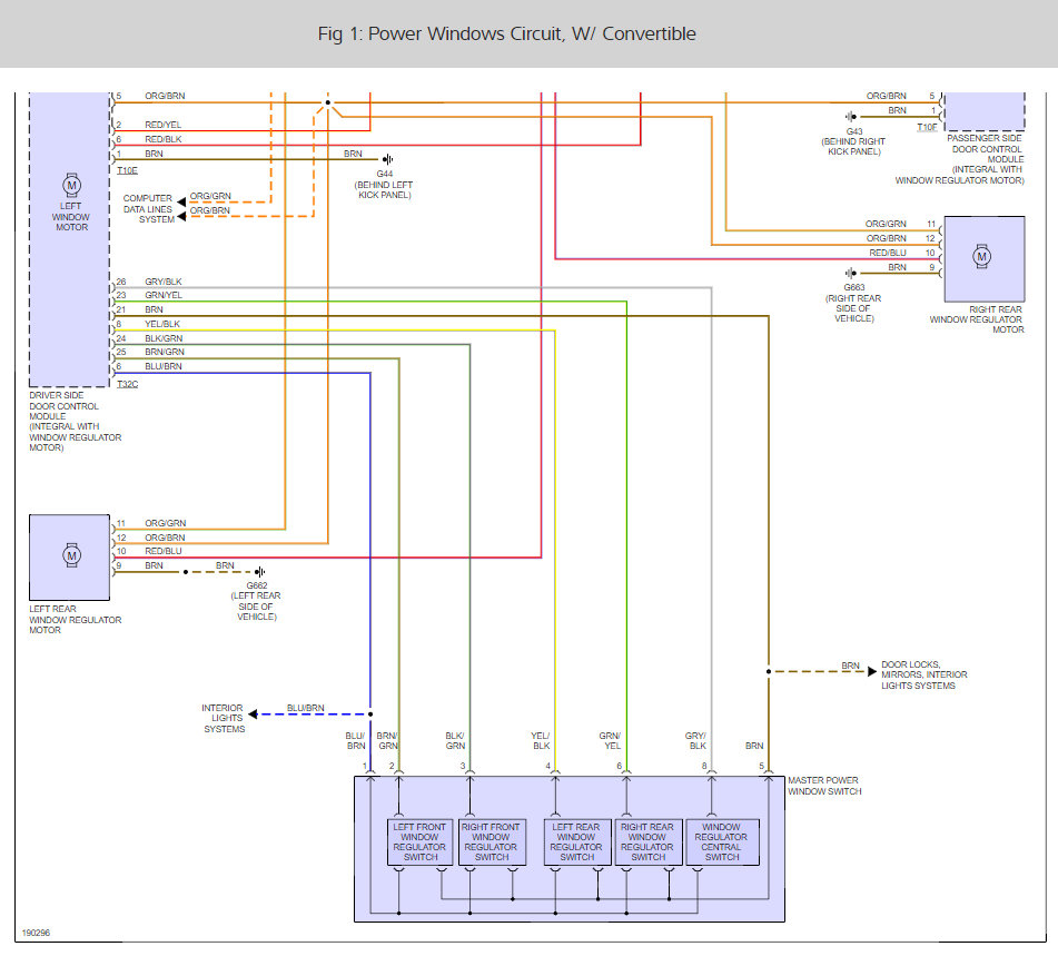
Thanks Ken, but I really only need the wiring diagram showing each wire color and purpose. I have a cut harness.
Was this
answer
helpful?
Yes
No
Saturday, September 9th, 2017 AT 6:00 PM
Tiny
KEN L
  • MASTER CERTIFIED MECHANIC
  • 55,297 POSTS
Yep got you covered, here are the window wiring diagrams you asked for. (Below)

Please let us know if you need anything else to get the problem fixed.

Cheers, Ken
Was this
answer
helpful?
Yes
No
+2
Monday, September 11th, 2017 AT 9:07 AM

Please login or register to post a reply.