Need Pinout diagram for HVAC control module

Tiny
SHADOW007
  • MEMBER
  • 2001 CHEVROLET TAHOE
  • 100,000 MILES
Need pinout diagram for HVAC control module that controls on/off and vent selection.
Friday, February 1st, 2019 AT 12:33 PM

7 Replies

Tiny
ASEMASTER6371
  • MECHANIC
  • 52,796 POSTS
Good evening,

I attached the pin out for the connector.

Roy
Was this
answer
helpful?
Yes
No
Friday, February 1st, 2019 AT 3:39 PM
Tiny
SHADOW007
  • MEMBER
  • 4 POSTS
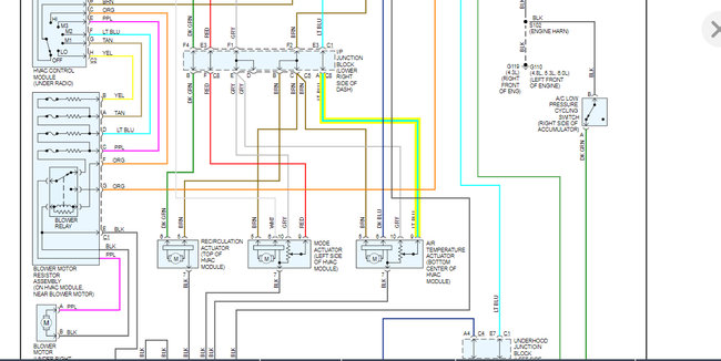
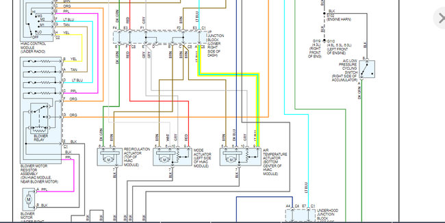
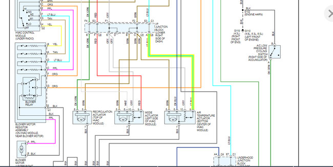
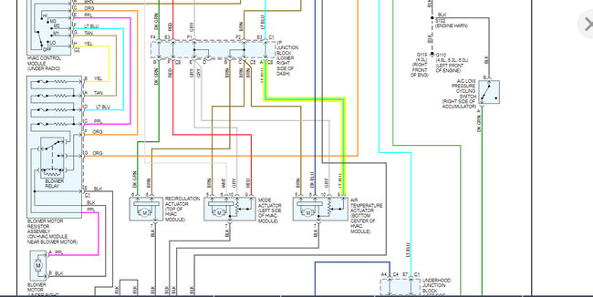
Hi Roy, the pinout that is attached is the one on the left side of the module. I am looking for the one on the right side. It has two rows of 6 pins in it.
Was this
answer
helpful?
Yes
No
Friday, February 1st, 2019 AT 7:49 PM
Tiny
ASEMASTER6371
  • MECHANIC
  • 52,796 POSTS
Good morning,

Lets try this one.

Roy
Was this
answer
helpful?
Yes
No
+1
Saturday, February 2nd, 2019 AT 3:59 AM
Tiny
SHADOW007
  • MEMBER
  • 4 POSTS
Thanks very much Roy. That one confirms that my wiring is correct. Now I need to figure out why my AC compressor is not getting power. I put an LT4 and 8 speed in my SUV and they operate on stand alone computers (CANBUS). The old PCM in my SUV runs the AC but no longer has the inputs needed to send the correct signal to the compressor so I have had to wire up relays for the compressor and the fan separately. Currently have the compressor relay wired with battery 12 volts to pin 30, AC signal from the HVAC control module to pin 86 with ground off pin 85 and wire off pin 87 through the cycling switch to the one wire compressor but no power. The cycling switch is new and the system is charged so that the switch is closed. Will be checking to see if compressor is actually grounded off the chassis correctly later today. Not sure what else to check since everything seems wired correctly.
Was this
answer
helpful?
Yes
No
Saturday, February 2nd, 2019 AT 8:23 AM
Tiny
ASEMASTER6371
  • MECHANIC
  • 52,796 POSTS
Power to the switches comes from the PCM. It looks for the return signal to ground the relay.

Roy
Was this
answer
helpful?
Yes
No
Saturday, February 2nd, 2019 AT 8:33 AM
Tiny
SHADOW007
  • MEMBER
  • 4 POSTS
Hi Roy, I think I found the problem. According to the AC wiring diagram the AC fuse is supposed to be hot at all times and it does not have any power across it at all. Cannot find the pin on the C2 connector that supplies power to this fuse. Any thoughts?
Was this
answer
helpful?
Yes
No
Monday, February 4th, 2019 AT 1:50 PM
Tiny
ASEMASTER6371
  • MECHANIC
  • 52,796 POSTS
Okay, if that is the only fuse with no power then you have a bad fuse box. The feed is a common bus for all fuses with battery power. If it was the connector, all the battery fed fuses would be dead and you would have a boatload of things that do not work.

Roy
Was this
answer
helpful?
Yes
No
Monday, February 4th, 2019 AT 2:03 PM

Please login or register to post a reply.