Need factory radio pinouts?

Tiny
SA0560
  • MEMBER
  • 2020 KIA SORENTO
  • 2.4L
  • 4 CYL
  • 2WD
  • AUTOMATIC
  • 69,000 MILES
I am looking to find the vehicle reverse + signal for install of an aftermarket stereo.

I was looking for the pinout of the factory radio to see if it was in that harness.
If not, I need the location of the reverse signal + that I can tap into.
Monday, May 5th, 2025 AT 3:44 AM

1 Reply

Tiny
KEN L
  • MASTER CERTIFIED MECHANIC
  • 55,420 POSTS
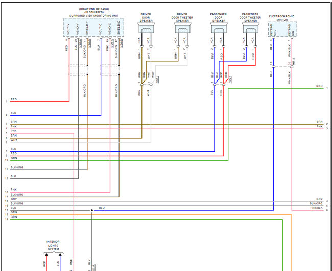
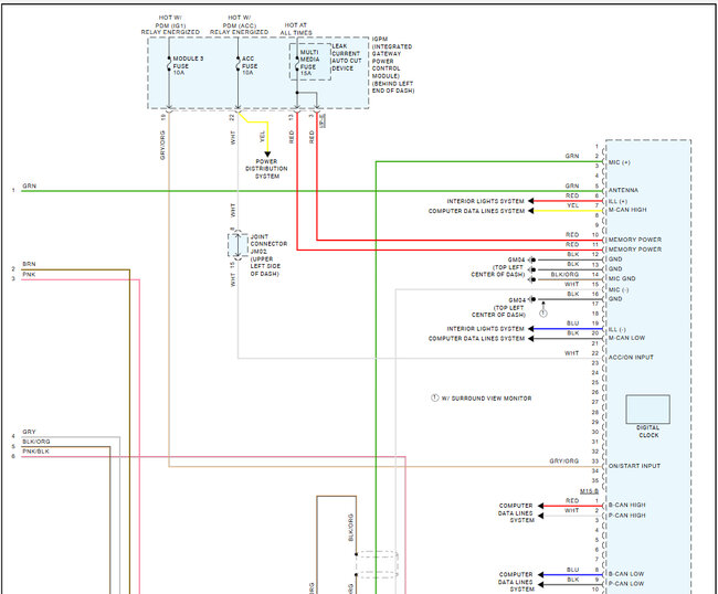
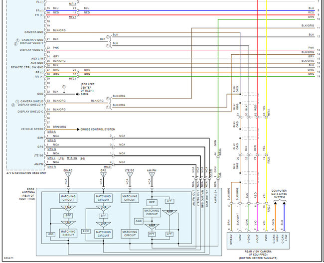
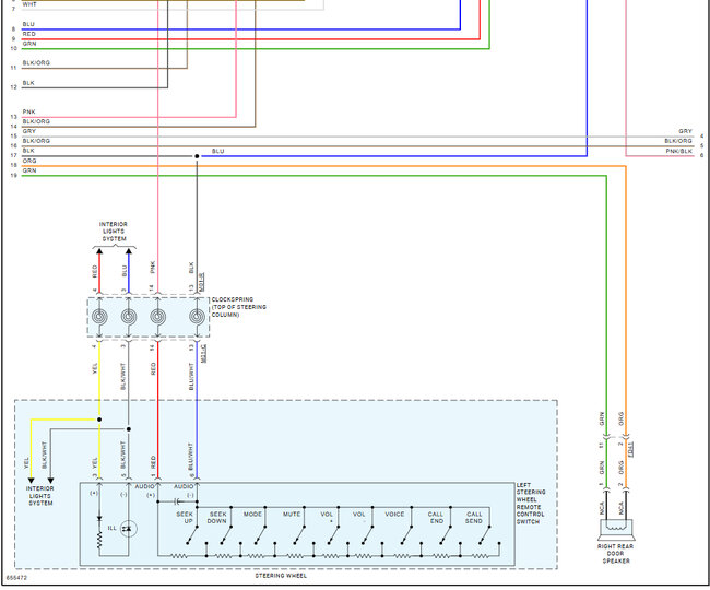
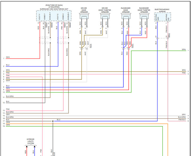
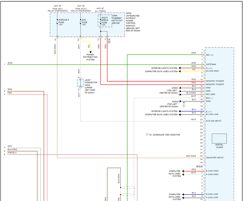
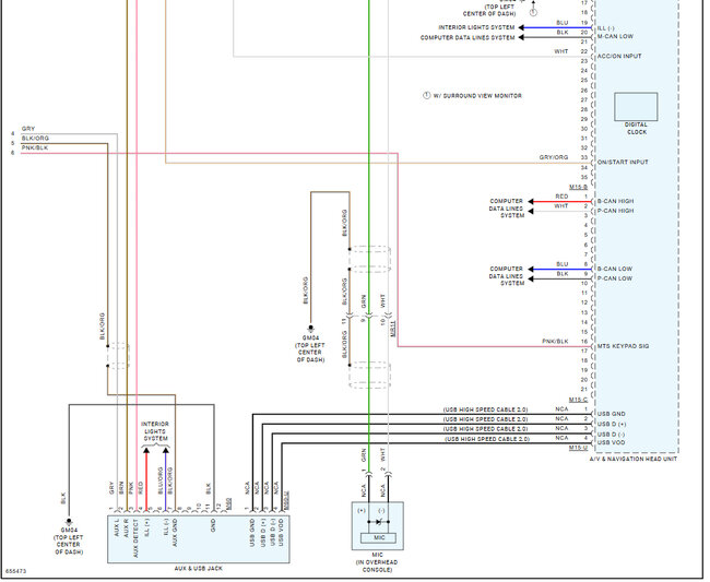
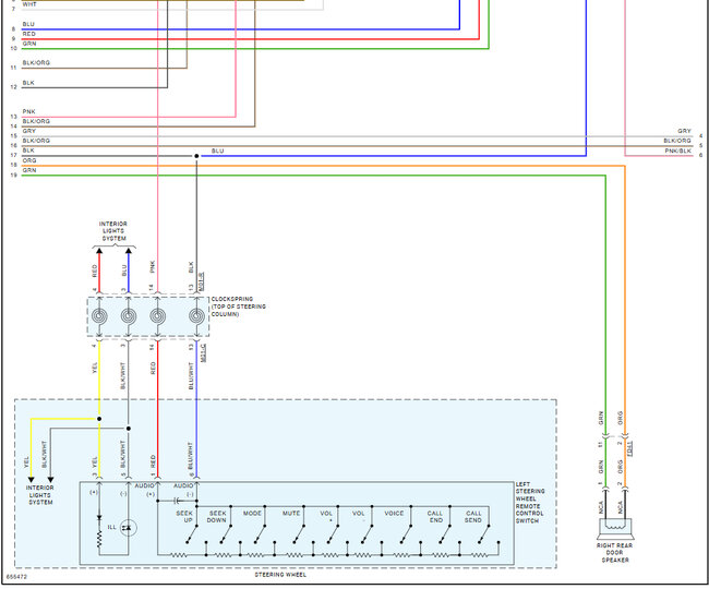
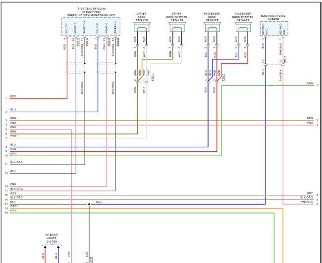
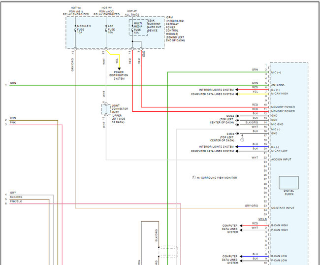
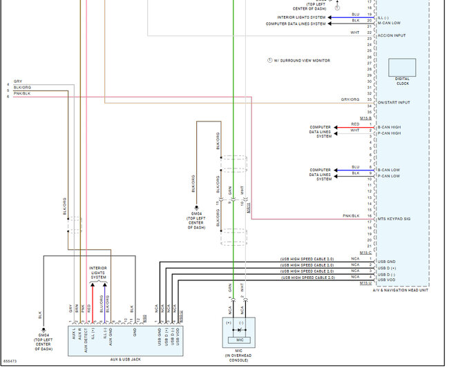
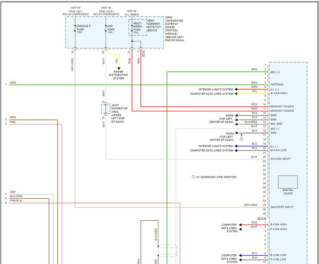
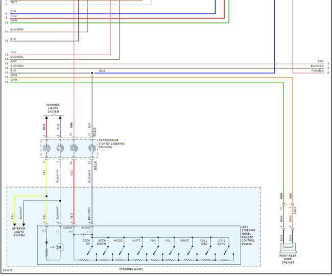
No Pinouts, only the radio wiring diagrams is all we have for this car. Check out the images (below). Let us know if you need anything else.
Was this
answer
helpful?
Yes
No
+1
Monday, May 5th, 2025 AT 10:21 AM

Please login or register to post a reply.