Friday, June 7th, 2013 AT 7:53 PM
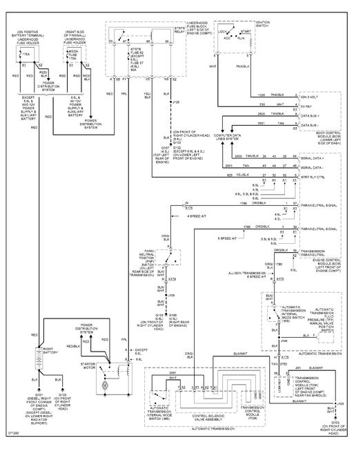
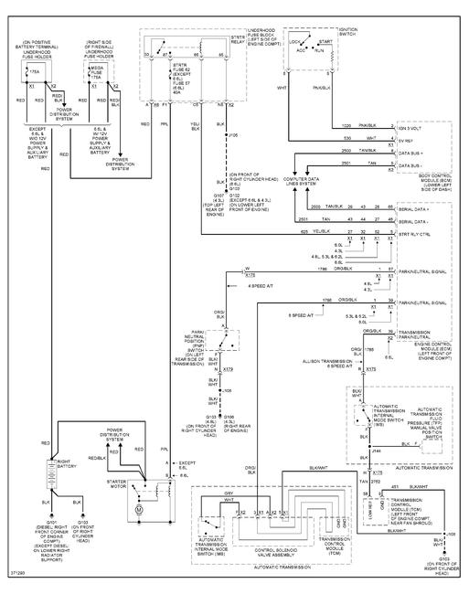
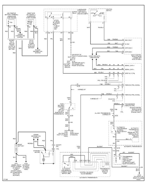
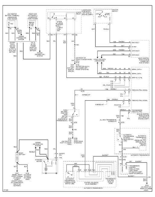
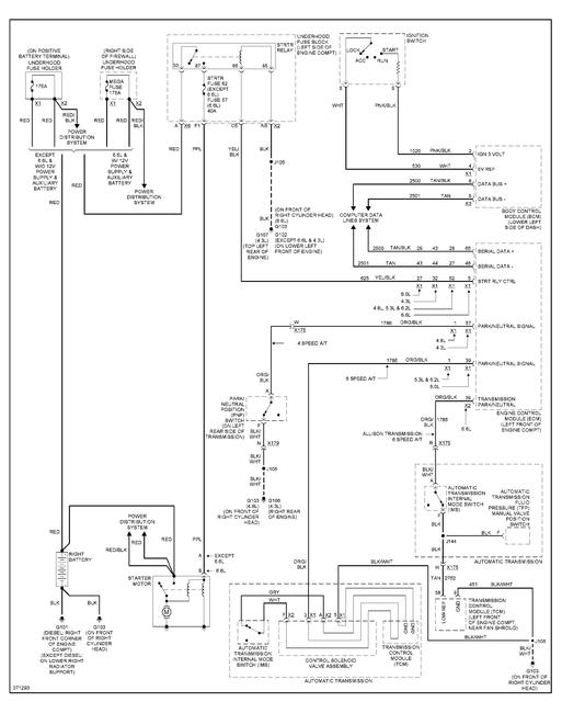
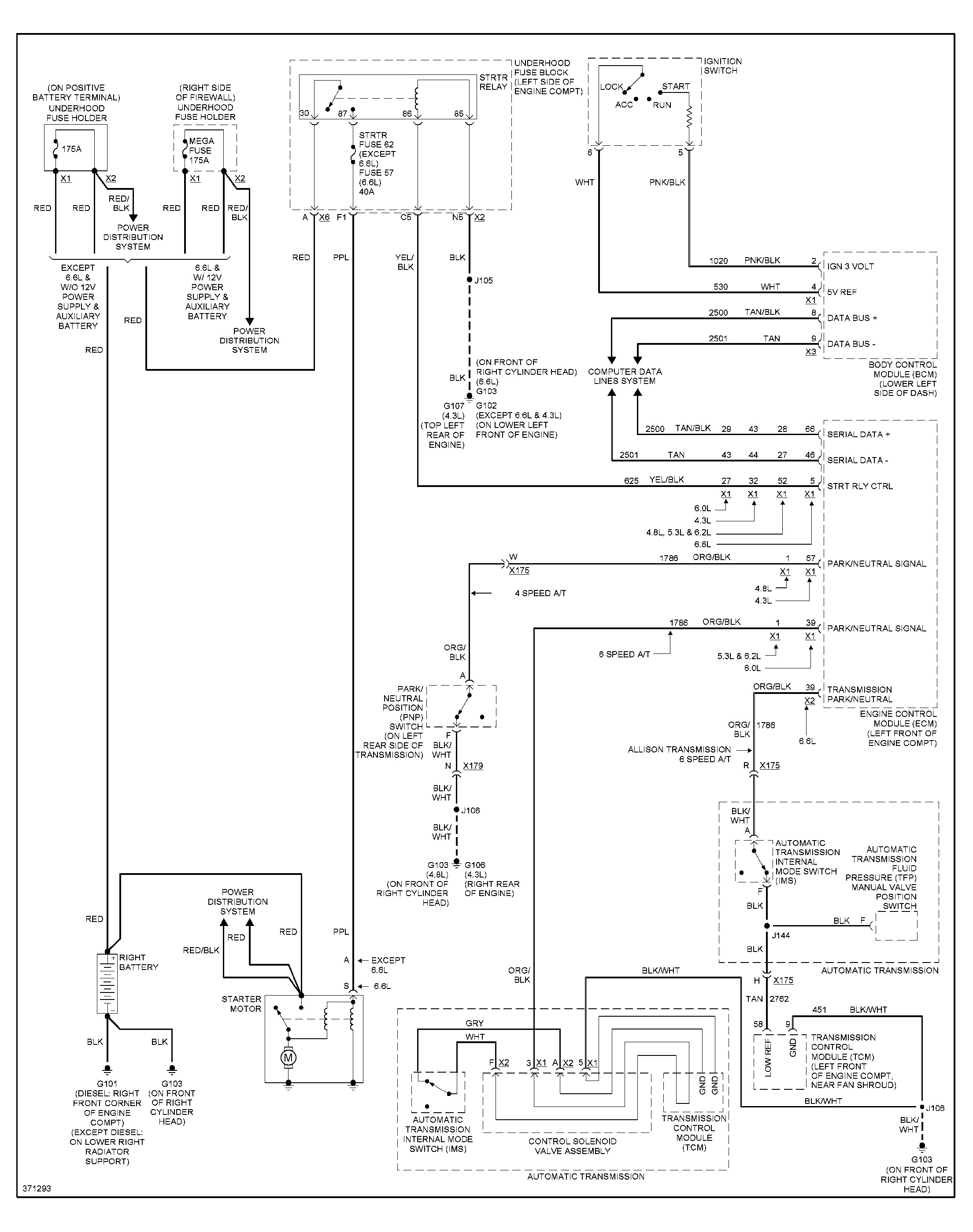
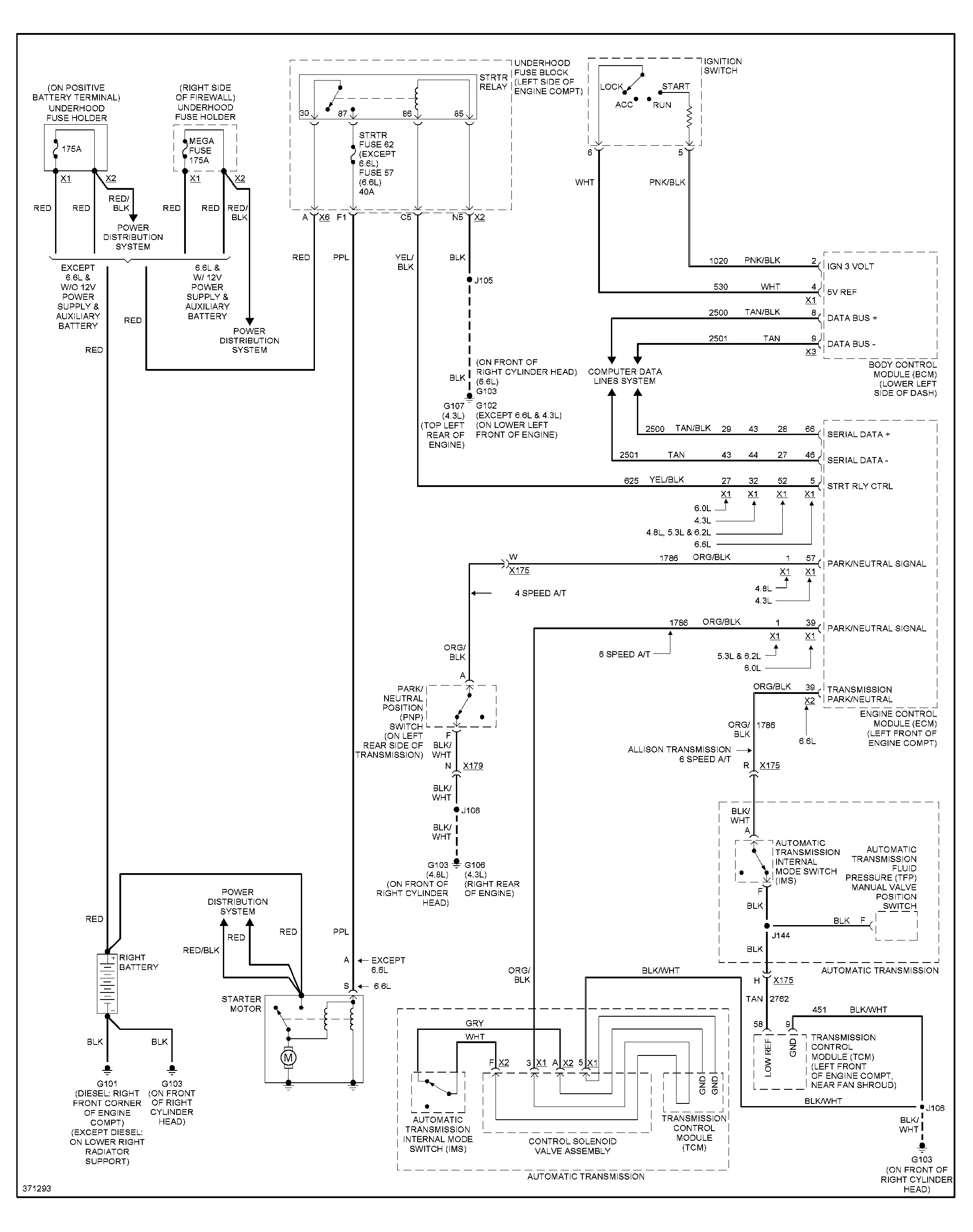
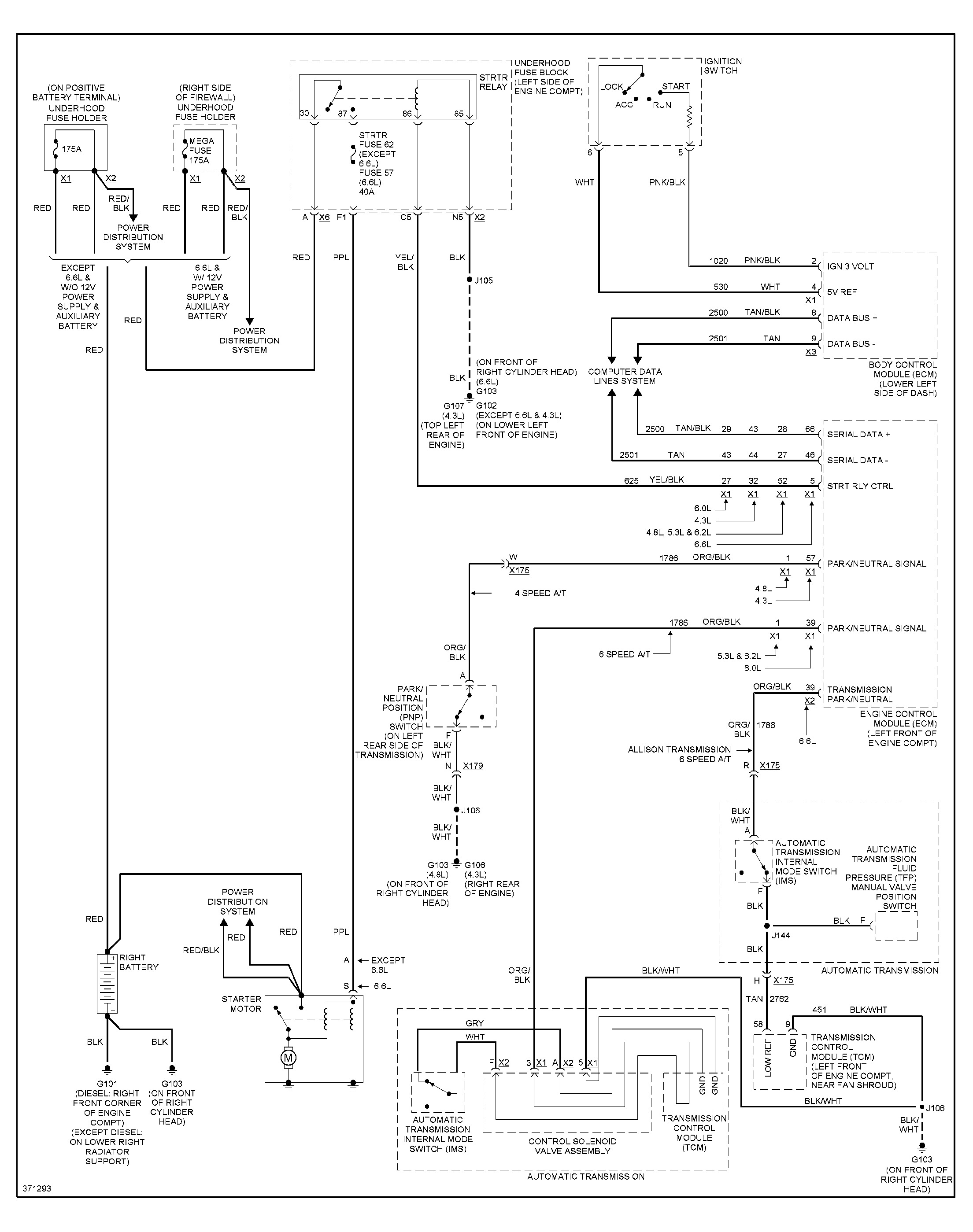
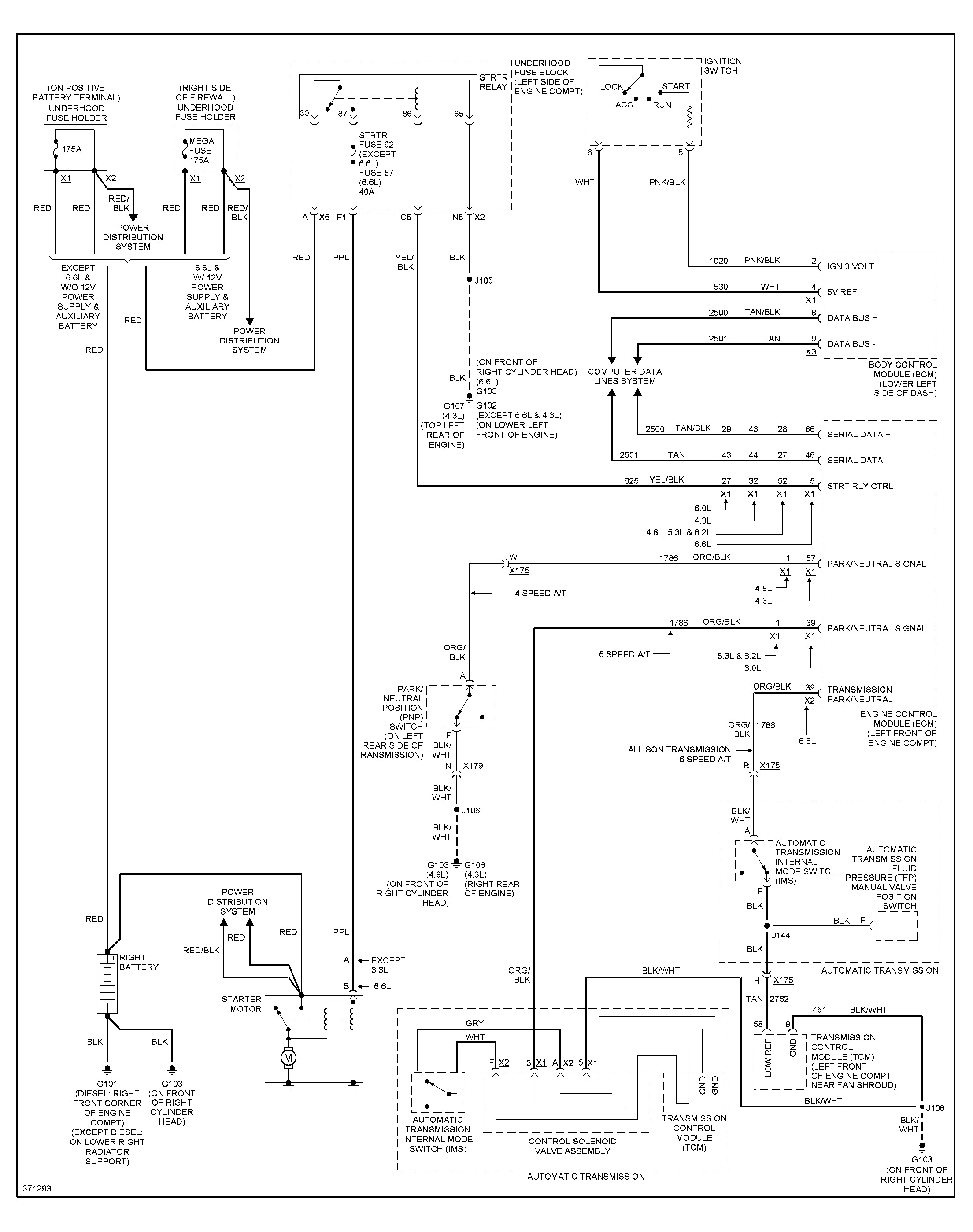
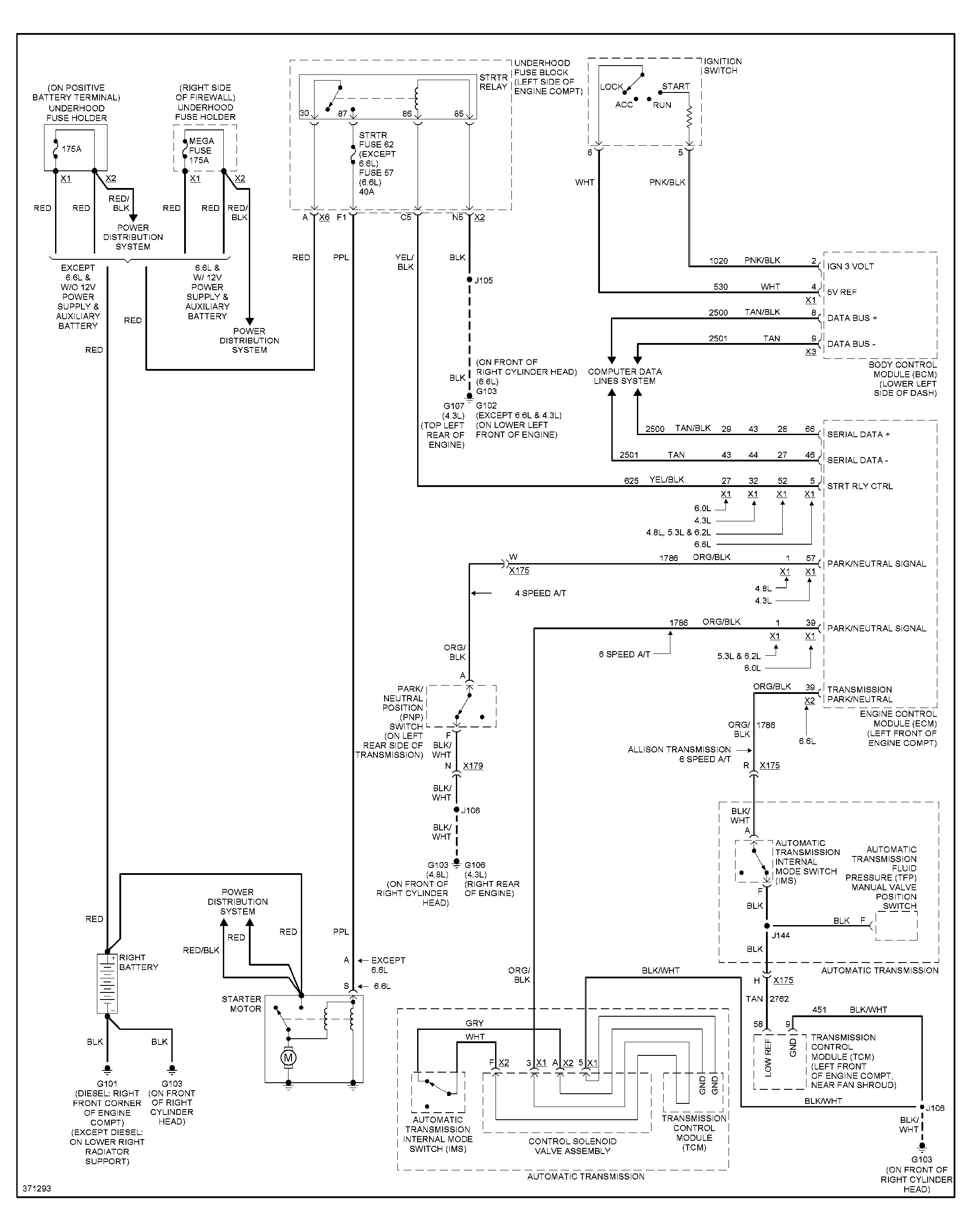
I need to know what two wires I tap into to finish the installation of an aftermarket complete kit that I purchased. Unfortunatly the kit does not tell you the color of the wires coming off the ignition keyswitch to use. The kit was easy to install but without knowing what color of wires to tap into its useless. Any help would be appreciated.









