HOME
ASK A QUESTION
REPAIR GUIDES
BECOME A MEMBER
LOG IN
Login with Facebook
OR
Remember me
NOT A MEMBER?
FORGOT PASSWORD?
CONTACT US
PRIVACY POLICY
TERMS AND CONDITIONS
☰
Home
Chevrolet
1500
General
Necesito EL diagrama de las lámparas de cortesía de mi camioneta Chevy C1500 1996
MIKE1500
MEMBER
1996 CHEVROLET 1500
4.3L
V6
2WD
MANUAL
150,000 MILES
Perdí la conexión de los cables en cuestión de que ya no prenden
Wednesday, January 22nd, 2025 AT 8:35 PM
3 Replies
KEN L
MASTER CERTIFIED MECHANIC
54,610 POSTS
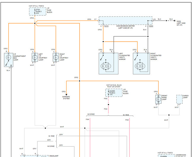
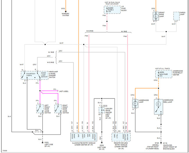
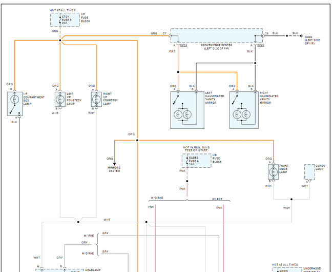
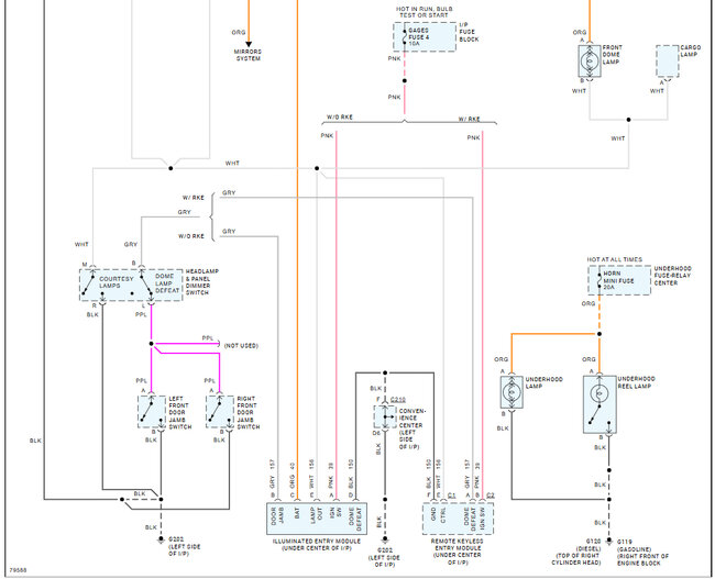
No hay problema, aqui lo tienes y he incluido una guia para ayudarte a verificar la energia.
https://www.2carpros.com/articles/how-to-use-a-test-light-circuit-tester
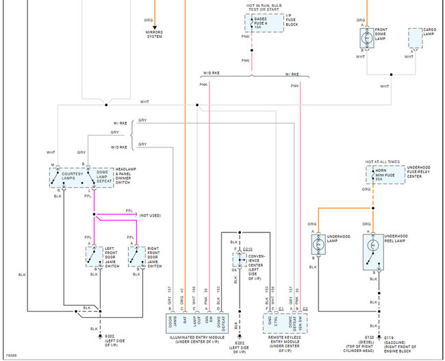
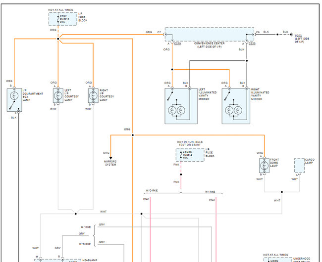
Comience con el fusible CTSY en el panel de fusibles dentro del camion. Mira las imagenes (abajo). Por favor, haganos saber que sucede.
Images (Click to make bigger)
Was this
answer
helpful?
Yes
No
+1
Thursday, January 23rd, 2025 AT 12:57 PM
MIKE1500
MEMBER
6 POSTS
Thank you very much, you saved my life!
Was this
answer
helpful?
Yes
No
Thursday, January 23rd, 2025 AT 6:55 PM
KEN L
MASTER CERTIFIED MECHANIC
54,610 POSTS
Glad we can be of help :)
Was this
answer
helpful?
Yes
No
+1
Friday, January 24th, 2025 AT 9:39 AM
Please
login
or
register
to post a reply.
Related General Content
GUIDE
Inquire Here
Ask a Car Question. It's Free!
Rebuilt or Refurbished?
Car Maintenance and Service Procedures
Ten Questions to Ask a Repair Shop