Thursday, April 26th, 2018 AT 11:00 AM
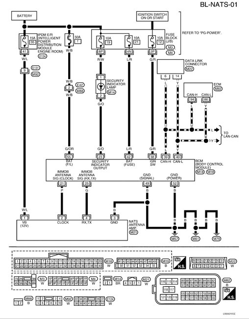
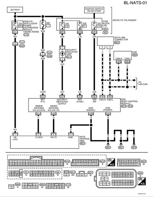
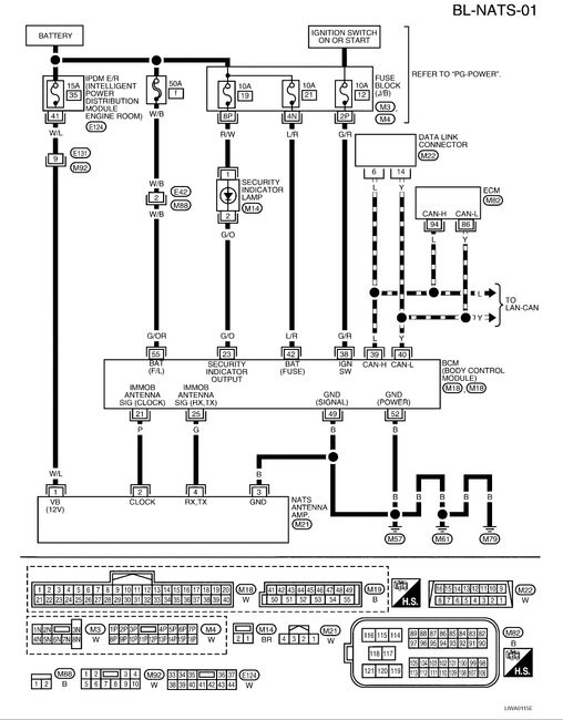
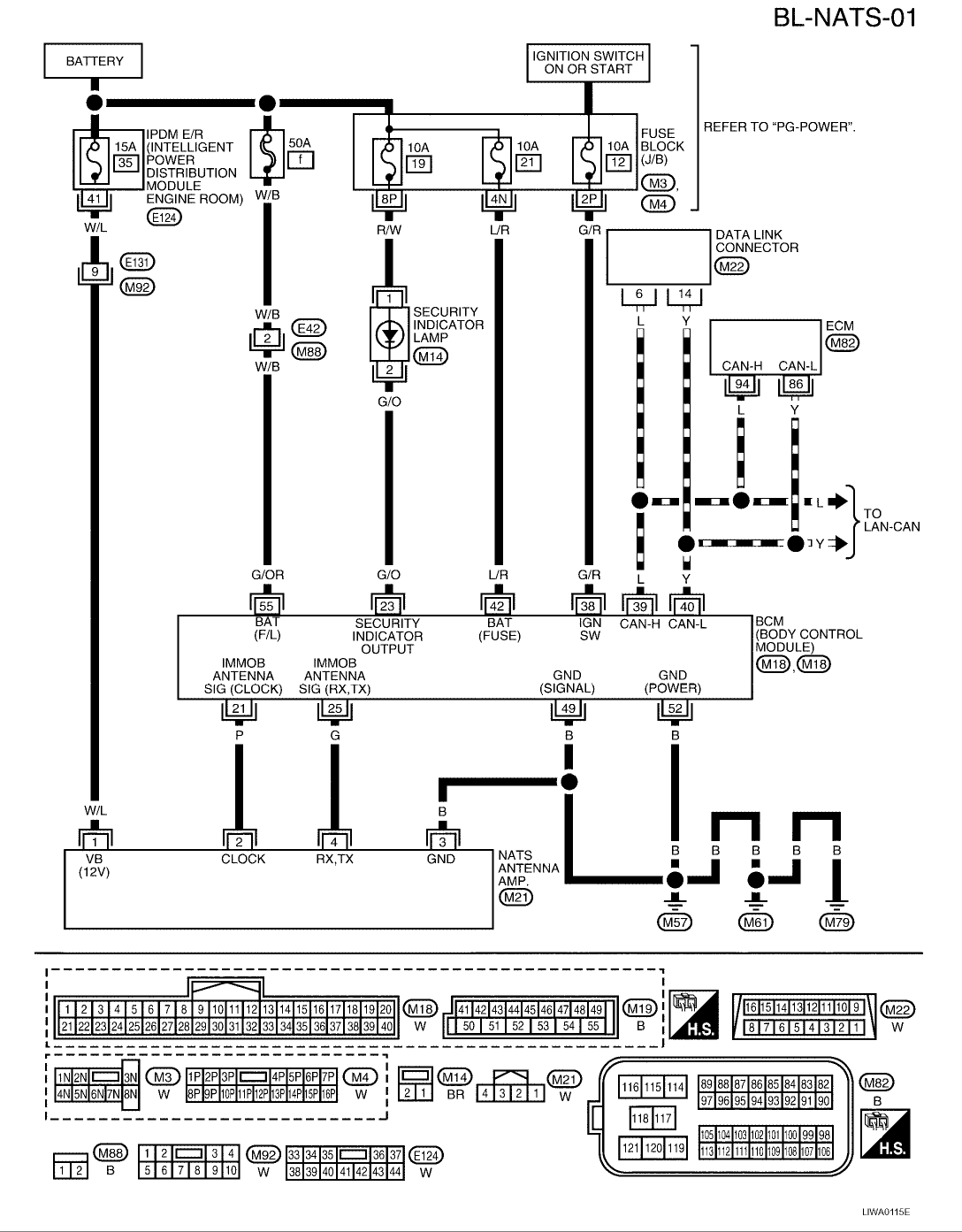
Need I say more? Seems like a lot of people have my problem. Codes p1610 and p1614. But now neither my scan tool or my Datascan2 will connect to the ECM. It will not even try to start. I know I need to go through the security wires, but I cannot find a good diagram. I would rather have a list of what hooks up to what if you have one is really appreciate it. Two dealerships stumped and now I am out of money so I am doing this myself with my step dad who used to be a mechanic for older cars so this security things unknown to is both. I have replaced the BCM, IMMU ring/NATS antenna, and keys. Please help.


