Monday, July 31st, 2023 AT 1:59 PM
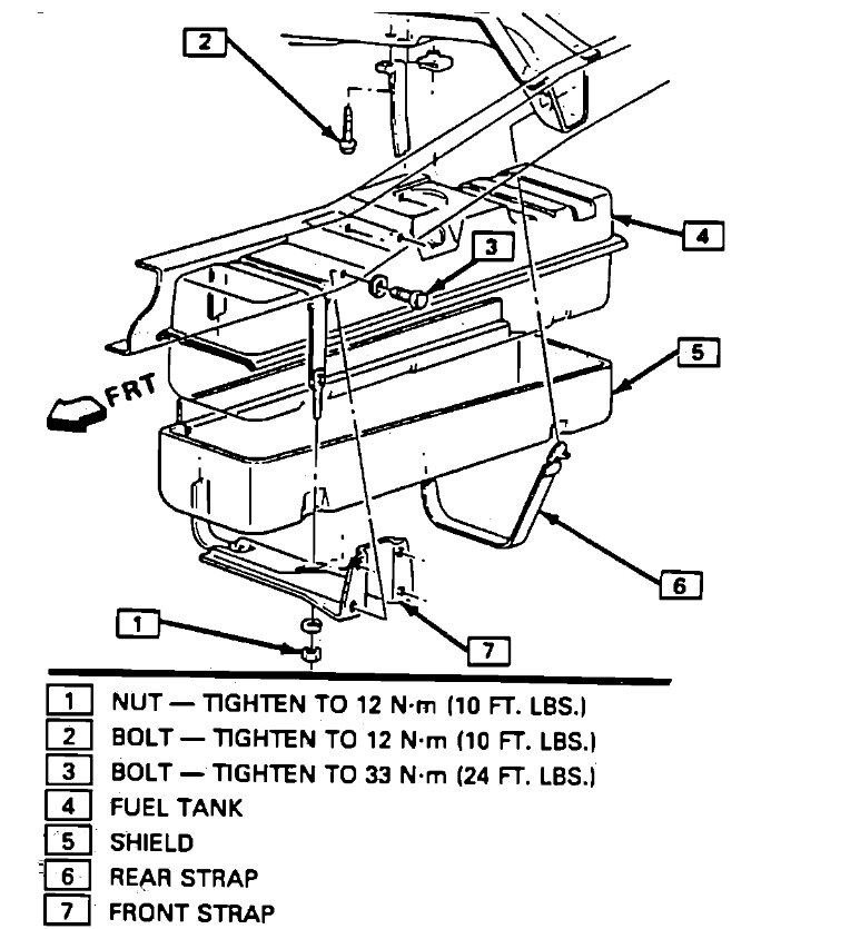
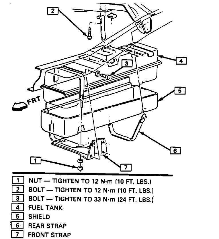
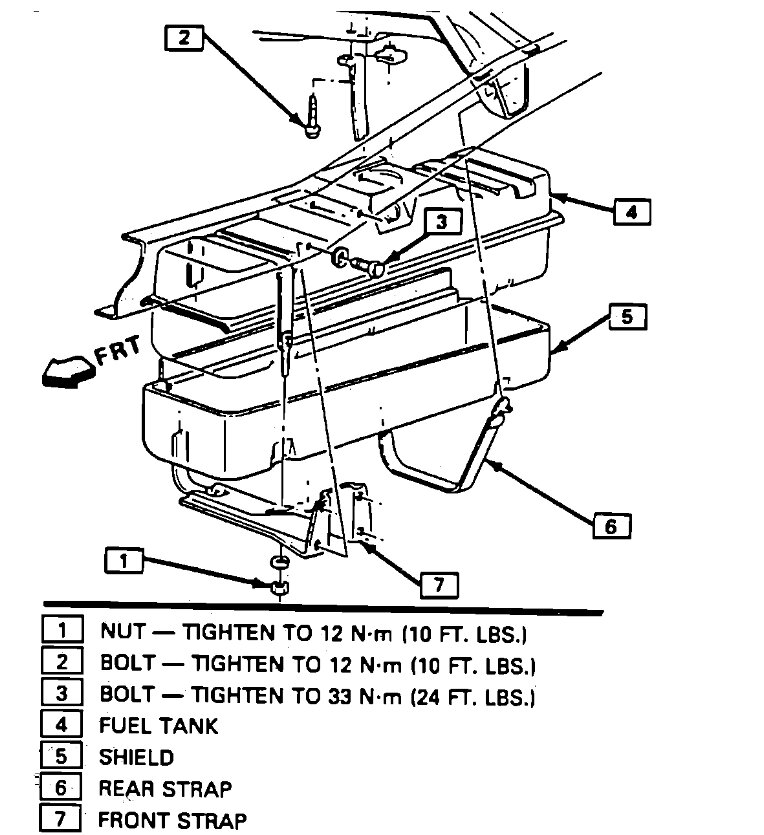
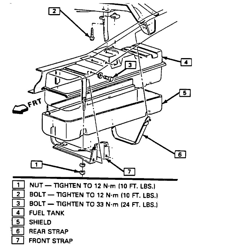
I was out at our farm and was driving back to our driveway and I went through some area we were grading and I hit a very large bump that I did not foresee, my truck just conked out right there. I towed it back to the house and I have done a number of tests but I still can't get it started. I recently replaced the cap and rotor, it has a new transmission, the plugs are new, the plug wires are new, and the fuel and oil filters are new. I know it is getting air, and I watched, and it is getting fuel in what looks like the normal amount when I crank it over. I pulled a plug wire and I am getting spark. What else should I do?






