My radio lights up but screen is blank

Tiny
TREVOR SIMPSON
  • MEMBER
  • 2002 MAZDA PROTEGE
  • 2.0L
  • 4 CYL
  • 2WD
  • AUTOMATIC
  • 130,000 MILES
Put in a new room fuse in the cab fuse box and radio lit up accepts CD's but will not play CD, radio, nothing. Please help.
Saturday, May 26th, 2018 AT 9:40 PM

1 Reply

Tiny
KEN L
  • MASTER CERTIFIED MECHANIC
  • 55,535 POSTS
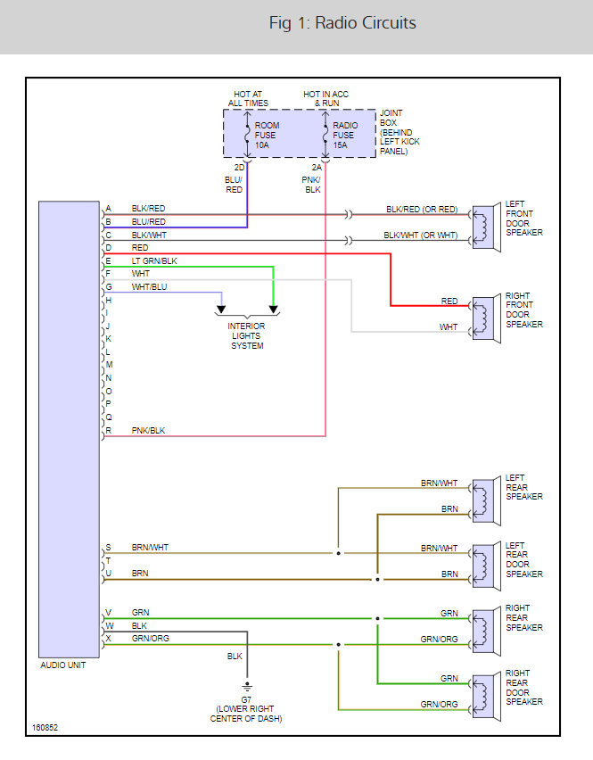
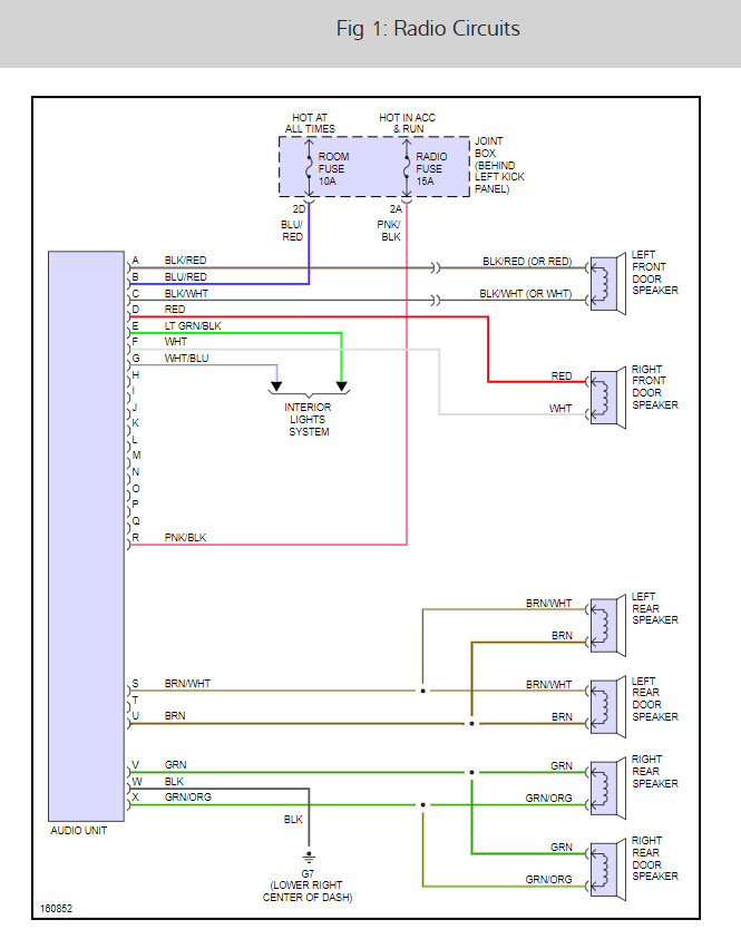
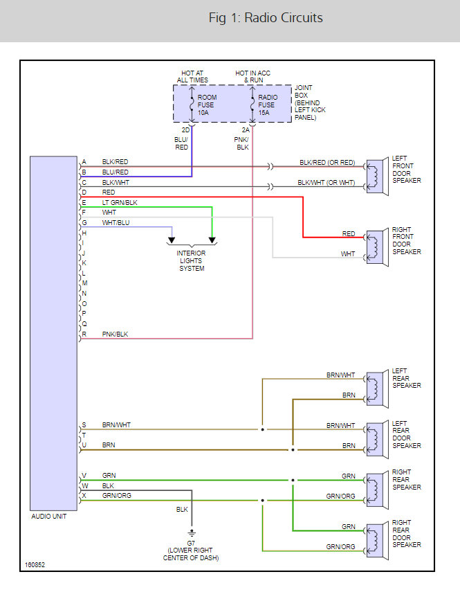
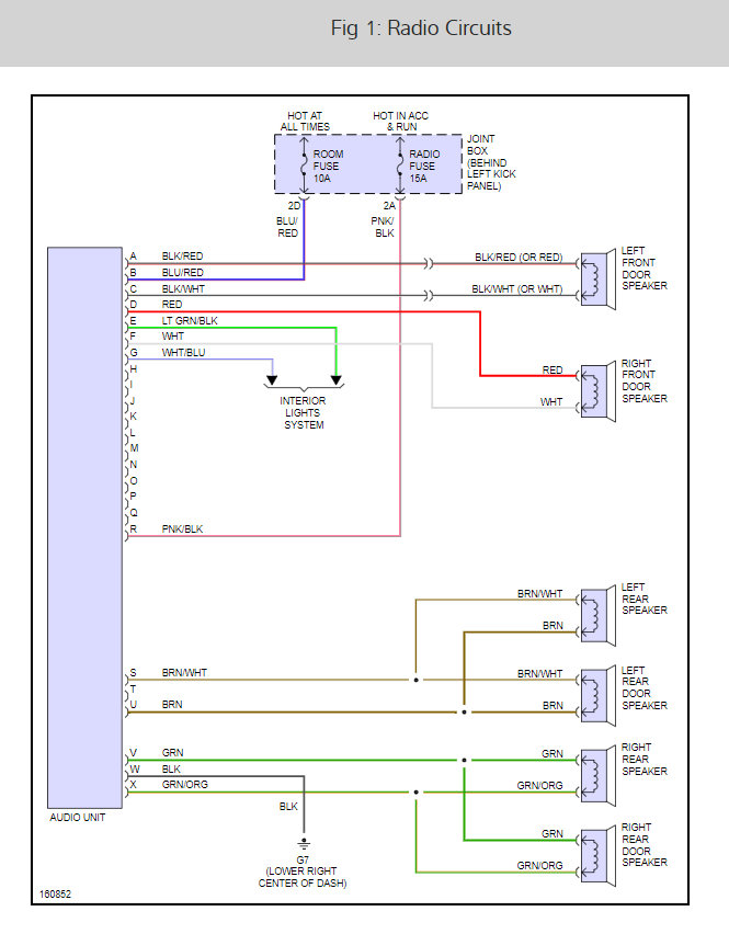
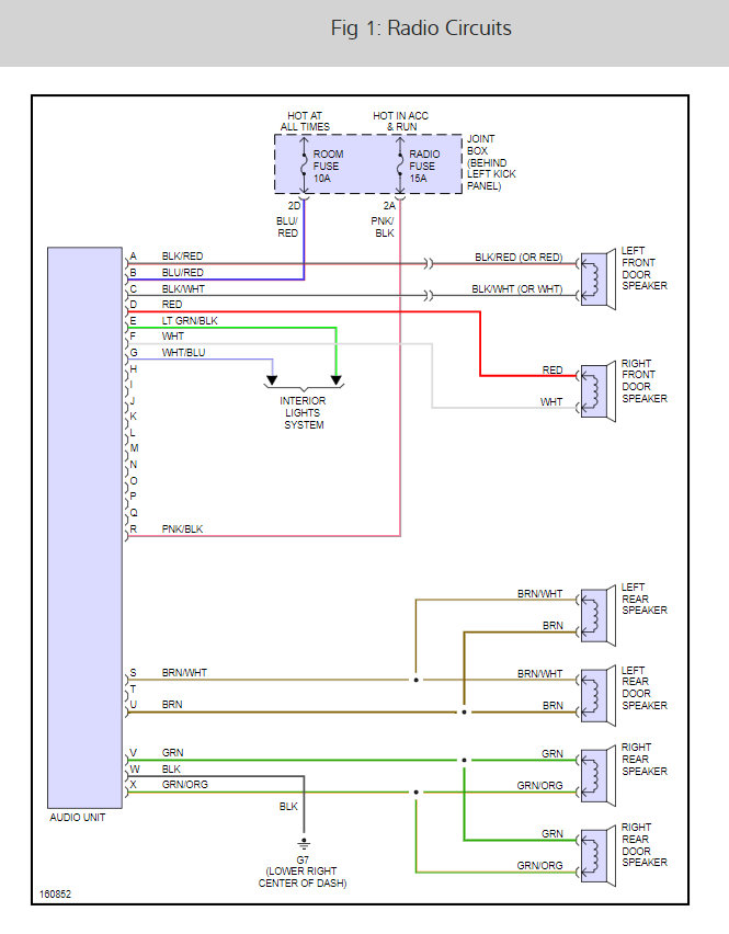
It sounds like the radio has gone out but to be sure lets check the power and grounds. Here is a guide and the wiring diagrams for the radio so you can confirm the failure:

https://www.2carpros.com/articles/how-to-use-a-test-light-circuit-tester

Check out the diagrams (below). Please let us know what happens.

Cheers, Ken
Was this
answer
helpful?
Yes
No
Monday, May 28th, 2018 AT 11:02 AM

Please login or register to post a reply.