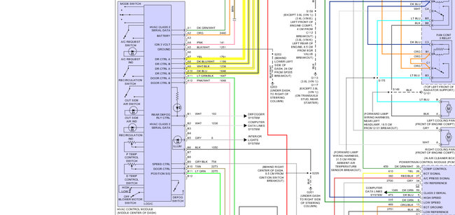
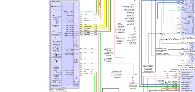
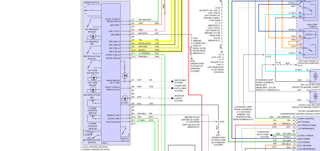
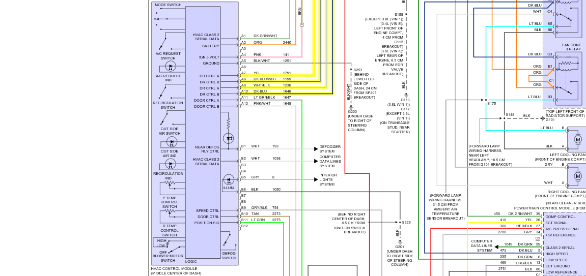
Hello. This is my car's VIN number (VIN: 2G1WW12E959280935). today I was driving and was bored at a stop light. I noticed that despite both the driver and passenger temperature slides being on maximum heat only the passenger got heat (drivers side remained cold)
Would this be a fuse problem or something similar?
Would this be a fuse problem or something similar?
Oct 19, 2016 at 3:53 PM

