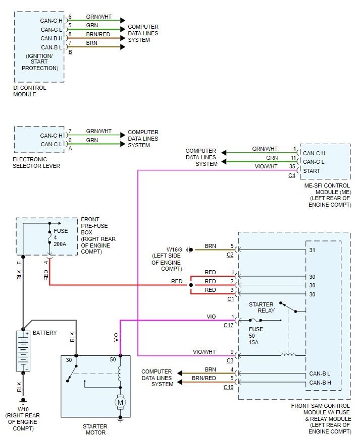
Wednesday, October 23rd, 2019 AT 1:13 PM
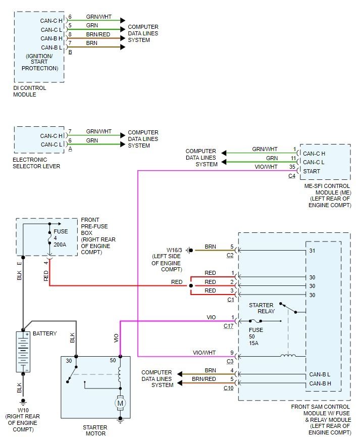
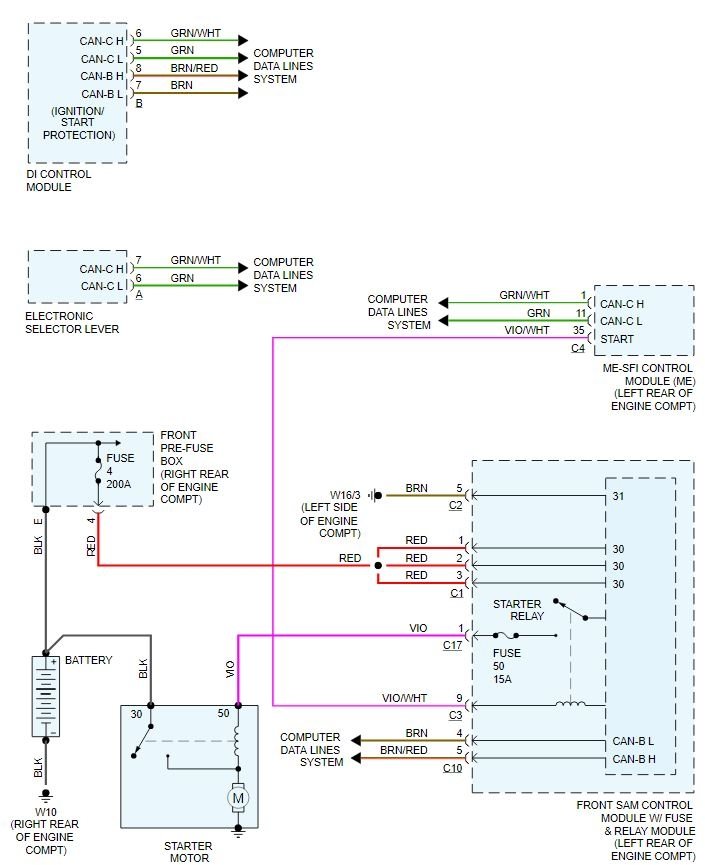
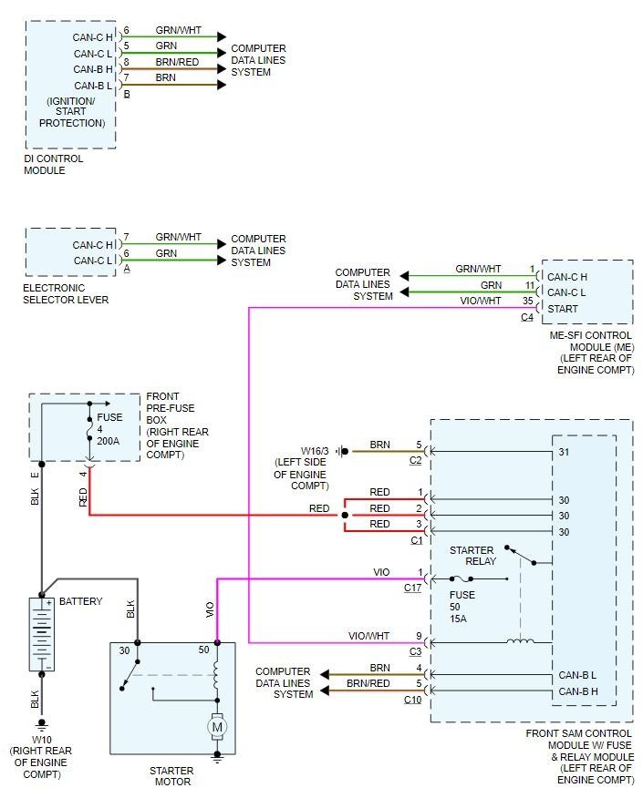
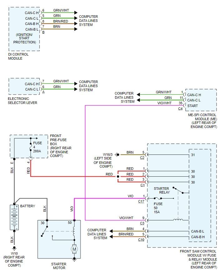
It mostly happens when the temperature is really hot outside. I turn the key and nothing happens. The battery is fine. I pulled the pilot bushing out and replaced the seals on it since the plug going inside had a little oil on it. I checked the TCU which is behind the metal plate under the passenger side floor carpet. No oil or water damage it looks brand new still. I have already checked all fuses multiple times and all fuses are good. I've run many different full scans on the car and it never shows any codes for the transmission. Only codes after scanning the motor. The security system is okay also. I drove it all morning a couple different times around town everything was fine. I went to get in it earlier and it started up fine took off and shifted fine about a mile down the road I lost the speedometer and the LCD dash display everything showed - - - and didn't get any readout on anything. It also got stuck in third gear or maybe second I couldn't tell. This has happened several different times. When I stop the car and turn it off and try to start it will never start again. Sometimes I can let it sit overnight and not touch it and it will start again the next morning sometimes it won't. I don't know what to try next.













