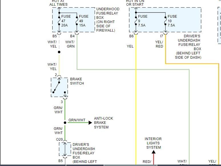
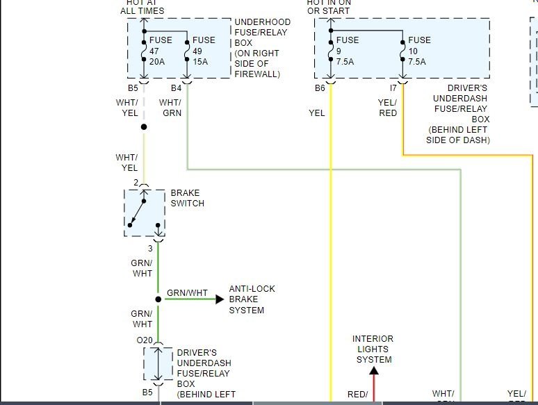
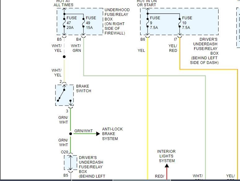
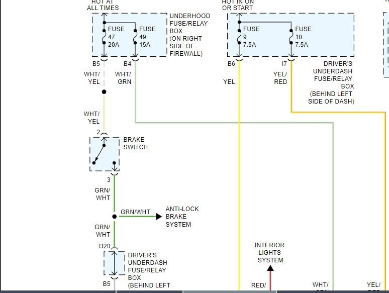
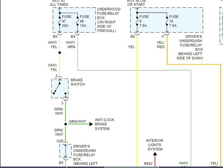
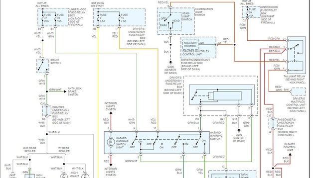
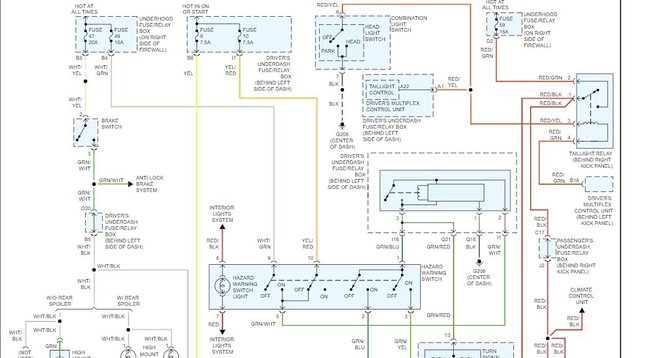
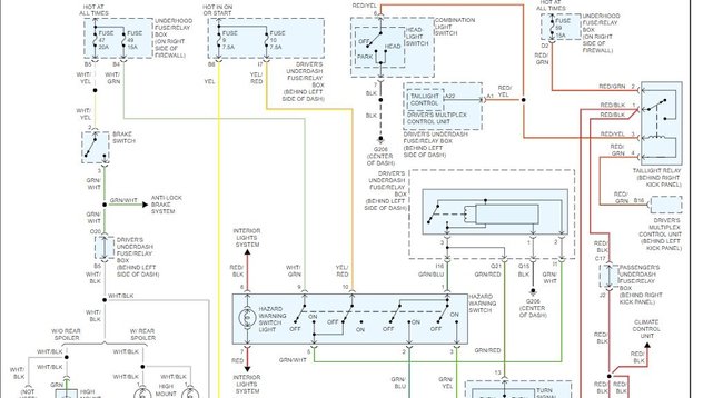
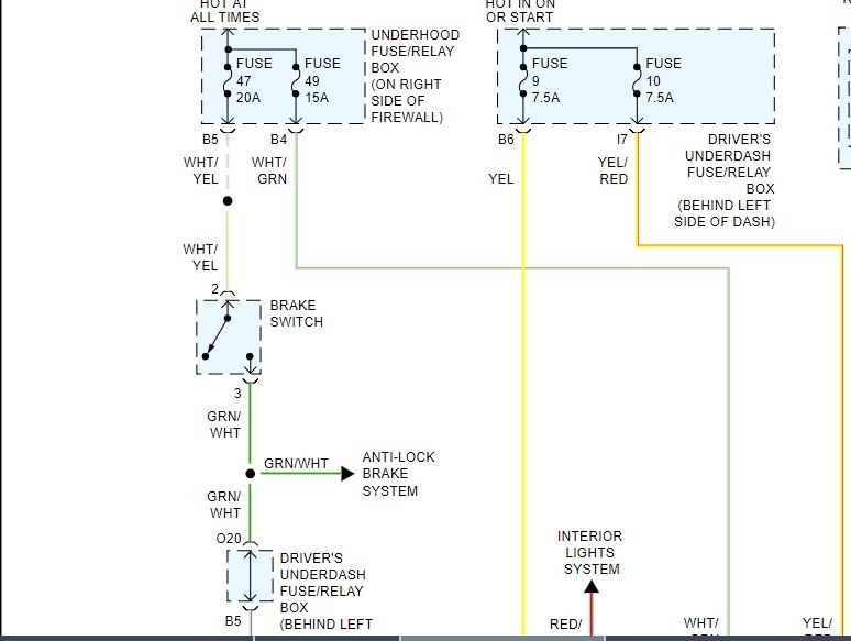
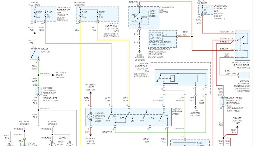
Monday, April 15th, 2019 AT 5:21 PM
I replaced my bulbs and everything, my tail lights work fine but when I step on the brake the brake lights don’t turn on. I can’t find the fuses to the brake lights. Any suggestions?



