Wednesday, July 5th, 2017 AT 12:37 AM
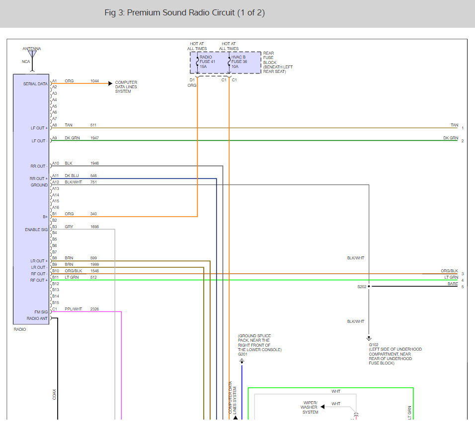
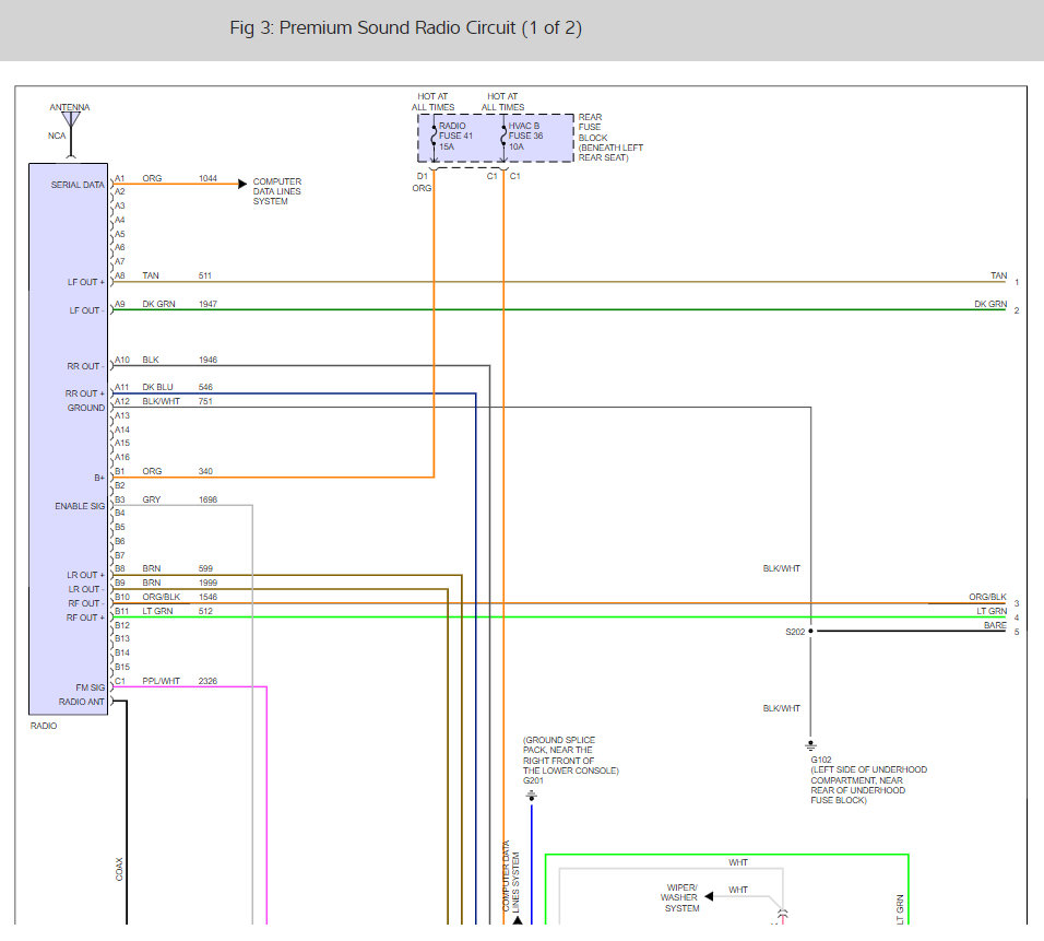
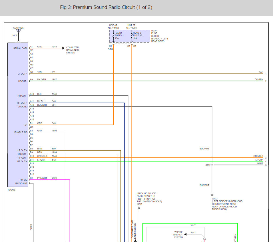
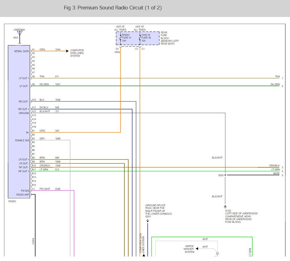
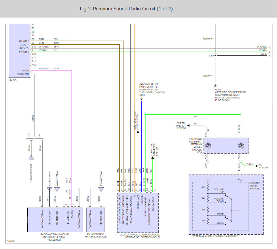
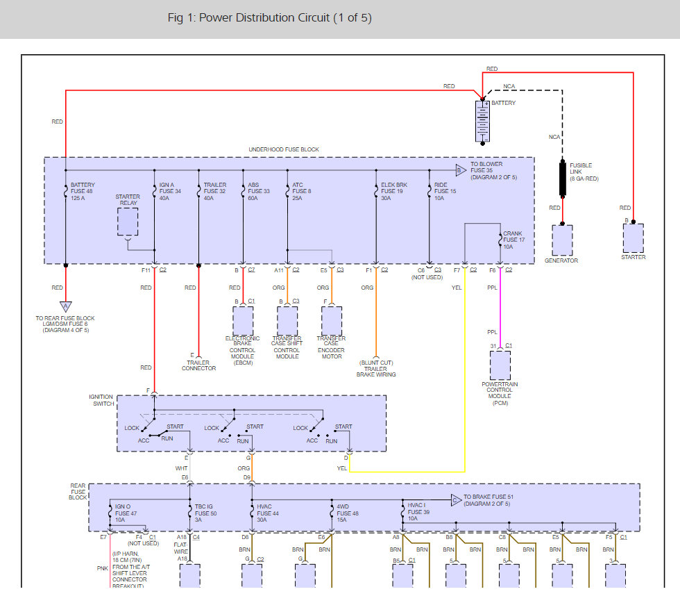
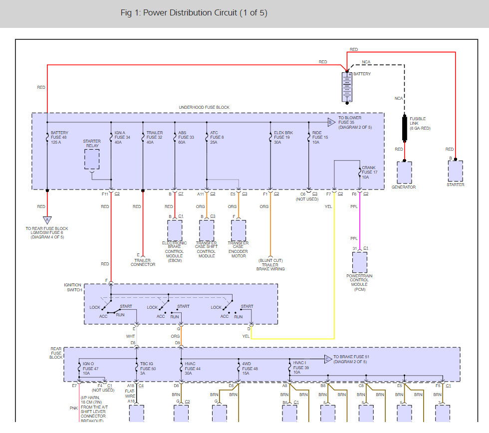
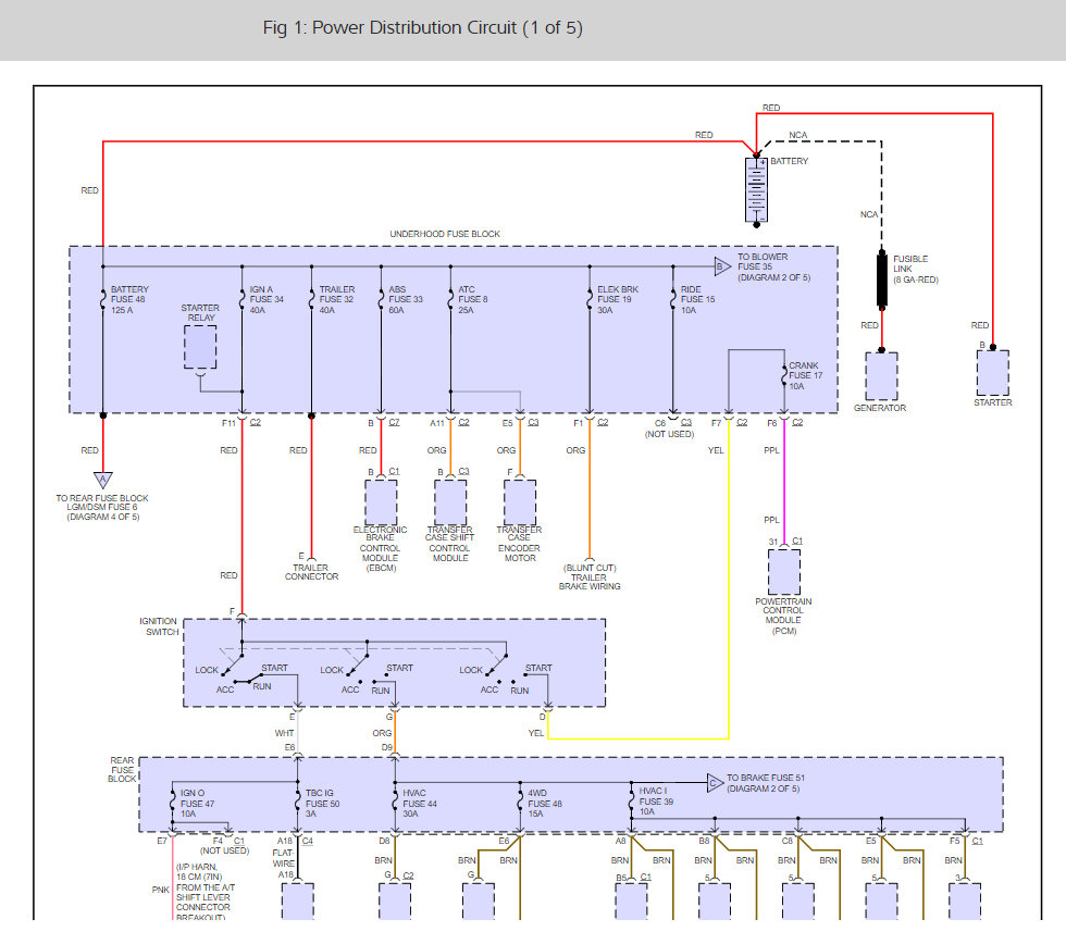
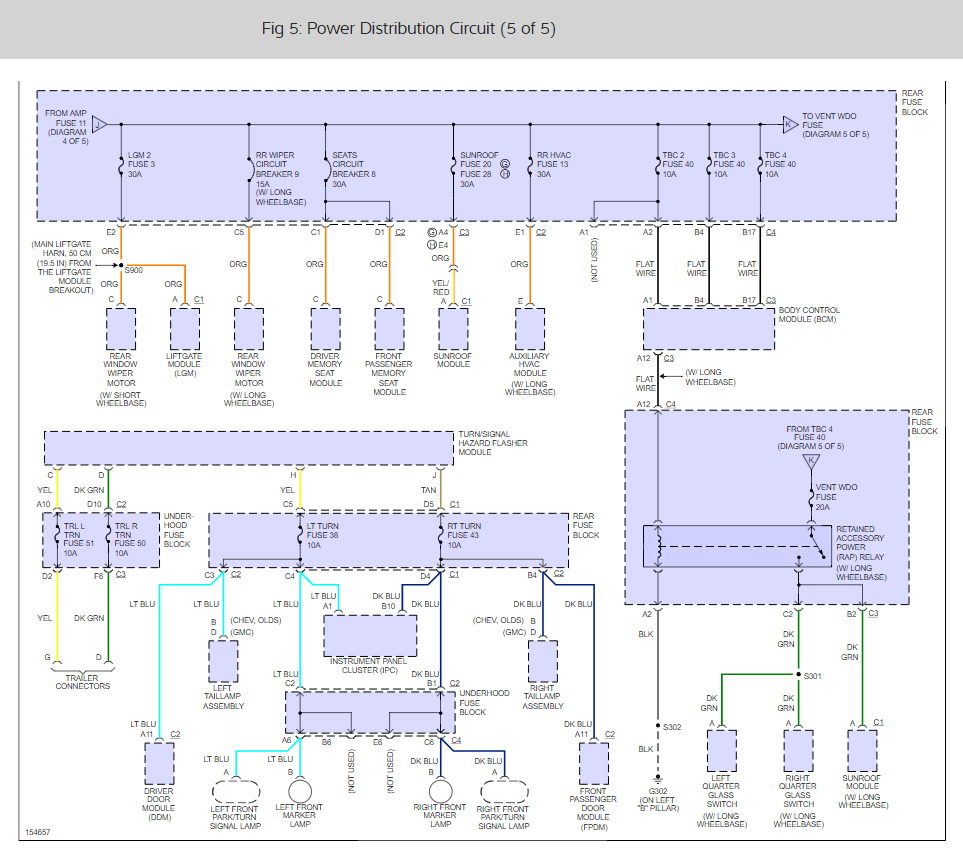
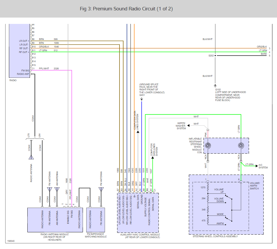
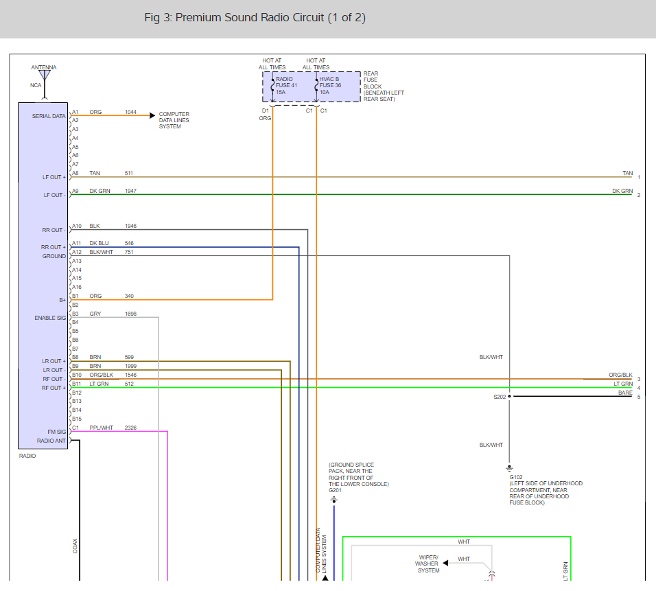
I recently bought my very first car but also my second vehicle. This was part of the list of my dream cars as a child. I bought this truck as a backup vehicle for my 1989 Mercedes-benz 260e. The goal was to have a backup vehicle in case a certain car needs repairs. In that case I thought the truck would be cheaper since it is an American made vehicle. As soon as I purchased the truck it has been having several electrical and mechanical problems. The previous owner was not taking care of this vehicle properly. It was misfiring like mad. It is over powered. Drinking a lot of gas. Truck gets hot quick but does not overheat. My license plate lights will not work nor the wipers nor will it even open or lock the back door. It tries to stall when I turn on the A/C. I also had the air bags light on the dash along with the "service engine soon" lights. Have no e-brakes. Plus my cruise control only works once in awhile. But after this past weekend it just altered my plans. My cigarette lighter had some sort of malfunction and it caused it to start a fire under my dash. I had to put it out with water. The fire destroyed my radio, my climate control, almost all the wires in there is burnt. The charger port was still working, there was this little switch I had? I do not know if it was the traction control switch or something to open up a fan? But I am not sure about how bad it was. The truck cranked twice fine, until later the day it lost bout all of its power. I think it drained my battery. I tried jumping it off? And it said "unknown driver". It does not crank nor start at all. Now I do not even know if I am going back to school or not. I feel that this entire truck needs to be rewired and my insurance will not cover it since I no longer have full coverage. And I am thinking second thoughts about my car warranty. Now I am stuck in a rock in a hard place. I just bought the fuel pump, fuel regulator, oxygen sensor, and the catalytic converter. Now I do not know what else I need. I am running out of options. Before the fire it given me a Po300 and another code for my camshaft sensor. Oh and I just replaced the camshaft sensor, along with the column switch, the throttle body and the I just put a brand new starter on this thing. So I can rule out that. It is definitely not the starter. But that is all I can think off here. I need help bad.


















