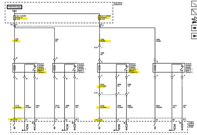
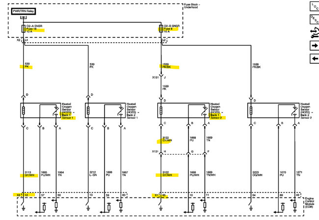
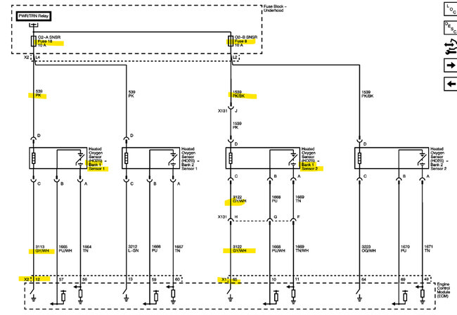
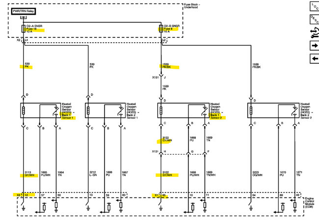
My check engine light was on, and I had the codes pulled and they showed the sensor 1 bank 1 o2 sensor not working. I purchased the sensor installed it and the check engine light cleared. I thought cool that was the problem. I drove my truck for several hours that day. The next day I started up the truck and about 30 minutes later the check engine light back on. Bank 1 sensor 2 and bank 2 sensor 1 too rich. So, I purchased the other 3 thinking I would just replace them all. Cleared the codes and drove around for a while running errands. Not issues, my truck set over the Christmas holiday 3 day without starting. Now I have these codes. P0030, P0036, p0131, p0135, p0137, p0141, p219a. When I got it started it smelled like gas and it has a rough idle.
Friday, December 29th, 2023 AT 2:56 PM













