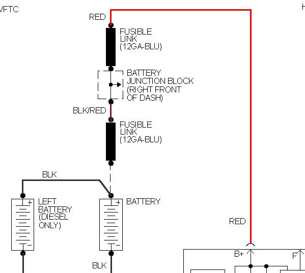
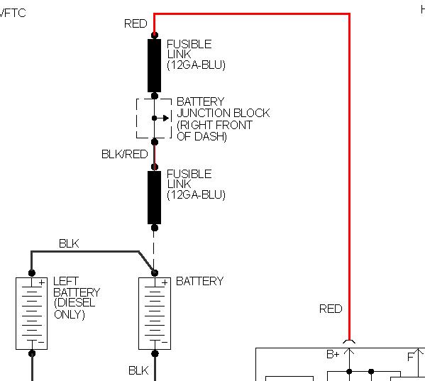
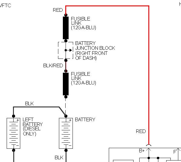
Saturday, May 4th, 2013 AT 10:28 AM
My dashlights, tailights, horn and cirgarette lighter all quit working at the same time. I checked fuses, and found all to be good, looked under hood and fuse links appear to be ok, is there a relay or another power source I shoild be looking for?


