Multifunction switch wire, harness?

Tiny
JUAN ORTIZ
  • MEMBER
  • 2000 FORD F-150
  • 4.6L
  • V8
  • 2WD
  • AUTOMATIC
  • 250,000 MILES
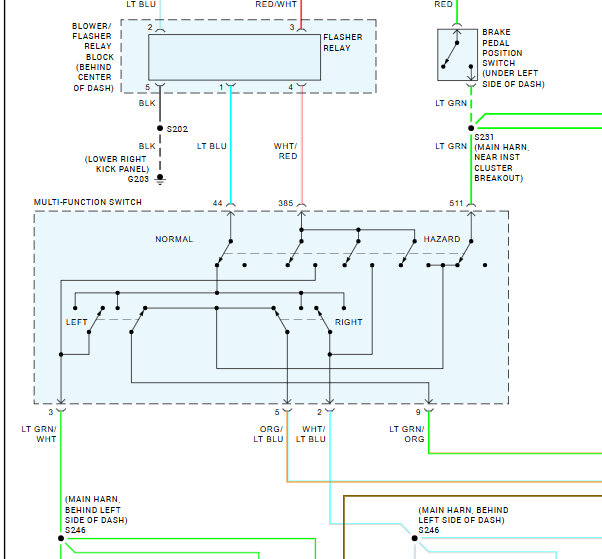
Due to be a 20+ years old multifunction switch wires, came loose need colors and locations on replacement harness connector
Friday, August 15th, 2025 AT 12:20 PM

3 Replies

Tiny
KEN L
  • MASTER CERTIFIED MECHANIC
  • 55,459 POSTS
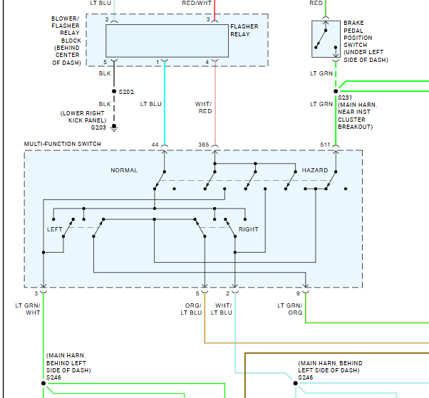
So, this switch has three functions, turn signals, headlights and wipers, here is all three so you can see which wires go where of each system. Check out the images (below). Let us know if you need anything else.
Was this
answer
helpful?
Yes
No
-1
Saturday, August 16th, 2025 AT 9:06 AM
Tiny
JUAN ORTIZ
  • MEMBER
  • 1 POST
Needed actual color to position on connector, view of connector with wires located or view of rear of multi function switch with colors to connector pins located.
Was this
answer
helpful?
Yes
No
Sunday, August 17th, 2025 AT 12:45 PM
Tiny
KEN L
  • MASTER CERTIFIED MECHANIC
  • 55,459 POSTS
Gotha, I found this I think this I what you need. Check out the images (below). Let us know if you need anything else.
Was this
answer
helpful?
Yes
No
+1
Sunday, August 17th, 2025 AT 12:53 PM

Please login or register to post a reply.