HOME
ASK A QUESTION
REPAIR GUIDES
BECOME A MEMBER
LOG IN
Login with Facebook
OR
Remember me
NOT A MEMBER?
FORGOT PASSWORD?
CONTACT US
PRIVACY POLICY
TERMS AND CONDITIONS
☰
Home
Mitsubishi
Galant
General
MPI relay location
HAYDEN N ASHLEY BRIDGES
MEMBER
2011 MITSUBISHI GALANT
4 CYL
2WD
AUTOMATIC
110,000 MILES
Where are the MPI relays?
Saturday, April 7th, 2018 AT 4:05 PM
3 Replies
ASEMASTER6371
MECHANIC
52,796 POSTS
Good evening.
What do you mean by MPI relays?
Roy
Was this
answer
helpful?
Yes
No
-1
Saturday, April 7th, 2018 AT 4:08 PM
HAYDEN N ASHLEY BRIDGES
MEMBER
2 POSTS
The MPI relay that controls the fuel pump.
Was this
answer
helpful?
Yes
No
-1
Saturday, April 7th, 2018 AT 4:15 PM
ASEMASTER6371
MECHANIC
52,796 POSTS
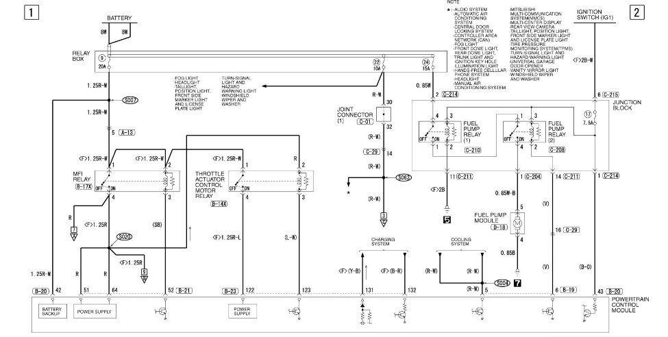
There are two fuel pump relays. I attached a picture of the location and a wire diagram for you to view. Check the fuses for power with a test light on both sides.
Roy
Images (Click to make bigger)
Was this
answer
helpful?
Yes
No
+1
Saturday, April 7th, 2018 AT 4:39 PM
Please
login
or
register
to post a reply.
Related General Content
GUIDE
Inquire Here
Ask a Car Question. It's Free!
Clunking Sound
Car Maintenance and Service Procedures
Driver Tips and Safety Information