Shifter arm location

Tiny
DPULONE
  • MEMBER
  • 2015 FORD F-250
  • 5.5L
  • V8
  • 2WD
  • AUTOMATIC
  • 70,000 MILES
Where is the shifter arm on the truck? Underwood. Or under the engine? I seen your video with van and car (how move a vehicle without key). Would think the Ford 250 super duty much different? And what it looks like. Thank you
Sunday, June 23rd, 2019 AT 1:03 PM

1 Reply

Tiny
JACOBANDNICKOLAS
  • MECHANIC
  • 110,194 POSTS
Welcome to 2CarPros.

Here are the directions for bypassing the park interlock system specific to your vehicle. The attached pictures correlate with the directions.

307-05 Automatic Transaxle/Transmission External Controls 2015 F-250, 350, 450, 550 Super Duty
GENERAL PROCEDURES
Brake Shift Interlock Override
NOTE: If it is necessary to use the brake shift interlock override procedure to move the selector lever from the PARK position, it is possible that a fuse has blown and the brake lights are not operational. Before driving the vehicle, verify that the brake lights are working.

This vehicle is equipped with a brake shift interlock system that prevents moving the selector lever from the PARK position. When the ignition switch is in the RUN position and the brake pedal is applied, the Brake Shift Interlock Actuator (BSIA) is energized.
Apply the parking brake. Turn the ignition key to the off position and remove the key.
Tilt and telescope the steering column to the full downward and rearward position.
NOTICE: Make sure to use extra care when detaching the selector lever boot clips from steering column shrouds or damage to the selector lever boot may occur causing replacement of the selector lever assembly. The selector lever boot is not serviceable separately.

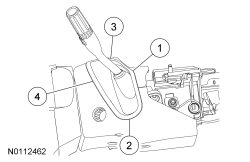
Position the selector lever boot aside.
Push forward on the selector lever boot at the area indicated and remove the boot from the upper and lower steering column shrouds.

Pic 1

NOTE: The BSIA plunger can be accessed through the selector lever boot opening.

Using a suitable tool, move the BSIA spindle outward, apply the brake pedal and position the selector lever into NEUTRAL.

Pic 2

NOTICE: Make sure to use extra care and follow the installation sequence when installing the selector lever boot to the steering column shrouds or damage to the boot may occur causing replacement of the selector lever assembly. The selector lever boot is not serviceable separately.

Install the selector lever boot in the sequence shown.
Install the front of the selector lever boot.
Install the bottom of the selector lever boot.
Install the top of the selector lever boot.
Install the back of the selector lever boot.

Pic 3

Let me know if this is what you needed.

Take care,
Joe
Was this
answer
helpful?
Yes
No
Sunday, June 23rd, 2019 AT 8:28 PM

Please login or register to post a reply.