Engine stalls at idle

Tiny
ROBERT WRIGHT 8322
  • MEMBER
  • 1992 CHEVROLET SILVERADO
  • 5.7L
  • V8
  • 4WD
  • AUTOMATIC
  • 72,000 MILES
It's getting fuel and spark but will barely run. I recently replaced coil, distributor cap and rotor, ignition pickup and module. We got it running and it lasted about a week, it backfired and shut off. Now you can crank it and it barely will run. You give it any gas and it shuts off and backfires.
Wednesday, December 11th, 2019 AT 6:29 PM

17 Replies

Tiny
JACOBANDNICKOLAS
  • MECHANIC
  • 110,194 POSTS
Hi,

Did the original backfire seem to start the problem? Have you confirmed that fuel pressure is within spec? If the regulator isn't working properly, too much fuel may be getting to the engine. Also, have you checked for diagnostic trouble codes?

______________________________________

Take a look through this link and retrieve diagnostic trouble codes. That may point us in the right direction. Also, let me know if it is backfiring through the intake or exhaust.

_____________________________________

You don't need a scanner to get codes from this vehicle. All that is needed is a short jumper wire or even a paper clip.

https://www.2carpros.com/articles/buick-cadillac-chevy-gmc-oldsmobile-pontiac-gm-1983-1995-obd1-code-definitions-and-retrieval-method

Also, confirm fuel pressure as well.

https://www.2carpros.com/articles/how-to-check-fuel-system-pressure-and-regulator

Let me know what you find or if you have other questions.

Take care,
Joe
Was this
answer
helpful?
Yes
No
Wednesday, December 11th, 2019 AT 9:04 PM
Tiny
ROBERT WRIGHT 8322
  • MEMBER
  • 14 POSTS
It shows a 13 and a 42. I don't understand number 42.
Was this
answer
helpful?
Yes
No
Thursday, December 12th, 2019 AT 8:09 AM
Tiny
ROBERT WRIGHT 8322
  • MEMBER
  • 14 POSTS
If you put the timing mark on zero like it says it will not keep running.
Was this
answer
helpful?
Yes
No
Thursday, December 12th, 2019 AT 2:46 PM
Tiny
JACOBANDNICKOLAS
  • MECHANIC
  • 110,194 POSTS
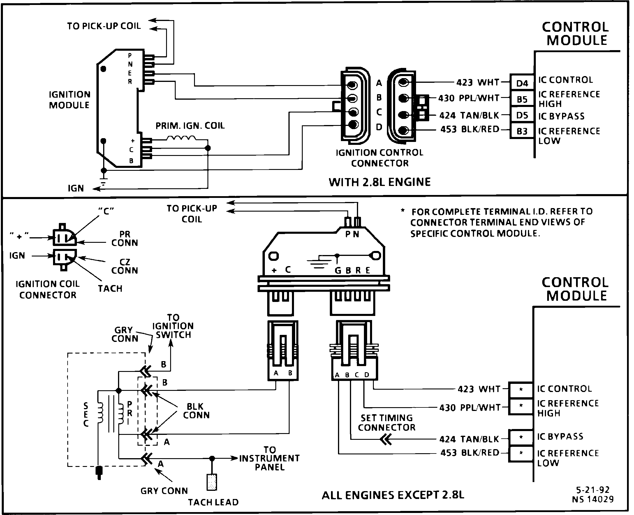
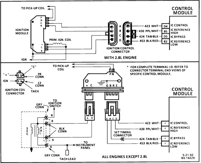
Code 42 is related to the electronic spark control system. That can cause this. I attached the flow charts in pics 1 and 2. Let me know if you can read them. Also, what do you mean about the timing mark on 0?
Was this
answer
helpful?
Yes
No
Thursday, December 12th, 2019 AT 5:27 PM
Tiny
ROBERT WRIGHT 8322
  • MEMBER
  • 14 POSTS
On everything I have found it says to put the timing when it's running on top dead center on o. I don't see the flow charts.
Was this
answer
helpful?
Yes
No
Thursday, December 12th, 2019 AT 5:31 PM
Tiny
JACOBANDNICKOLAS
  • MECHANIC
  • 110,194 POSTS
Sorry about that. I attached them after I already sent the post. They should be there now. If they still aren't available to you, let me know.

________________________

Next, here are the directions for adjusting timing. My specs don't show 0. Where did you get that?

Take a look through this and see if it is what you are doing. The pics attached correlate with the directions.

_______________________

1992 Chevy Truck C 1500 Truck 2WD V8-350 5.7L
Ignition Timing Adjustment
Vehicle Powertrain Management Ignition System Ignition Timing Adjustments Ignition Timing Adjustment
IGNITION TIMING ADJUSTMENT
NOTE: Timing specifications are listed on the Vehicle Emissions Control Information label under the hood. Always follow the Vehicle Emissions Control Information label procedures first before using the following procedure.

Timing Mark
pic 1

PROCEDURE:

Set timing under the following conditions:

Normal operating temperature.
Air cleaner installed.
A/C "OFF".
Transmission in neutral.

Battery Junction Block And Relay Wiring
pic 2

Disconnect SET TIMING connector (C114, tan/black wire) located in center of cowl, under battery junction block cover. DO NOT disconnect 4 wire connector at distributor.

Connect timing light and adjust as necessary by loosening hold down bolt and rotating distributor. For specification, refer to SPECIFICATIONS/TIMING MARKS. Tighten hold down and recheck the timing. Stop the engine and connect SET TIMING connector. Clear ECM trouble code by disconnecting ECM power source. With engine at operating temperature, drive vehicle at part throttle with moderate acceleration and decelerate to idle condition. This will "teach" the ECM/VCM and return the engine to normal performance.

Let me know.

Joe
Was this
answer
helpful?
Yes
No
Thursday, December 12th, 2019 AT 5:47 PM
Tiny
ROBERT WRIGHT 8322
  • MEMBER
  • 14 POSTS
I'm doing all the instructions right, and the picture of the harmonic balancer with the line across it that shows to be on zero on my mark, but I can't get it there without it shutting off and not cranking back up.
Was this
answer
helpful?
Yes
No
Thursday, December 12th, 2019 AT 6:16 PM
Tiny
JACOBANDNICKOLAS
  • MECHANIC
  • 110,194 POSTS
When you get it there and try to start it, does it still crank easily or does the starter seem to be working harder than it should.

I'm wondering if there is an issue with the timing chain. If possible, can you record it cranking so I can hear it?

JOe
Was this
answer
helpful?
Yes
No
Thursday, December 12th, 2019 AT 7:59 PM
Tiny
ROBERT WRIGHT 8322
  • MEMBER
  • 14 POSTS
When you get the timing where it should be the motor won't hardly even turn over.I'll try to record it tomorrow and send it to you. Thank you so much for your help
Was this
answer
helpful?
Yes
No
Thursday, December 12th, 2019 AT 8:02 PM
Tiny
JACOBANDNICKOLAS
  • MECHANIC
  • 110,194 POSTS
If that is the case, I have to ask. Was the distributor removed? Are the plug wires correct? What you are describing sounds like it is firing too early. Even though the timing mark on the crank is correct, something is fighting it from turning, and most times that is the result of ignition spark being introduced too early.

Let me know, and I will wait to hear it. I have a feeling the timing chain may have jumped. Please reconfirm that the plug wires are in the correct order from the cap. Also, when you place the crankshaft pulley on TDC, remove the cap and see if the rotor is pointing at the number 1 spark plug wire. I attached a pic of the firing order.

Joe
Was this
answer
helpful?
Yes
No
Thursday, December 12th, 2019 AT 8:18 PM
Tiny
ROBERT WRIGHT 8322
  • MEMBER
  • 14 POSTS
The timing marks and the rotary button, everything checks out to be in top dead center on number one.
Was this
answer
helpful?
Yes
No
Saturday, December 14th, 2019 AT 8:11 AM
Tiny
JACOBANDNICKOLAS
  • MECHANIC
  • 110,194 POSTS
Are the plug wires going to the correct cylinders? Any chance of hearing it?

Joe
Was this
answer
helpful?
Yes
No
Saturday, December 14th, 2019 AT 6:18 PM
Tiny
ROBERT WRIGHT 8322
  • MEMBER
  • 14 POSTS
It's just turns over and turns over it does not try to crank.
Was this
answer
helpful?
Yes
No
Saturday, December 14th, 2019 AT 6:50 PM
Tiny
ROBERT WRIGHT 8322
  • MEMBER
  • 14 POSTS
As long as I can tell everything's perfect on it, timing marks on 0, p pointing at number one plug wire, the wiring order to correct.
Was this
answer
helpful?
Yes
No
Saturday, December 14th, 2019 AT 6:53 PM
Tiny
JACOBANDNICKOLAS
  • MECHANIC
  • 110,194 POSTS
If you are referring to the mark on the crank pulley being at TDC, you may have to remove the timing cover to see if it jumped time. Can you upload the starting of it so I can hear it?
Was this
answer
helpful?
Yes
No
Saturday, December 14th, 2019 AT 7:18 PM
Tiny
ROBERT WRIGHT 8322
  • MEMBER
  • 14 POSTS
I'll record it tomorrow.
Was this
answer
helpful?
Yes
No
Saturday, December 14th, 2019 AT 7:37 PM
Tiny
JACOBANDNICKOLAS
  • MECHANIC
  • 110,194 POSTS
Sounds like a plan. I will watch for your reply,

Take care,
Joe
Was this
answer
helpful?
Yes
No
Saturday, December 14th, 2019 AT 10:31 PM

Please login or register to post a reply.