Tuesday, July 2nd, 2024 AT 11:50 AM
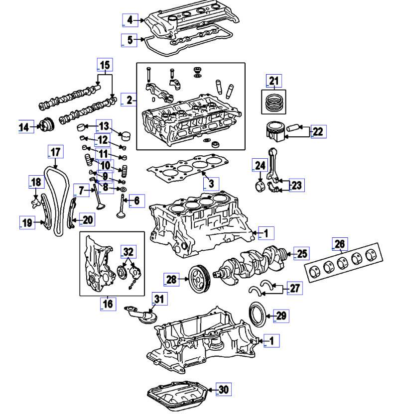
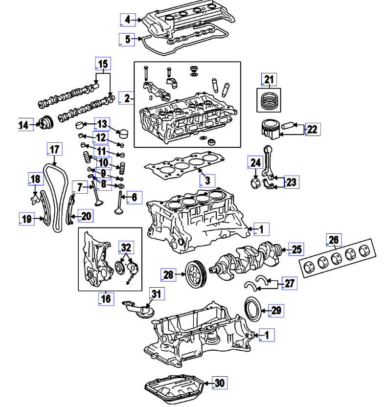
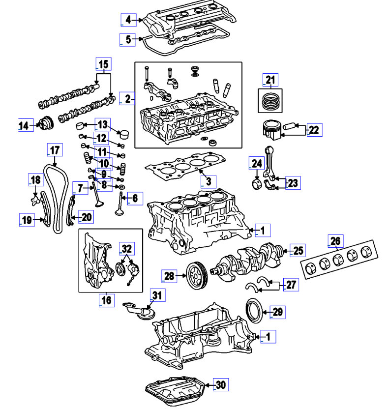
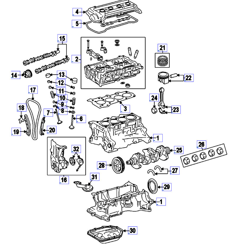
I have the vehicle listed above, I’ve been thinking about swapping the motor, it has VIN 3 8th digit. I noticed other vehicles have the same motor and same VIN 3 8th digit. Do they fit in my Kia, or do I have to stay with motors from a Kia rio? Thank you in advance.



