It is as if the throttle sticks, the car will go uphill at 45 miles an hr without my foot on the gas. I can drive it for a few miles, 4-5, without touching the gas.
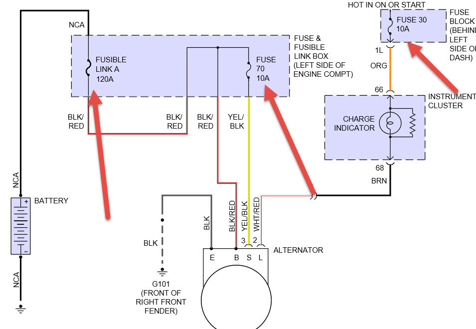
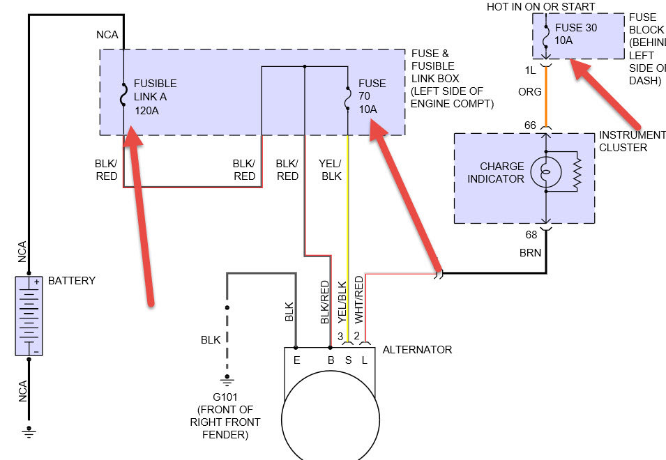
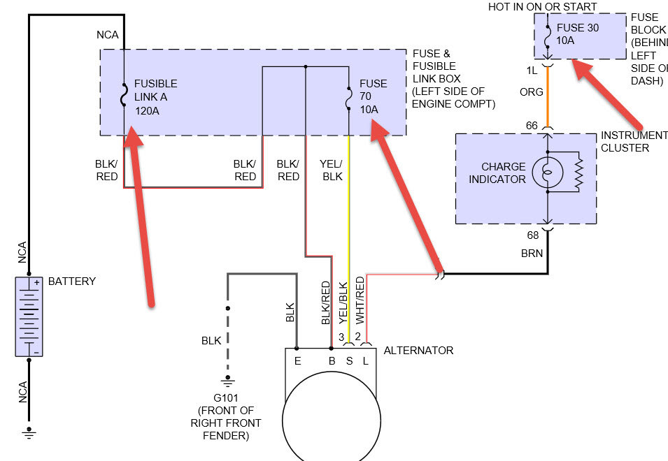
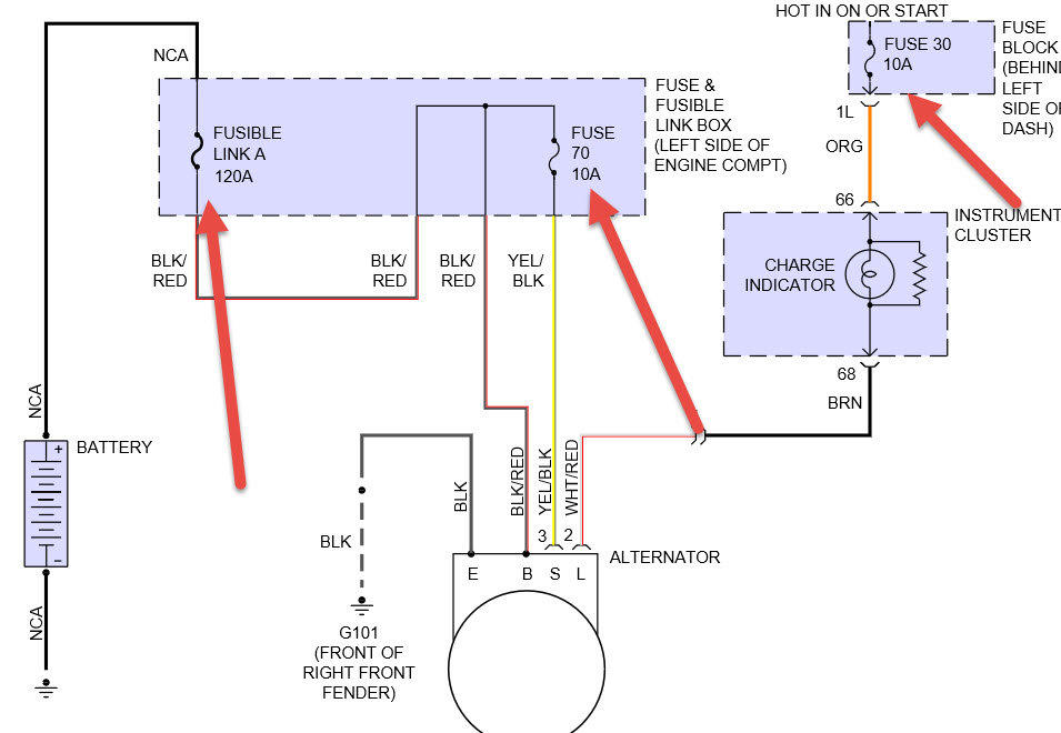
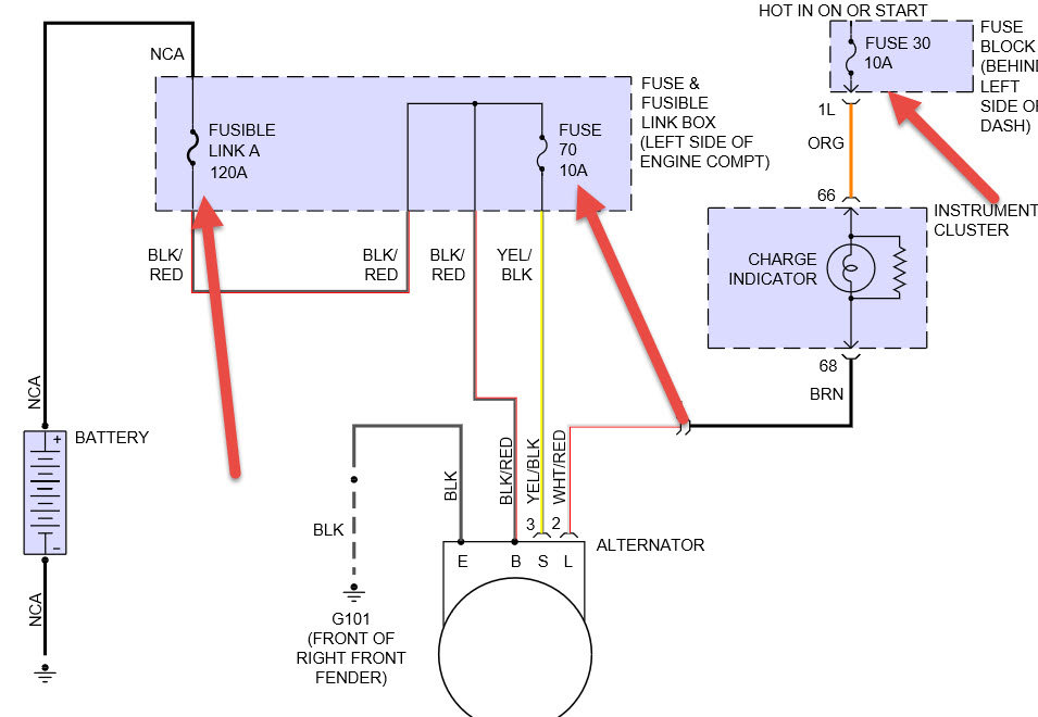
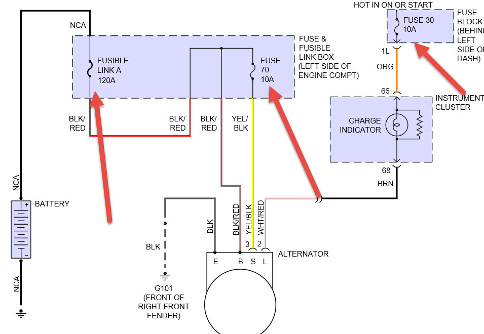
The first time I brought it in after it was sitting, they change all the fluids and filters and put in a new battery, among other things, tires and so on, they road tested it and it had no power, they found the alternator was not charging the battery and determined that the regulator on the battery was being told to charge the battery, they put in a new alternator assembly. The engine light was still on but I drove it from Fairbanks Alaska to DownEast Maine.
Once here, I took it in again, their reports said;
1) One place removed ISC connector and fohose to throttle body, Repaired and welded und terminal corrosion. The billing statement says, : verified Cel is on, connected C#, unable to communicate with EMC, Connected C2, ECM DTC's Po160 02 sensor B2, Po140 02 sensor.
Next one said. He put in a used throttle body, adjusted throttle position sensor, Re routed vacum lines, repaired something in exhaust, patched hole in front by converter----$482 and no improvement,
I can't find the paper work for the last one, but it was about the same, they thought it was fixed and it wasn't/. The last said it might be the computer or part of the computer.
Today, I drove it just a short distance and the engine was making a lot of noise, loud racing/roaring sound, and a belt was whining loud as well. I brought it back to the house and my brother came over, turned it on and it wouldn't turn over. He charged the battery, and off it went. We went to town but did not shut the engine off. Came home and I tried it again, thinking the battery was well charged. It is 3 years old. But it wouldn't start and wouldn't take a charge; just a clicking sound when we put the key in. It has sat now for 3 hrs, I just tried it again and it won't turn over.
I hope you can offer me some guidance, I have spent so much money on it already, this winter I felt so unsafe to go even to the market for food.
Thank you for any help you can offer,
Dawn
Wednesday, April 6th, 2016 AT 2:08 PM


