Moonroof shade not closing properly

2015 FORD EXPLORER
71,000 MILES
Avatar
FLOYD2673
  • MEMBER
  • 1 POST
Our moonroof shade slides back on our double moonroof but won't close past the midway point. We replaced the switches, checked the fuses and "reset" the motor as described in some YouTube videos. Any other suggestions?
Apr 2, 2022 at 10:07 AM
Advertisement
Repair Safety Notice: This information is for general instructional purposes only. Vehicle repair can be dangerous. Verify all information, follow manufacturer service procedures, use proper tools and safety equipment, and consult a qualified repair shop when needed.
Avatar
AL514
  • AUTOMOTIVE REPAIR CONTRIBUTOR
  • 5,477 POSTS
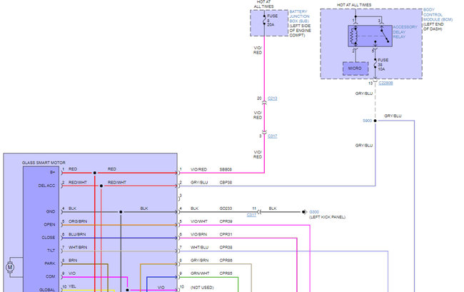
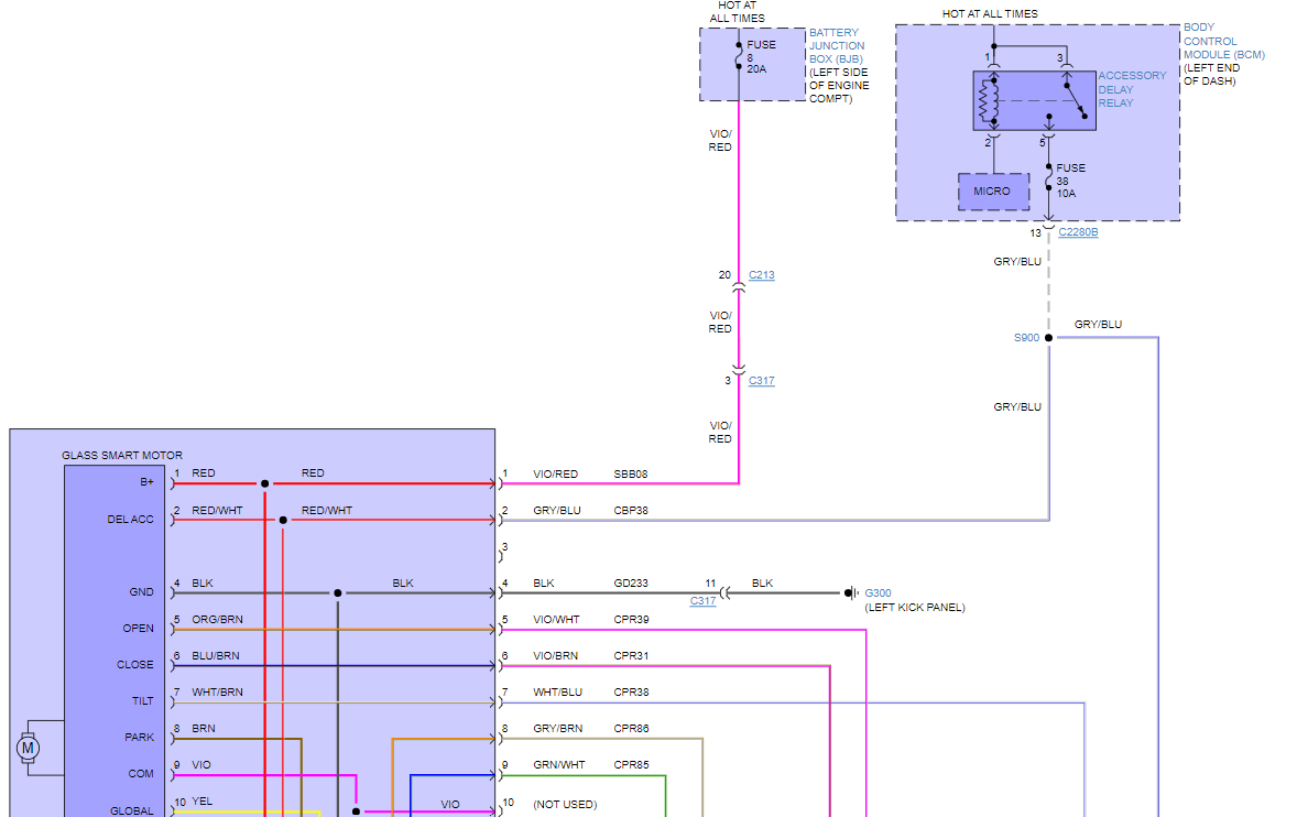
Hello, this seems to be an issue with a lot of these setups. In your case it almost seems that the shade section binds up in the middle between the 2 glass sections. I have seen a video of exactly the same issue. According to our information from AllData or Mitchell, it says to replace the shade motor. I'm putting the diagrams of the system below, as well as the wiring diagrams. Although it would seem odd to me to replace a motor that seems to be functioning correctly. It looks like the shade section rolls up at the end of its travels.
The first diagram below is the Initialization portion for the shade, but I'm assuming you may have tried that already.
The thought with the motor is that I am sure these motors have limit switches built into them, which would stop the motor at the end of the shades travel. And possibly having one in the middle as well to separate the two sections. I don't see any limit switches that are accessible from outside the Roof Opening Panel Module.
There is Fuse 8 which is actually a circuit breaker as well as Fuse 38. But also make sure that the glass sections are closing fully, because that would prevent the shade from closing fully. The last two pages are the general operations. The control module for this looks like it's part of the Body Control Module.
But look through this information and try the Initialization method even though it won't close the full way.
It looks like motor replacement might end up being the only fix.

https://www.2carpros.com/articles/how-to-use-a-voltmeter
Apr 2, 2022 at 12:19 PM