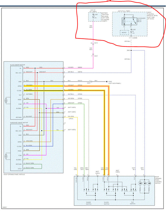
I believe the moon roof wasn't completely closed and I believe it rained.
after opening the roof completely,
I looked at the drain on the driver side (which side the water entered the inside of the vehicle as well. ) It needs to be blown out as it looks clogged.
I tried to close the slide close and it wouldn't go closed, I opened and it opened a little and then stopped. And when I waited a while I tried again. It opened (all the way), but wont close or make any type of motor noise.
Th rear shade opens and closes.
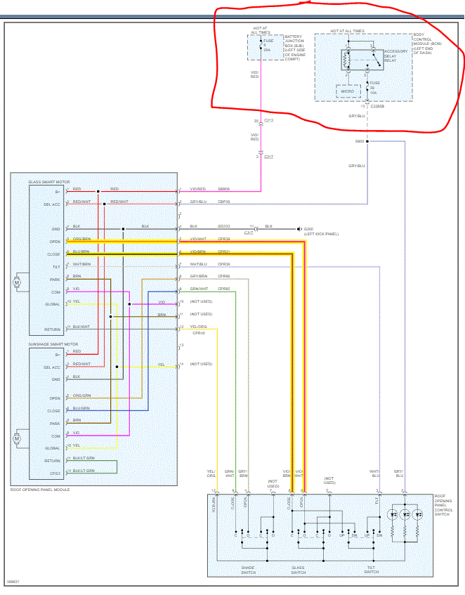
I checked # 8 20 amp fuse under the hood (it's good).
I tried the reset method I found on the web, but nothing.
I haven't pulled the liner down yet. Looking for other tests prior.
Friday, September 25th, 2020 AT 2:19 PM


