We believe we found the issue to be with the Radio Frequency Hub module behind the rear seat. It gets data from the ignition switch on two lines. Both must show up as the "crank" signal, then the Radio Freq. Hub sends a signal to the Body Computer, and that tells the TIPM to turn on the starter relay!
We can see the two data lines switching properly when the system is working. We've never been able to catch it on the scanner when the no-crank occurs.
Also, the remote start is part of the Radio Frequency Hub, and that always works, so we know the TIPM and starter relay are working. Once started remotely, if the problem is occurring, the engine will stall when the fob is inserted and turned to "run". It will continue to run normally when the fob is inserted when the defect is not occurring.
I did find corrosion on one corner of the circuit board in the Radio Freq. Hub module. Cleaning it didn't change anything. We tried two different ignition switches. No change. Tried a new Body Computer right from Chrysler. It didn't need to be programmed, but also didn't change anything.
The issue we're having now is we have two new Radio Freq. Hub modules from Chrysler. Those do need to be programmed. Friend trailered it to one dealer and was told the new module was defective. Chrysler sent another for free. Took it to a closer dealer and was told it could not be programmed because the ignition switch was stuck in "Lock", or it won't switch out of "Lock, (he can't remember now due to excessive confusion and time). Regardless, we can see everything else working on the scanner. We're headed back to the first dealer tomorrow with the old working Radio Freq. Hub module, both new ones, the two ignition switches, and three working key fobs, so we can show everything else is working. We just want one new module programmed to the truck.
I saw an ad some months ago for a module programmer from Matco. With recent searching, I also found some models from Autel that appear to be what I'm after, but they keep referring to programming "ECUs". Do they mean Engine Computers or the multiple Electronic Control Modules?
Will either of these allow us to enter VINs into all or most of the modules? We aren't worried about reprogramming key fobs or installing software updates. My friend has a body shop where he is constantly buying smashed vehicles, and they always have damaged computers. Normally he takes vehicles to the dealers for the programming, but lately they seem to be becoming more and more crabby at helping the little guys out.
If any of you have such a programmer, can it allow used salvage yard 'putters to be installed into a repaired vehicle, or will it only work for new computers that haven't been installed in other cars? Any model numbers you can provide that would be a good choice?
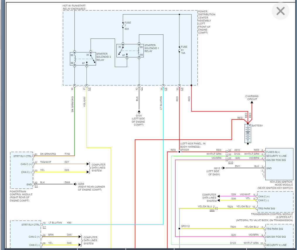
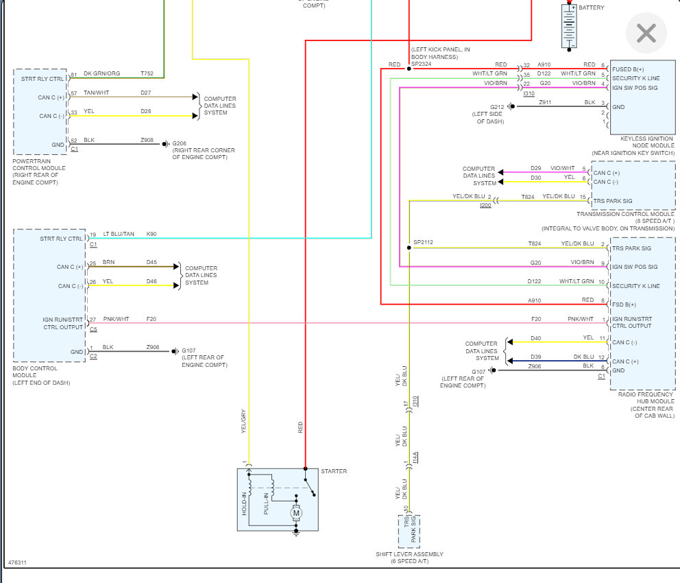
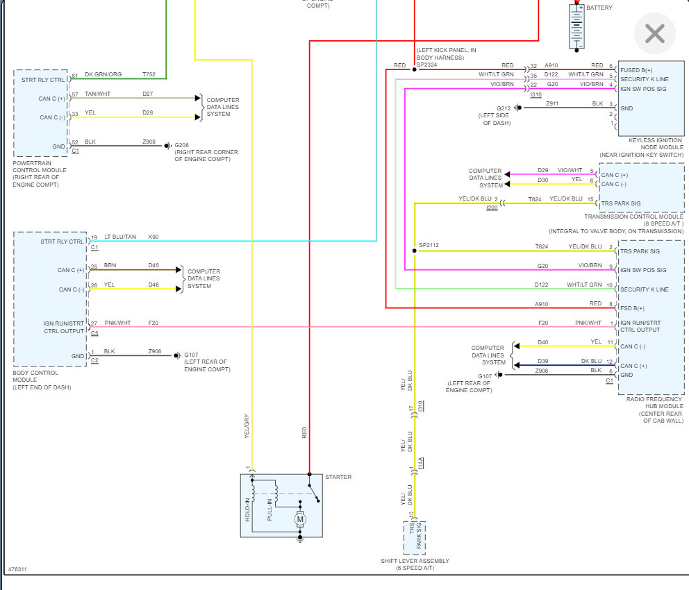
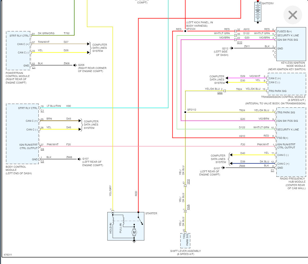
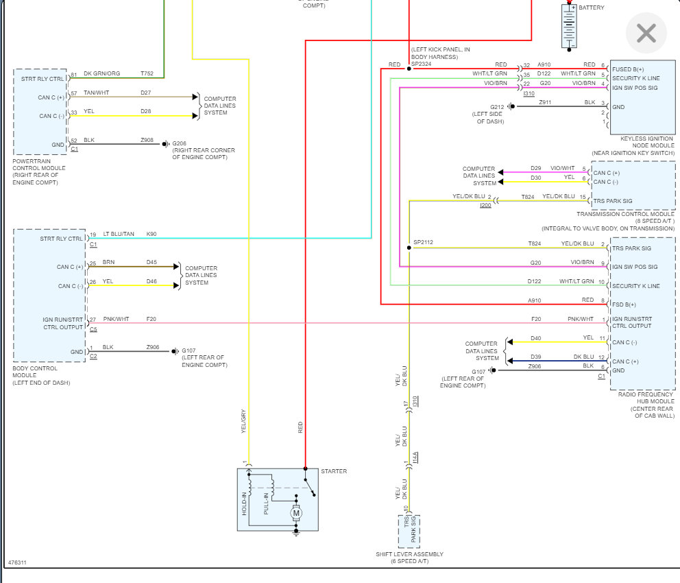
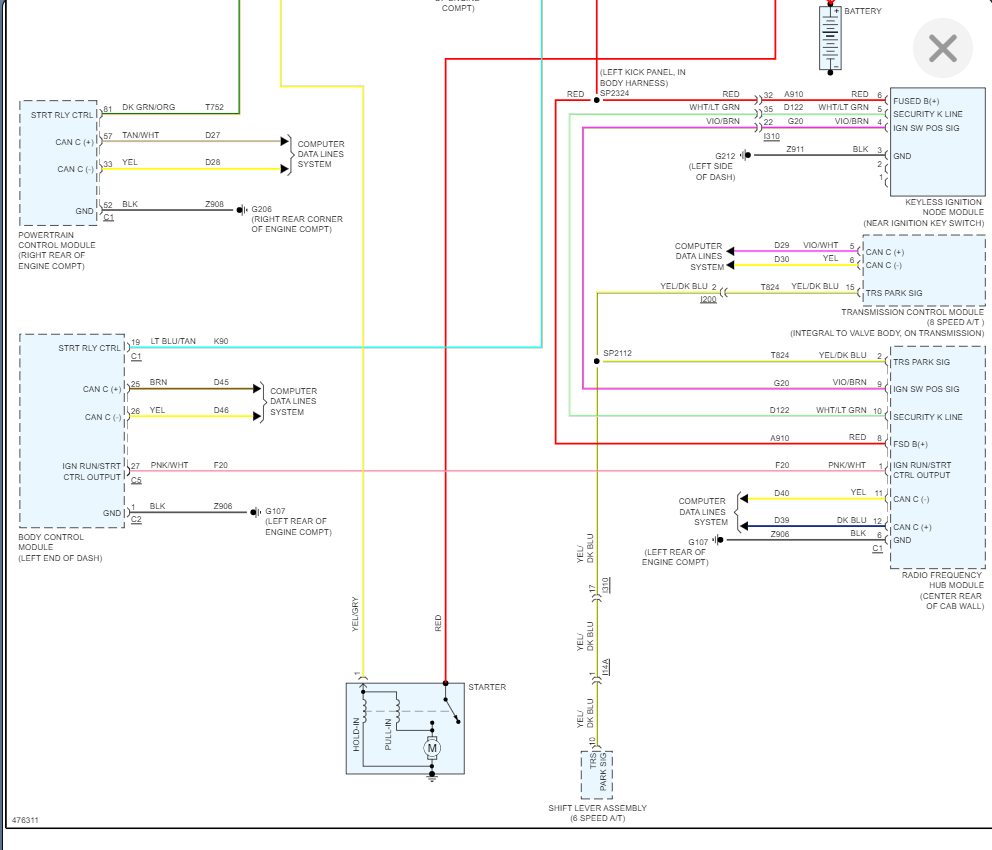
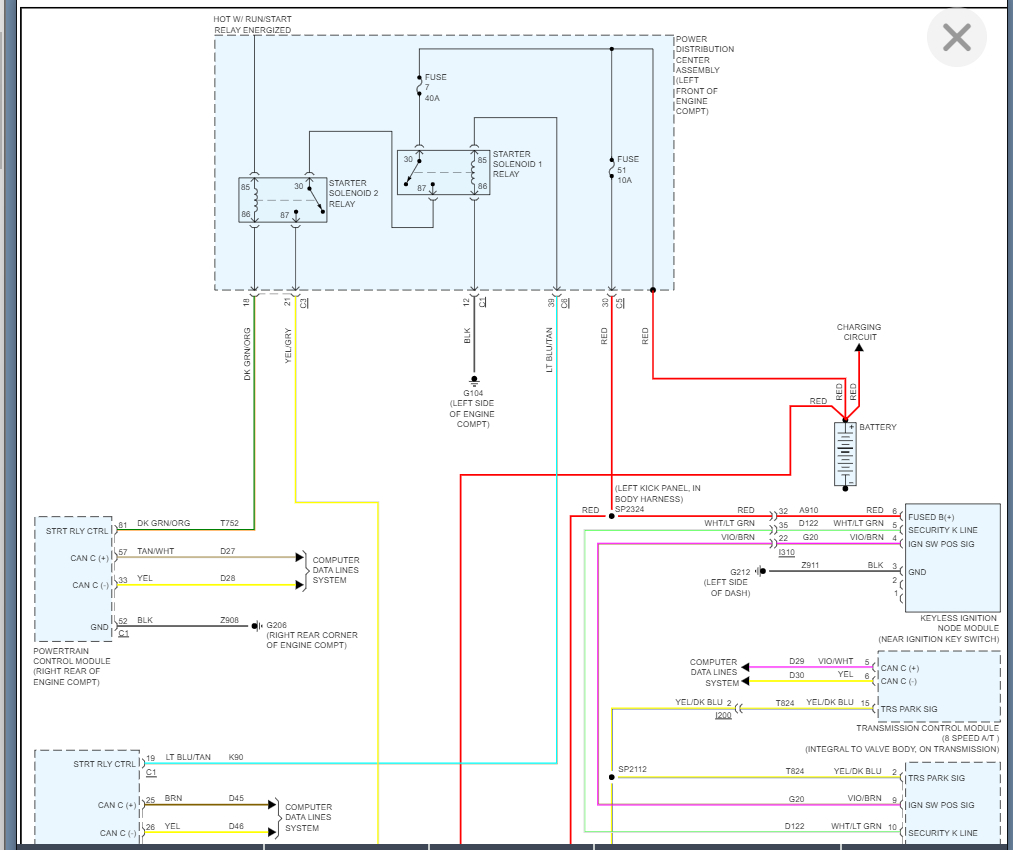
This first diagram is of all the nonsense it takes to crank the engine. The second one is of the lower left expanded for easier viewing. The Radio Frequency Hub is at the top. The ignition switch is at the lower left corner. It has a ground, a 12-volt feed, a switch sense circuit, and a data, or communication line. Those last two are the ones we can see switching on the scanner.
Thank you for any words of advice you can provide.
Update: Second Radio Frequency Hub module can't be programmed by the dealer. Says "wrong key fob".
After further discussion, we found on the scanner the two lines going from the Body Computer to the TIPM. Both switch to "crank" when the fob is turned to "crank", yet the engine doesn't crank when the problem is occurring. It appears the TIPM sends a reply to the Body Computer on one of its multiple "Ign start / run" signal wires. That is not showing up at the BCM resulting in the fault code "implausible data" in the BCM.
Now we're suspecting the TIPM. Just got back to town from a road trip to pick up a used TIPM. Will have another update within a few days. Still want to look into a module programmer.
Wednesday, April 6th, 2022 AT 5:12 PM







