Hello,
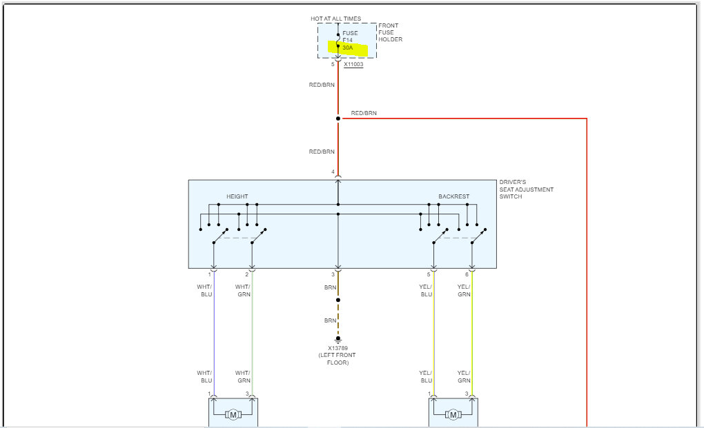
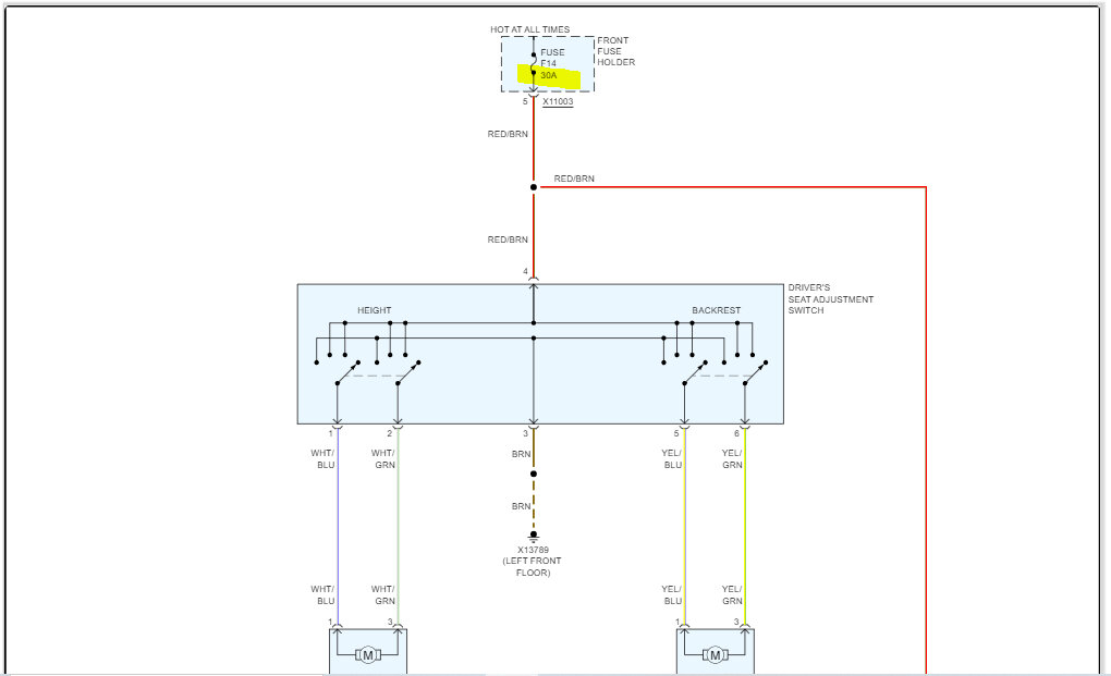
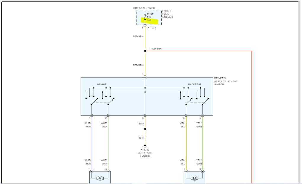
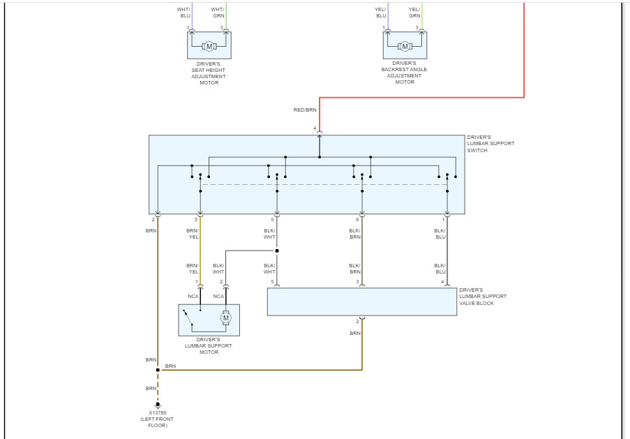
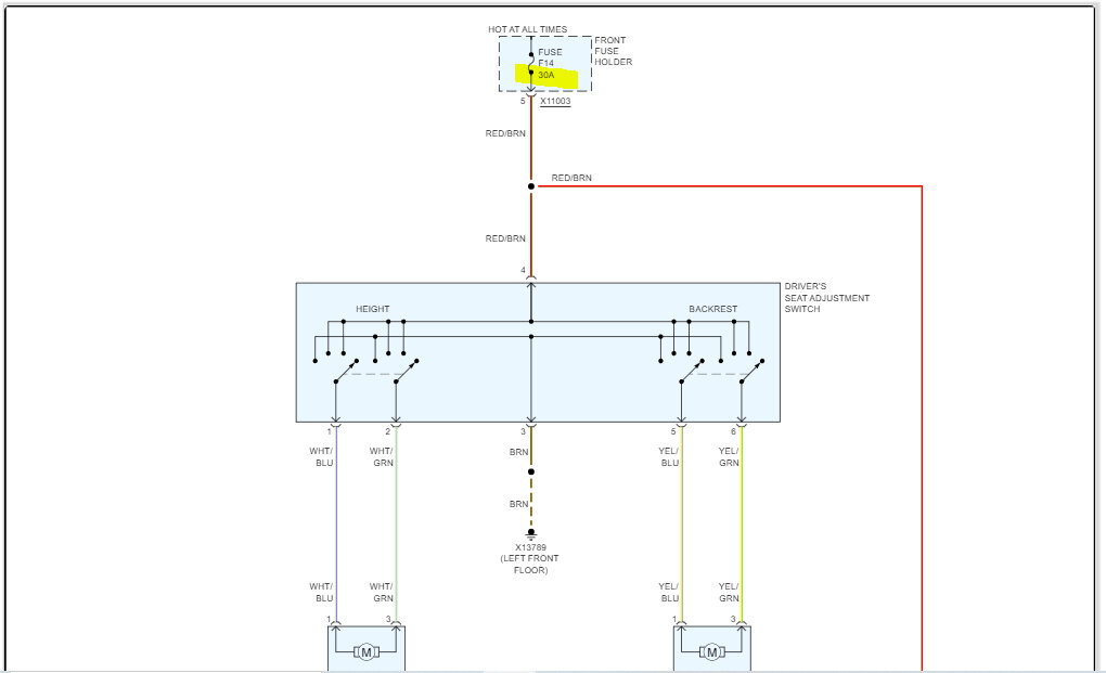
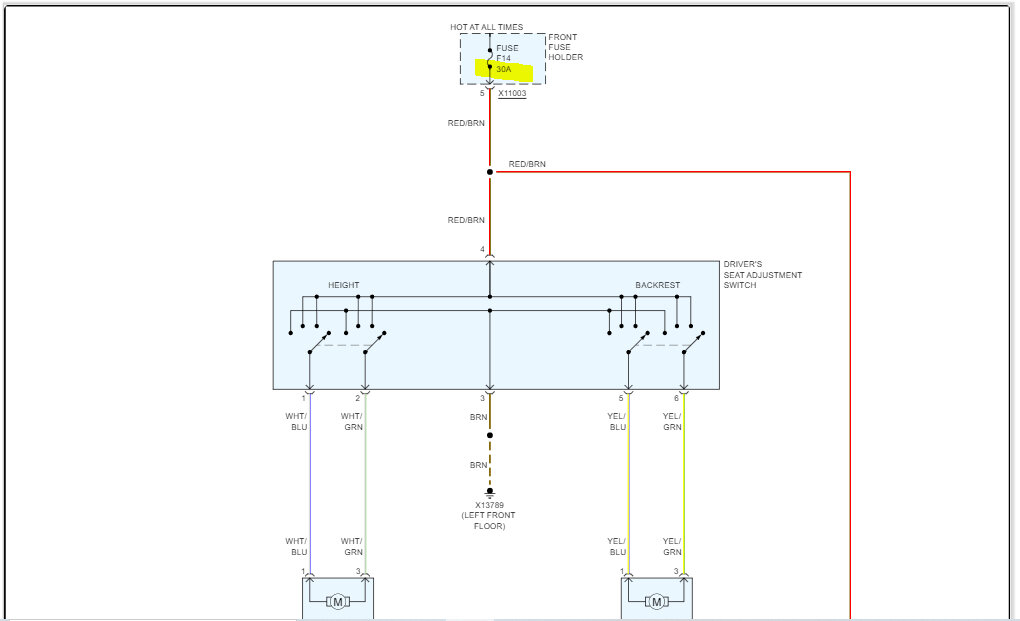
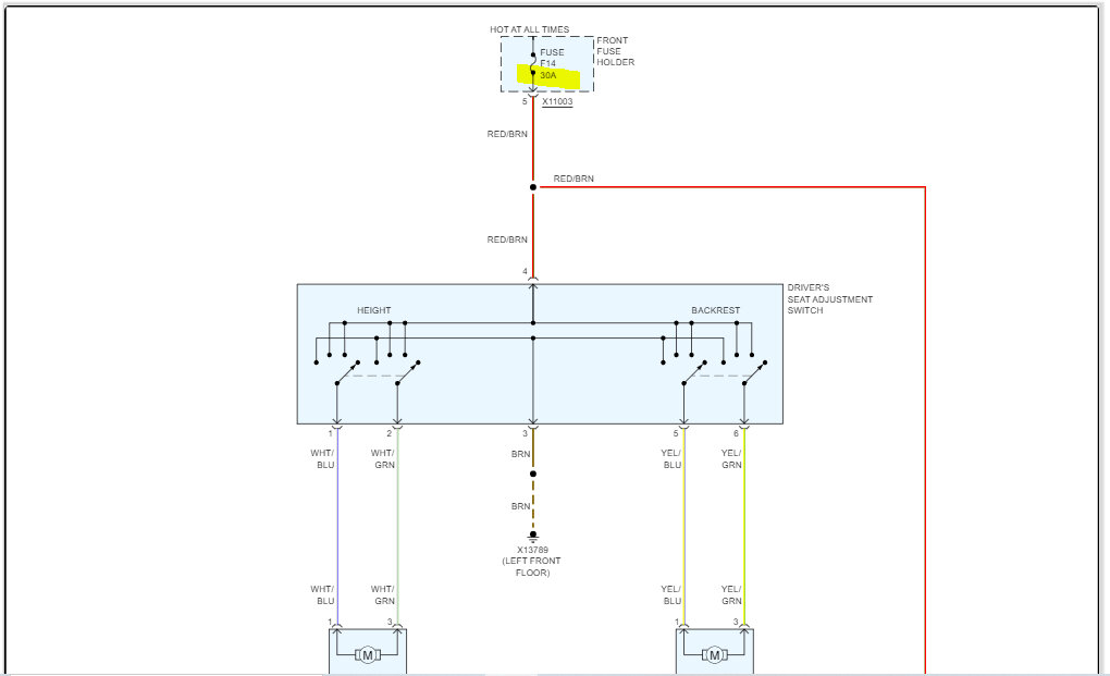
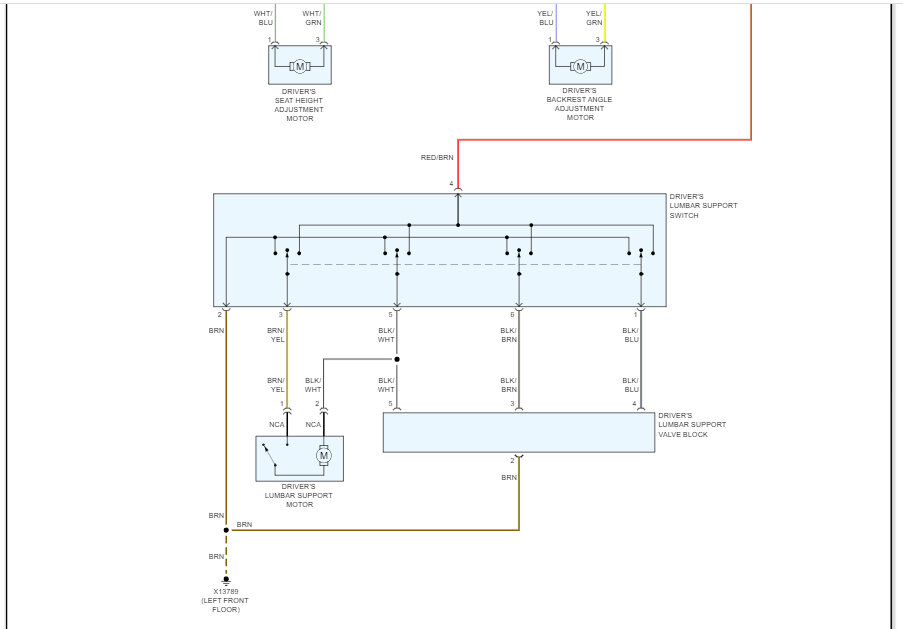
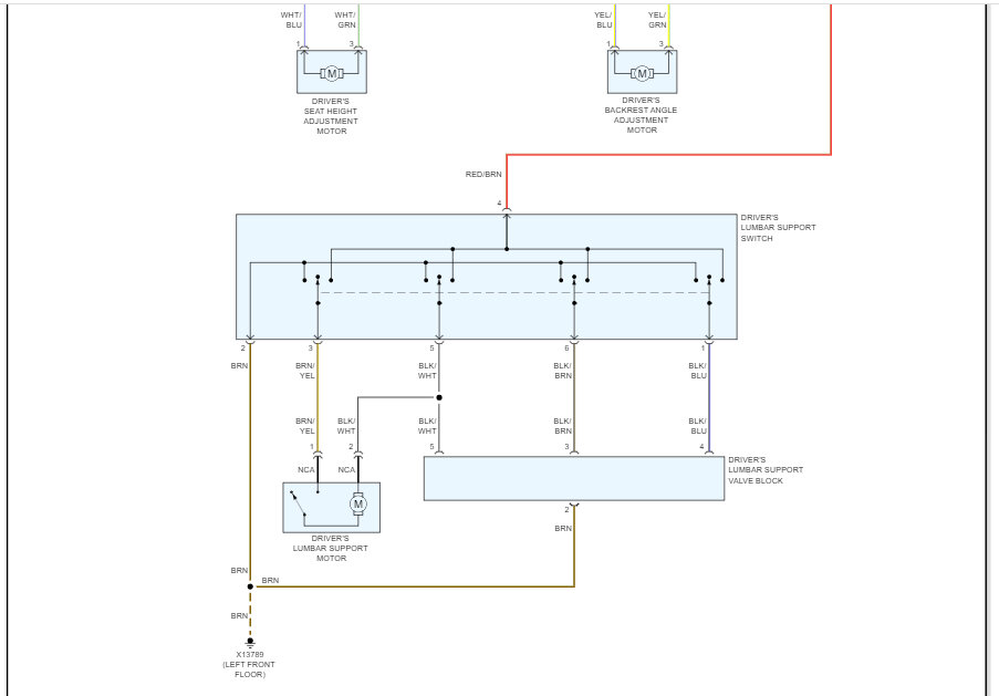
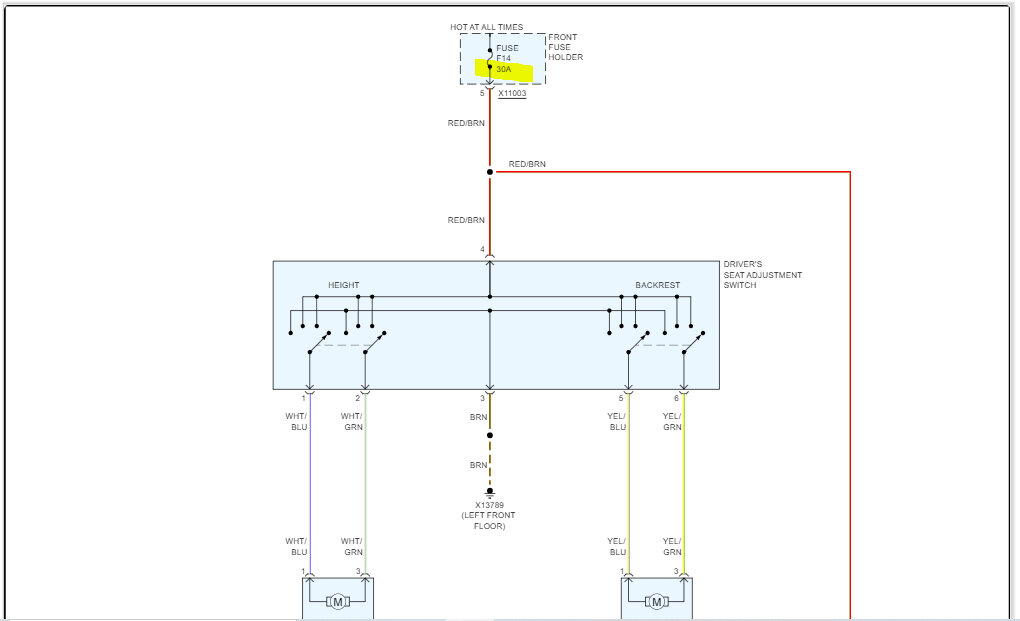
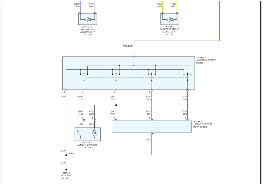
I'm not working on a car. Rather I'm making a recliner from a 2006 550i seat. My problem is I don't have a schematic or know what the incoming wires to the seat are. The wires going into the seat are pictured below.
I need to know which wires I can ignore and what wires to power to have this seat work outside of the car. Also, what size power supply do I need?
I'm not working on a car. Rather I'm making a recliner from a 2006 550i seat. My problem is I don't have a schematic or know what the incoming wires to the seat are. The wires going into the seat are pictured below.
I need to know which wires I can ignore and what wires to power to have this seat work outside of the car. Also, what size power supply do I need?
May 11, 2023 at 1:53 PM





