I currently have an issue with my vehicle listed above. I will explain everything in detail about what I’ve done.
Sometimes when driving to high RPM on the Highway the battery light comes on and off really fast. Soon after, it will start to stutter and lose power to where I need to pull over and turn off the car and turn it back on. The check engine light doesn’t come on Until the next time it stutters and loses power.
When the check engine light comes on, I immediately check codes and it’s always Misfire on Cylinder 2. Sometimes it will be 2 and 3, but mainly 1.
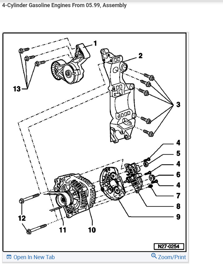
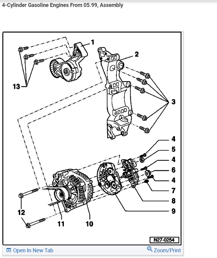
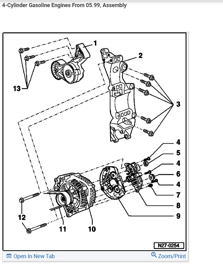
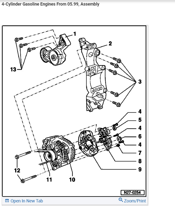
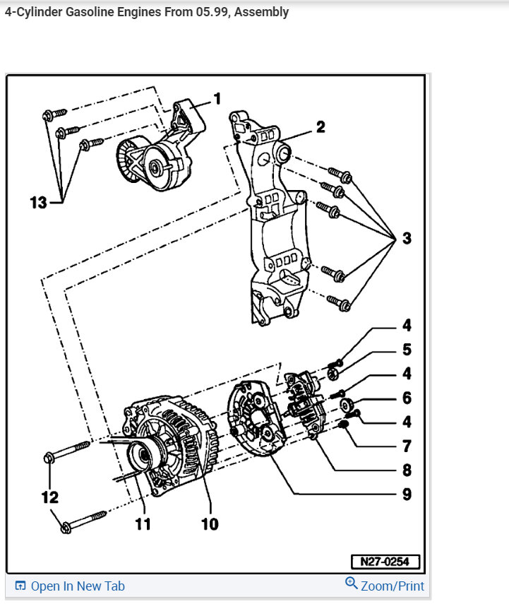
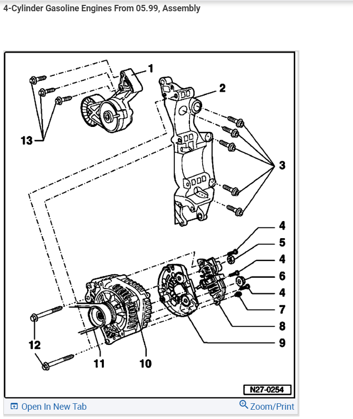
I have changed all three spark plugs and cleaned all ground/power wires. I have tested the Alternator, belt & tensioner. Alternator puts out 13.8V with no Accessories on and 13.5-13.6 with everything on. I mean Hazards, Lights, Storm Light, Radio and Blower.
Funny thing is, it doesn’t stutter when doing all this. Now I left it running for 10 minutes at idle and I was curious if the ECM had any codes... So I hooked up my scanner and Boom Cylinder 3 misfire. Now this was only at Idle, I didn’t rev it or anything. What could be causing this? I’m out of ideas. Battery tested good. 558CCA/600CCA and Alternator is doing its job.
No signs of a vacuum leak and the coil packs seem fine.
Monday, May 8th, 2023 AT 1:11 AM


