Sunday, August 4th, 2019 AT 8:20 AM
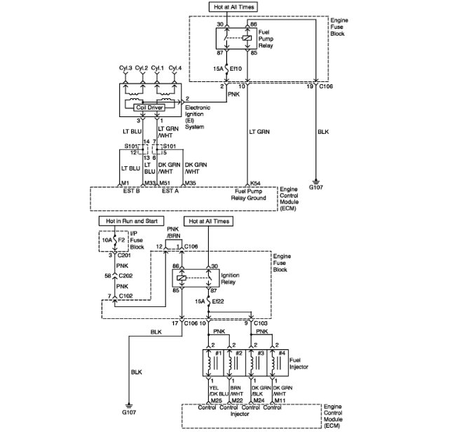
We had some trouble where it seemed to be shifting weird like it just didn't want to go. Shut the car off and after a bit it was fine. Mechanic said the transmission needed to be reset. Before we could get it in to that my daughter was driving and it shook for a second and seemed weird so we parked it. Codes read multiple misfired and cam shaft sensor. Started with the cam shaft sensor. Took a bit to get it to start. When it did the check engine light keeps flashing and something still doesn't seem right. Any suggestions on what to try next?









