Misfire on cylinder number two?

Tiny
BHAMDOC1973
  • MEMBER
  • 2013 HONDA ACCORD
  • V6
  • 2WD
  • AUTOMATIC
  • 180,000 MILES
On cyl 2, I assume this is the one in the back, in the middle?
If it is I switched it with 3 and nothing changed. Ill check spark plug, are there any TSB on these for common issues?
Wednesday, March 1st, 2023 AT 5:53 PM

21 Replies

Tiny
BHAMDOC1973
  • MEMBER
  • 2,018 POSTS
Switched plugs, they don't look so good but I still have the misfire on cyl 2.
Was this
answer
helpful?
Yes
No
Wednesday, March 1st, 2023 AT 6:24 PM
Tiny
BHAMDOC1973
  • MEMBER
  • 2,018 POSTS
Did a compression sometimes was 90, others 30, other 110, pulled valve cover, one side of the rocker arms is loose on that cylinder and has a lot of fuel in there on the valves, so I cleaned out the fuel. Is it possible the fuel created a bore wash and lowered compression? Maybe a leaky injector? How do I determine if it is an injector issue before putting everything back? But as u see in the video the intake part I think is very loose while all others are tight, hoping that created the mess. Also, when I lifted the intake, that cylinder bore was only one with a bit of smoke coming out of it may because it's not fully closed or open.
Was this
answer
helpful?
Yes
No
Thursday, March 2nd, 2023 AT 8:28 AM
Tiny
BHAMDOC1973
  • MEMBER
  • 2,018 POSTS
Can you find out for me what the clearance is on exhaust and intake? Also, I can't see the lobes, so do I make sure the cylinder is TDC?
Was this
answer
helpful?
Yes
No
Thursday, March 2nd, 2023 AT 8:46 AM
Tiny
BHAMDOC1973
  • MEMBER
  • 2,018 POSTS
Can you see this picture and tell me if this is normal? The distance between the parts in the middle is not same as the other cylinders.
Was this
answer
helpful?
Yes
No
Thursday, March 2nd, 2023 AT 9:17 AM
Tiny
BHAMDOC1973
  • MEMBER
  • 2,018 POSTS
Just had someone start it for me, what the heck, the middle part does not even move. I tightened it a bit after I saw its loose, but even if, doesn't make sense, how is it possible they are not moving?
Was this
answer
helpful?
Yes
No
Thursday, March 2nd, 2023 AT 5:15 PM
Tiny
BHAMDOC1973
  • MEMBER
  • 2,018 POSTS
Video attached.
Was this
answer
helpful?
Yes
No
Thursday, March 2nd, 2023 AT 5:18 PM
Tiny
JACOBANDNICKOLAS
  • MECHANIC
  • 110,194 POSTS
Hi,

I watched the videos. Which part isn't moving in the last video? Also, you certainly have cylinder wash if too much raw fuel gets into a cylinder. That will lower the compression.

The compression readings above are all over the place. The loose rocker arm you showed in one of the first videos will not cause low compression. If it was too tight, it could keep the valve open or if the valve is stuck partially open, it can cause the rocker to be loose.

Do you have a spark plug removed in the last video? Also, did you try a wet compression test? If you look below, the minimum acceptable compression should be above 134.8 PSI with a maximum variation of 29 PSI. We are way outside of those readings.

Let me know.

Joe
Was this
answer
helpful?
Yes
No
Thursday, March 2nd, 2023 AT 8:02 PM
Tiny
BHAMDOC1973
  • MEMBER
  • 2,018 POSTS
Did you not see the middle rocker arm nor moving in the last video?
Was this
answer
helpful?
Yes
No
Friday, March 3rd, 2023 AT 5:41 AM
Tiny
BHAMDOC1973
  • MEMBER
  • 2,018 POSTS
Do you know how to go about the stuck pin here? Thats what someone is telling me, maybe a stuck pin, part of the VCM system.
Was this
answer
helpful?
Yes
No
Friday, March 3rd, 2023 AT 10:31 AM
Tiny
BHAMDOC1973
  • MEMBER
  • 2,018 POSTS
Removed rocker arm bridge assembly, middle one, one of the spring pistons is stuck inside the rocker arm rather than being in the side arm. I am hoping this is why it's not moving.
Was this
answer
helpful?
Yes
No
Friday, March 3rd, 2023 AT 5:26 PM
Tiny
JACOBANDNICKOLAS
  • MECHANIC
  • 110,194 POSTS
Hi,

That sounds like the issue. I rewatched the video and still don't see what you are referring to. However, I am half blind.

Are you able to repair/replace the spring? It would make sense that would prevent it from moving.

Let me know.

Joe
Was this
answer
helpful?
Yes
No
Friday, March 3rd, 2023 AT 7:58 PM
Tiny
BHAMDOC1973
  • MEMBER
  • 2,018 POSTS
Look how both the right and left arms are moving and pushing the valves to open, while the one in the middle is stationary.
Was this
answer
helpful?
Yes
No
Saturday, March 4th, 2023 AT 4:26 AM
Tiny
BHAMDOC1973
  • MEMBER
  • 2,018 POSTS
Do you have an expanded view of how the rocker arms, springs, piston cals are all put together? I can't find it anywhere, I can't even find a new assembly to purchase.
Was this
answer
helpful?
Yes
No
Saturday, March 4th, 2023 AT 5:56 AM
Tiny
JACOBANDNICKOLAS
  • MECHANIC
  • 110,194 POSTS
Hi,

I found as many as I could and attached them below. Let me know if they help.

Also, let me know if there is anything I can do to help.

Take care,

Joe

See pics below.
Was this
answer
helpful?
Yes
No
Sunday, March 5th, 2023 AT 8:06 PM
Tiny
BHAMDOC1973
  • MEMBER
  • 2,018 POSTS
Yes, the pictures before last are the ones, problem is they using many different sizes so hard to tell which goes a way C what a design, and when you put together a set you have to make sure the set on the other side, the exhaust is in place at same time, very frustrating. Thanks though.
Was this
answer
helpful?
Yes
No
Monday, March 6th, 2023 AT 4:33 AM
Tiny
JACOBANDNICKOLAS
  • MECHANIC
  • 110,194 POSTS
Hi,

Timing it can be a problem. There is a tool that holds the cams in place while you put things together.

If you have the chance, let me know how it turns out or if there is anything I can do to help.

Take care,

Joe
Was this
answer
helpful?
Yes
No
Monday, March 6th, 2023 AT 6:55 PM
Tiny
BHAMDOC1973
  • MEMBER
  • 2,018 POSTS
I will be replacing the motor. Don't want to take a chance on another head, timing, etc, as that cylinder can be damaged, they are not expensive.
Was this
answer
helpful?
Yes
No
Saturday, March 11th, 2023 AT 4:13 AM
Tiny
JACOBANDNICKOLAS
  • MECHANIC
  • 110,194 POSTS
Hi,

Sometimes that is the best option. As far as the replacement, I don't know if you plan to do it yourself or not, so I attached the directions below.

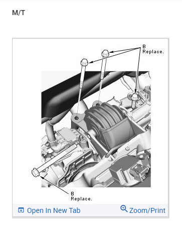
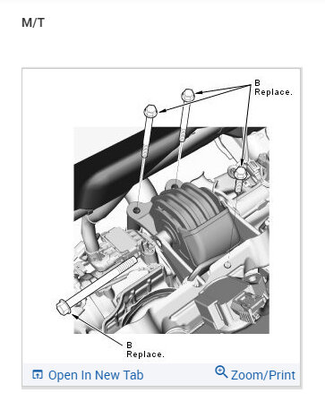
Take a look through the removal and replacement directions and let me know if you have questions.

Note: The directions explain the procedure using a lift. If you don't have access to one, it will make it a little more difficult because the engine and trans come out through the bottom of the vehicle.

Take care and let me know if I can help in any way.

Joe

See pics below.
Was this
answer
helpful?
Yes
No
Saturday, March 11th, 2023 AT 6:58 PM
Tiny
BHAMDOC1973
  • MEMBER
  • 2,018 POSTS
I have worked on BMWs, Audis and Benz for years, never seen such procedure before. This is insane, special tools right and left, all of this to have them come out of the bottom, ugh. I am not sure I want to invest in these special tools and the cradle part as well just to do that. Let me think on it.
Was this
answer
helpful?
Yes
No
Sunday, March 12th, 2023 AT 6:41 AM
Tiny
BHAMDOC1973
  • MEMBER
  • 2,018 POSTS
I have these. Isn't removing the engine and transmission from below as well as cradle going to shift the balance for the car that is on the lift as its very light on front now.
Was this
answer
helpful?
Yes
No
Sunday, March 12th, 2023 AT 7:09 AM

Please login or register to post a reply.