Mirrors and windows are not working

Tiny
DIVIDES
  • MEMBER
  • 2008 BMW 328
  • 6 CYL
  • TURBO
  • 2WD
  • AUTOMATIC
  • 183,000 MILES
None of the windows work from main switch or from their own switch, neither mirror moves.
Turn signals work
Sunroof works
Radio works
Lights work
Any ideas?
Thursday, October 28th, 2021 AT 5:55 PM

10 Replies

Tiny
JACOBANDNICKOLAS
  • MECHANIC
  • 110,194 POSTS
Hi,

Sorry for the delay. I just saw this now. As far as the windows and mirrors, there could be an issue related to the footwell module or the junction box itself.

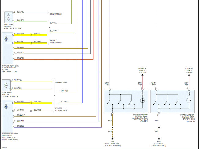
If you look at the pics below, I attached the wiring schematics for the circuit. First, check the fuses I highlighted in the pic. In addition to checking fuses, confirm there is power to and from them. Here is a link you may find helpful:

https://www.2carpros.com/articles/how-to-check-a-car-fuse

Let me know what you find.

Joe

See pics below. Note: I had to cut the schematics in half to make them readable for you. I did overlap them so you can follow from one to the next.
Was this
answer
helpful?
Yes
No
Friday, October 29th, 2021 AT 8:25 PM
Tiny
DIVIDES
  • MEMBER
  • 954 POSTS
One if the windows work ls from its switch.
Was this
answer
helpful?
Yes
No
Saturday, October 30th, 2021 AT 5:29 AM
Tiny
DIVIDES
  • MEMBER
  • 954 POSTS
No fuse in 86, put one in there and there is power, no change though, a place for a small 5amp fuse.
No fuse in 84, put one in there but the probe only shows 0. Online diagram shows it as 30amp.
41 is good
81 is good
Was this
answer
helpful?
Yes
No
Saturday, October 30th, 2021 AT 4:16 PM
Tiny
DIVIDES
  • MEMBER
  • 954 POSTS
These diagrams say wires to window motors, am I not supposed to check wires to the switches first instead if removing all door panels?
Was this
answer
helpful?
Yes
No
Saturday, October 30th, 2021 AT 4:17 PM
Tiny
DIVIDES
  • MEMBER
  • 954 POSTS
This is why, I guess. Felt something shaking inside it.
Was this
answer
helpful?
Yes
No
Saturday, October 30th, 2021 AT 4:33 PM
Tiny
JACOBANDNICKOLAS
  • MECHANIC
  • 110,194 POSTS
Hi,

I just saw your replies now. And it certainly appears you found the problem. Something shorted. Are you able to get a replacement part?

Joe
Was this
answer
helpful?
Yes
No
Saturday, October 30th, 2021 AT 9:35 PM
Tiny
DIVIDES
  • MEMBER
  • 954 POSTS
Yes, I ordered one.
Was this
answer
helpful?
Yes
No
Sunday, October 31st, 2021 AT 5:29 AM
Tiny
JACOBANDNICKOLAS
  • MECHANIC
  • 110,194 POSTS
If you have a chance, let me know if it takes care of the problems.

Take care,

Joe
Was this
answer
helpful?
Yes
No
Sunday, October 31st, 2021 AT 6:14 PM
Tiny
DIVIDES
  • MEMBER
  • 954 POSTS
Switch has taken care of the windows and mirrors problem. Thanks
Was this
answer
helpful?
Yes
No
Tuesday, November 2nd, 2021 AT 12:51 PM
Tiny
JACOBANDNICKOLAS
  • MECHANIC
  • 110,194 POSTS
Thanks for the update. I'm glad you got it taken care of.

Please feel free to come back anytime in the future if you have questions or need help.

Take care of yourself,

Joe
Was this
answer
helpful?
Yes
No
Tuesday, November 2nd, 2021 AT 5:21 PM

Please login or register to post a reply.