Electrical problem
2005 Mercury Villager 6 cyl Automatic 60000 miles
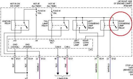
Please need help, directionals stopped working on right side of car, checked fues, and bulb both good, at a dead end can you help. Thanks
2005 Mercury Villager 6 cyl Automatic 60000 miles
Please need help, directionals stopped working on right side of car, checked fues, and bulb both good, at a dead end can you help. Thanks
Mar 22, 2009 at 4:56 AM
