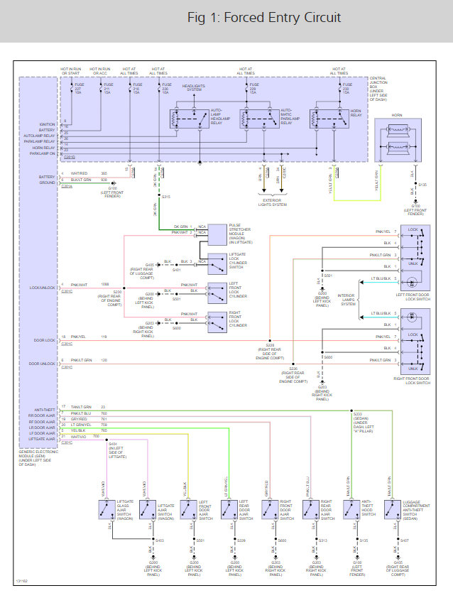
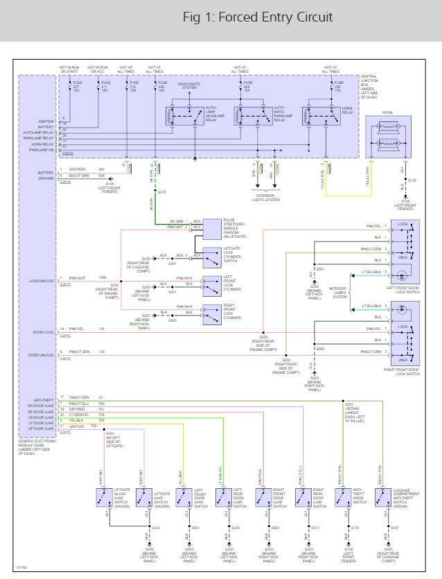
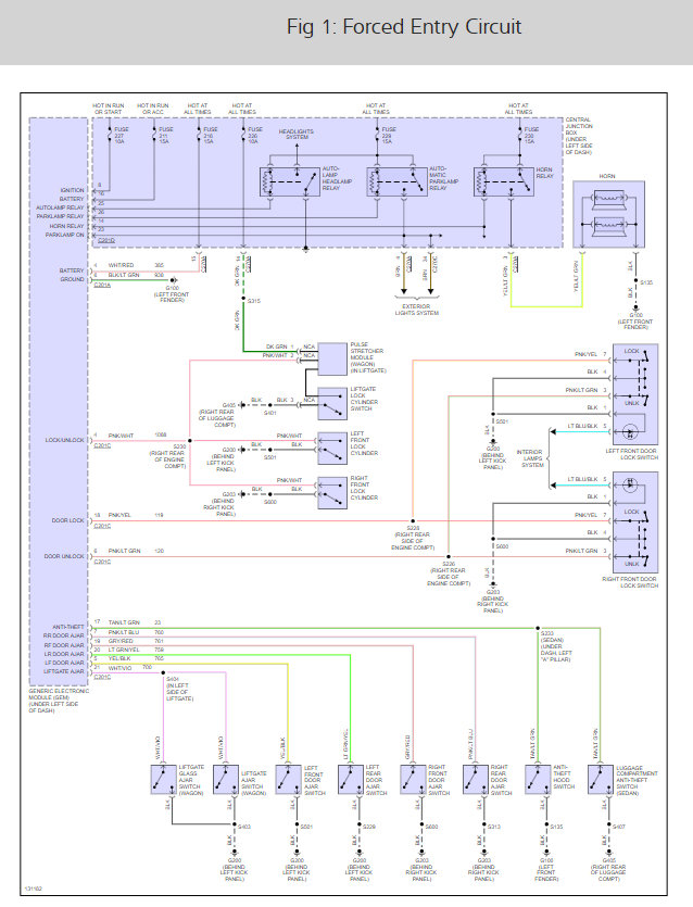
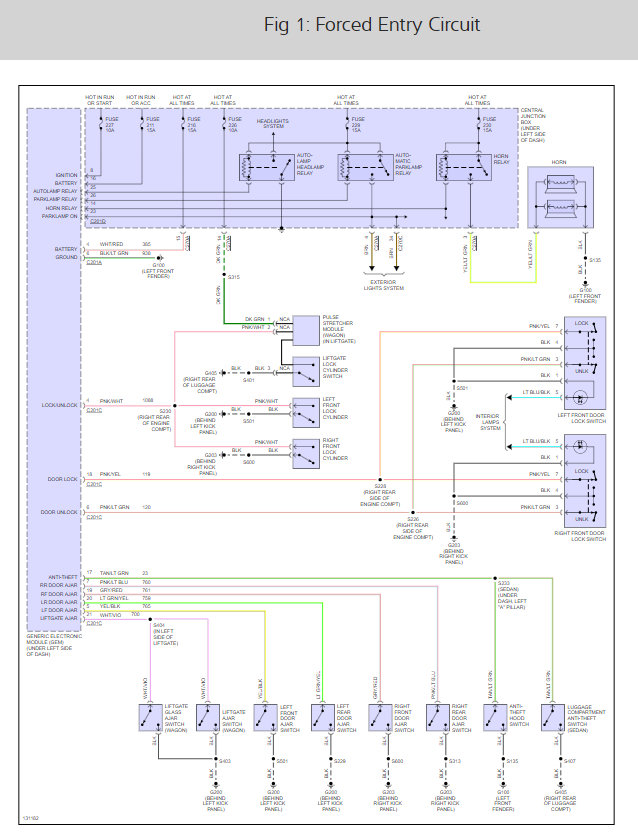
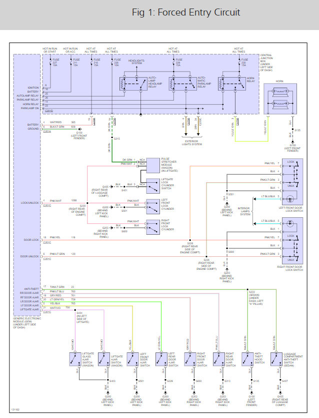
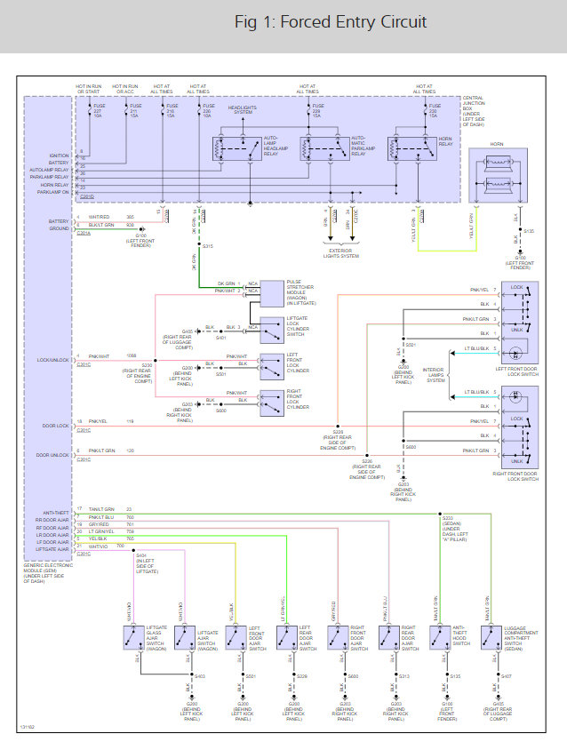
The panic alarm goes off at random on the sable. Especially in cold and wet, is there a specific fuse I can pull to turn off the panic capability, or another way to disable it? I don't want to have to go to a mechanic to repair it, I just want my neighbors to not be bothered by a random beeping of the horn.
Nov 24, 2008 at 11:19 PM


