Alternator not charging

Tiny
JDL
  • MECHANIC
  • 16,098 POSTS
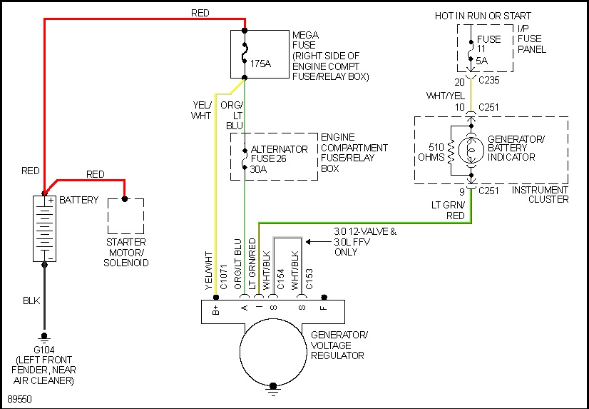
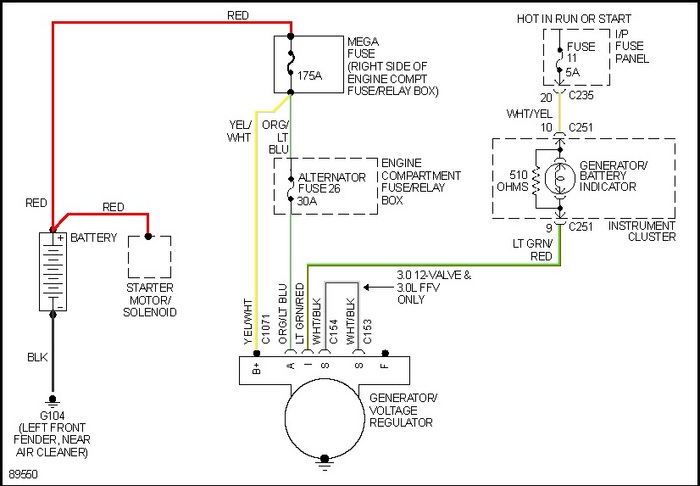
Charging system wiring, below.
Was this
answer
helpful?
Yes
No
Sunday, November 26th, 2017 AT 8:07 PM (Merged)
Tiny
KHLOW2008
  • MECHANIC
  • 41,814 POSTS
Yes, that indicates the charging system is at fault.

Have you confirmed the crankpully is good?
Was this
answer
helpful?
Yes
No
+1
Sunday, November 26th, 2017 AT 8:07 PM (Merged)
Tiny
OLDHAMD
  • MEMBER
  • 4 POSTS
Started car and no voltage on the I terminal
Was this
answer
helpful?
Yes
No
-1
Sunday, November 26th, 2017 AT 8:07 PM (Merged)
Tiny
DSQUARE63
  • MEMBER
  • 9 POSTS
No I havent what just runn it and give it a visiual inspection spining
Was this
answer
helpful?
Yes
No
+1
Sunday, November 26th, 2017 AT 8:07 PM (Merged)
Tiny
JDL
  • MECHANIC
  • 16,098 POSTS
There may be a problem with indicator lite or wiring. The info shows a resistor to bypass the lite incase the lite-bulb vibrates out socket, or goes out. Does the charge lite on the dash work?

I've seen diagrams like this before, with the bypass, generator would not charge unless lite was fixed.
Was this
answer
helpful?
Yes
No
Sunday, November 26th, 2017 AT 8:07 PM (Merged)
Tiny
DSQUARE63
  • MEMBER
  • 9 POSTS
Pully looks good some body told me the positive starter wire could b the prob 2 but that doesnt sound right
Was this
answer
helpful?
Yes
No
+2
Sunday, November 26th, 2017 AT 8:07 PM (Merged)
Tiny
OLDHAMD
  • MEMBER
  • 4 POSTS
The light does not come on. It came on originally when I had low voltage on the bad alternator. I replaced the alternator and the light went out. I assumed it was because I fixed the problem. According to the owners manual the light should come on briefly when the key is turned to the on position. It does not! Is there a fuse I should be looking for to replace?
Was this
answer
helpful?
Yes
No
-1
Sunday, November 26th, 2017 AT 8:07 PM (Merged)
Tiny
ALEXISNVANESSA
  • MEMBER
  • 1 POST
  • 1997 MERCURY SABLE
  • 6 CYL
  • 2WD
  • AUTOMATIC
  • 134,000 MILES
Engine Mechanical problem
1997 Mercury Sable 6 cyl Two Wheel Drive Automatic 134000 miles

Put new alternator and new battery but alternator fails to charge battery. Tested alternator wires at alternator and all were good. Checked the output with a voltmeter at battery, numbers started at about 14.2 and continued lowering. Wondering if the ecm completes the charging system or if for any reason could be the problem.
Was this
answer
helpful?
Yes
No
Sunday, November 26th, 2017 AT 8:07 PM (Merged)
Tiny
CARADIODOC
  • MECHANIC
  • 34,462 POSTS
The voltage regulator controls charging rate. It's bolted to the back of the alternator. If you look at it, you will see the four mounting bolts, and two more in between them. One might have a plastic cap on it. The other one is labeled "ground here to test. Let the engine idle, and ground that terminal. Watch the charging voltage at the battery and at the output wire. If they go up a bunch, say to 15 - 18 volts, the regulator is suspect.

Caradiodoc
Was this
answer
helpful?
Yes
No
Sunday, November 26th, 2017 AT 8:07 PM (Merged)
Tiny
KHLOW2008
  • MECHANIC
  • 41,814 POSTS
Pully might look good but you need to confirm it is good. Looking does not confirm it is good as it can be deceptive.

Use marker to make a mark on outer ring of pulley an another near centeral ring and note if the outer ring moves away from the mark when engine is running.

" yes the light is on with key and runnin. Both wires are hot. And the voltage on all those questions is not running it is about 12.4 when you start it drops to about 10.6 and as it runs it drops"

One of your reply mentioned this. The drop to 10.6 vlots, whare was it measured, between battery post? Was the voltage between the alternator main post and ground tested?

Starter cable is not involved unless alternator main wire is joined from there.
Was this
answer
helpful?
Yes
No
+1
Sunday, November 26th, 2017 AT 8:07 PM (Merged)
Tiny
JDL
  • MECHANIC
  • 16,098 POSTS
The fuse is in the diagram, goes hot/voltage with key on. If fuse is ok, use voltage tester at fuse leg, where the fuse plugs in.
Was this
answer
helpful?
Yes
No
Sunday, November 26th, 2017 AT 8:07 PM (Merged)
Tiny
DSQUARE63
  • MEMBER
  • 9 POSTS
It is the same at battery and on back of alternator
Was this
answer
helpful?
Yes
No
Sunday, November 26th, 2017 AT 8:07 PM (Merged)
Tiny
OLDHAMD
  • MEMBER
  • 4 POSTS
You are the man! Replaced the fuse and alternator is charging the battery to 14.25 v

Thanks a lot.
Was this
answer
helpful?
Yes
No
Sunday, November 26th, 2017 AT 8:07 PM (Merged)
Tiny
KHLOW2008
  • MECHANIC
  • 41,814 POSTS
Either the alternator or pulley is bad.
Was this
answer
helpful?
Yes
No
+1
Sunday, November 26th, 2017 AT 8:07 PM (Merged)
Tiny
JDL
  • MECHANIC
  • 16,098 POSTS
Glad you got it going your way. Hope the fuse doesn't blow again? Maybe it was the old generator that caused it to blow?
Was this
answer
helpful?
Yes
No
Sunday, November 26th, 2017 AT 8:07 PM (Merged)
Tiny
DSQUARE63
  • MEMBER
  • 9 POSTS
Put marks all over pully they all stayed lined up I pulled the tree prong plug on back of alternator voltage stayed same at battery and touched the prongs in alternator with test light nothing then the plug the orange with a blue stripe barley light test light the other two nothing I did all that with car running on all my test the voltage at battery and at alternator have been the same
Was this
answer
helpful?
Yes
No
Sunday, November 26th, 2017 AT 8:07 PM (Merged)
Tiny
KHLOW2008
  • MECHANIC
  • 41,814 POSTS
The Orange/Light Blue wire should have battery voltage. With engine off, unplug the alternator and test the Orange/Light Blue wire. If voltage is not avaliable or not battery voltage, check the voltage at alternator fuse # 26 in engine compartment fuse and relay box.

If battery voltage is available, check for poor continuity between fuse and alternator.

Try applying battery voltage to Orange/Light Blue wire and test if charging is as desired.
Was this
answer
helpful?
Yes
No
Sunday, November 26th, 2017 AT 8:07 PM (Merged)
Tiny
TRAE83
  • MEMBER
  • 2 POSTS
  • 1997 MERCURY SABLE
  • 177,000 MILES
My car suddenly stopped on the freeway now it won't hold a charge. What problem causes this to happen?
Was this
answer
helpful?
Yes
No
Sunday, November 26th, 2017 AT 8:07 PM (Merged)
Tiny
RASMATAZ
  • MECHANIC
  • 75,992 POSTS
Have both battery and alternator load tested-start here
Was this
answer
helpful?
Yes
No
Sunday, November 26th, 2017 AT 8:07 PM (Merged)
Tiny
94_DEVILLE
  • MEMBER
  • 6 POSTS
My battery and alternator were tested. Its a rebuild though. I have also replaced the pulleys and belt. Everything is all on correctly. Something is just causing my car to die. It runs fine for a day or two after the repair but if I let the car sit then it dies.
Was this
answer
helpful?
Yes
No
Sunday, November 26th, 2017 AT 8:07 PM (Merged)

Please login or register to post a reply.