My brake lights stopped working last night ?

1998 MERCURY SABLE
130,000 MILES • 6 CYL • 2WD • AUTOMATIC
Avatar
BIGJER70
  • MEMBER
  • 1 POST
My brake lights stopped working last night and at that point the car would no longer shift out of park when the car is started. There is a switch clipped to the brake pedal (white switch attached to a small plunger going into a small white box that has an attaching black wire ) that seems to control when the brake lights activate. What is this switch and can it affect the shift in someway whereas if the brake lights are not activated, prevention of shifting out of park occurs?
Oct 4, 2008 at 9:02 AM
Repair Safety Notice: This information is for general instructional purposes only. Vehicle repair can be dangerous. Verify all information, follow manufacturer service procedures, use proper tools and safety equipment, and consult a qualified repair shop when needed.
Advertisement
Avatar
FURFUR1804
  • MEMBER
  • 2 POSTS
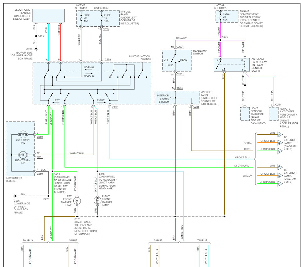
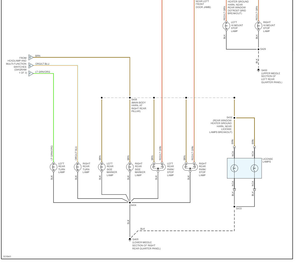
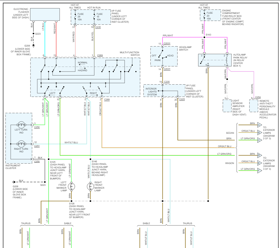
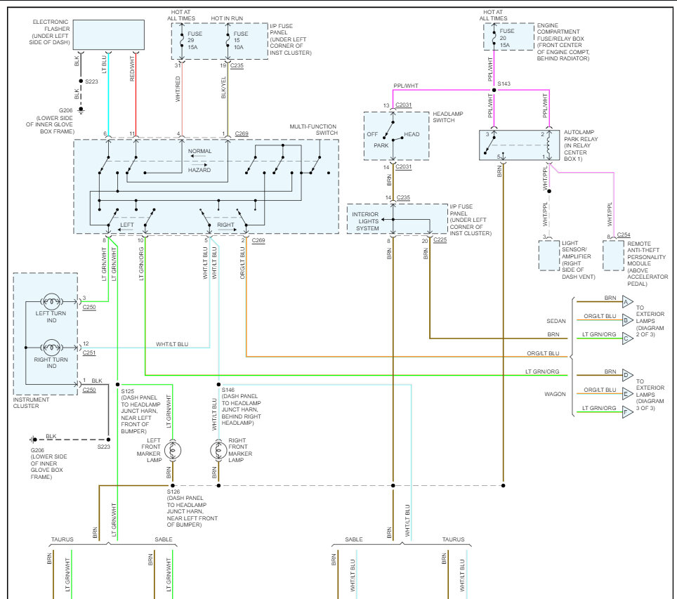
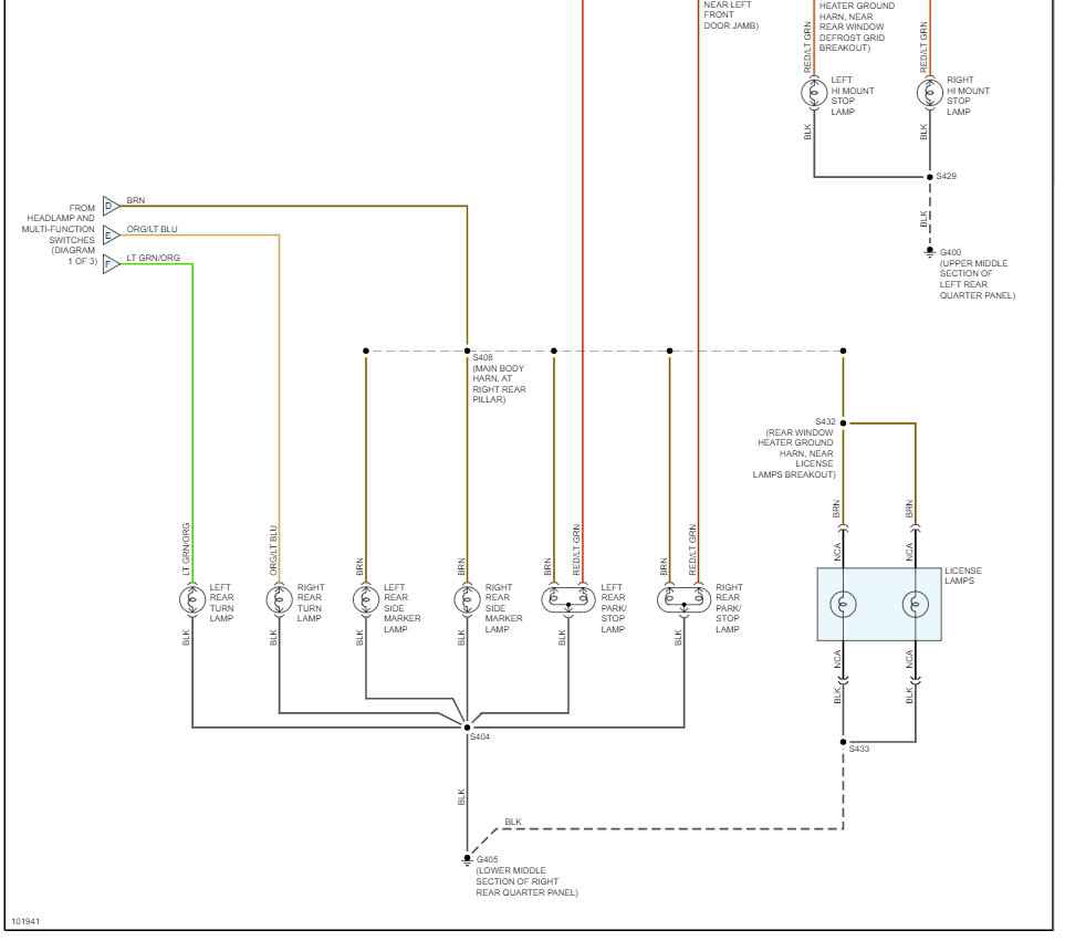
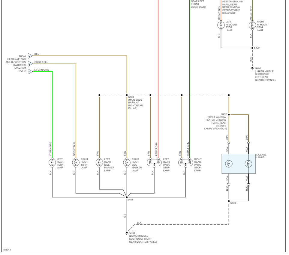
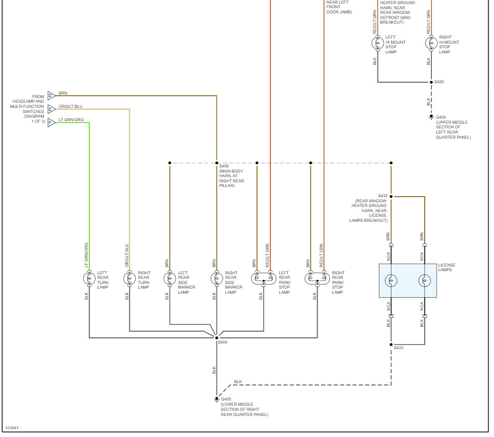
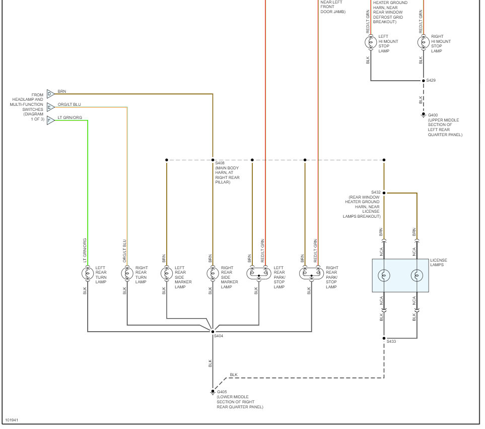
Here is the brake light wiring diagrams and a guide to help you figure out the problem,


https://www.2carpros.com/articles/brake-lights-not-working


Also check the fuse #28 in the interior fuse panel. Check out the images (Below). Please let us know what you find.
Jan 14, 2009 at 7:40 PM
Avatar
BRAVESTAR1
  • CAR REPAIR CONTRIBUTOR
  • 234 POSTS
Forget the fuse there isn't one.

The switch to which your referring is the brake switch. It is what the Mercury uses to tell the system that the brake pedal has been compressed and allows the shifter to disengage.

I actually have mine in my hand right now, as it also controls the problem with my Cruise Control not working. Currently I am looking to replace it tomorrow, as not having it working, makes the car unusuable.

When you do replace it, take a couple of pictures of how it is set up underneath on the brake pedal. If you don't have any idea how it was, it can be a pill to put back. I can tell you to pull out the green clip/pin thing, slide the white washer off, and the switch off the pedal stud, then un clip the switch from it's dongle, and make sure to save the black washer that is inside the brake plunger hole that goes to the brake piston. Having a photo of how this looked before you take it apart goes a long way towards getting it back together again in a short time.

Let me know how it goes. (Give Feedback)

Oh one other thing to note. Make sure you haven't also cut the wire(s) to the dongle that goes to the switch. I did that once, and replaced the switch for no good reason, only to find out the wire above had been clipped accidentally.
Feb 7, 2009 at 10:46 PM
Advertisement
Avatar
BRAVESTAR1
  • CAR REPAIR CONTRIBUTOR
  • 234 POSTS
As I've also found out, there are 2 switches that work in tandem with eachother. One is the plastic thing you described in your question and the other is the one that I have included a picture of.


https://images.2carpros.com/forum/automotive_pictures/180565_wl2f4843003_1.jpg

This one is available at any AutoZone for around $8.
Feb 12, 2009 at 12:50 PM