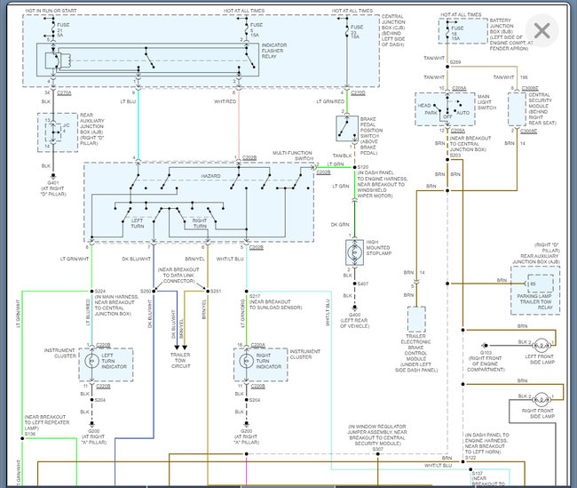
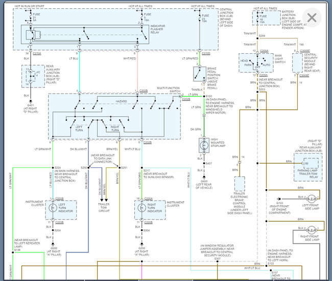
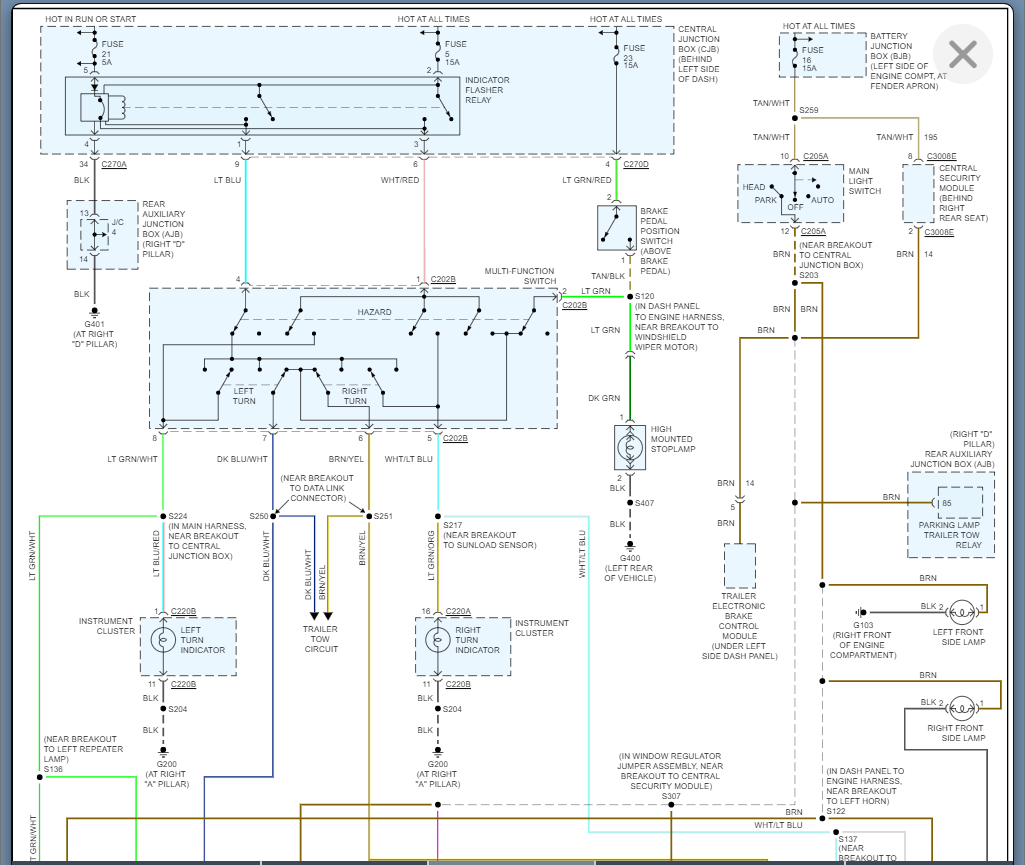
My name is Milton Smith and heres my problem. My tail light stop working, I replaced the tail lights but still not success, I replaced the fuse and they work for a while, but now it does not work, however the turn signals work, brake lights work, back up lights work etc but the tail lights and my dash board lights do not work and neither does it beeps when I open the door with the key in the ignition or informing me when the head lights is on all other interior lights work just the one where it shows speed odometer does not work
Sunday, May 24th, 2009 AT 7:28 PM



