Tuesday, June 1st, 2010 AT 4:11 PM
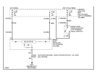
Please read the entire two part question. The Windshield Wipers, in the delay wipe and in low speed mode, didn't work, but the high speed setting dose. So, I checked all the fuses for a blown one. I didn't find any under the dash blown, so I checked the ones under the hood. I still didn't find any blower fuses. Then a bit later, when I tried to drive the car, the column gear shift would not allow me to shift out of park. I tried several times, making sure I had my foot on the brake peddle, but it stayed locked in the park position. Any thoughts on why the fuse checking would or could cause the gear shift problem?



