1997 Mercedes Benz S420 Two Wheel Drive Automatic 92505 miles
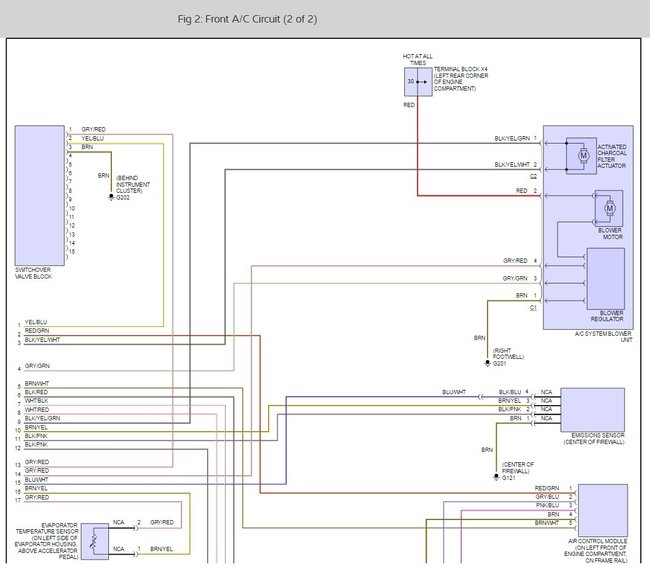
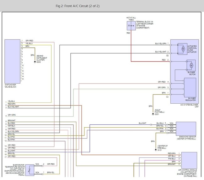
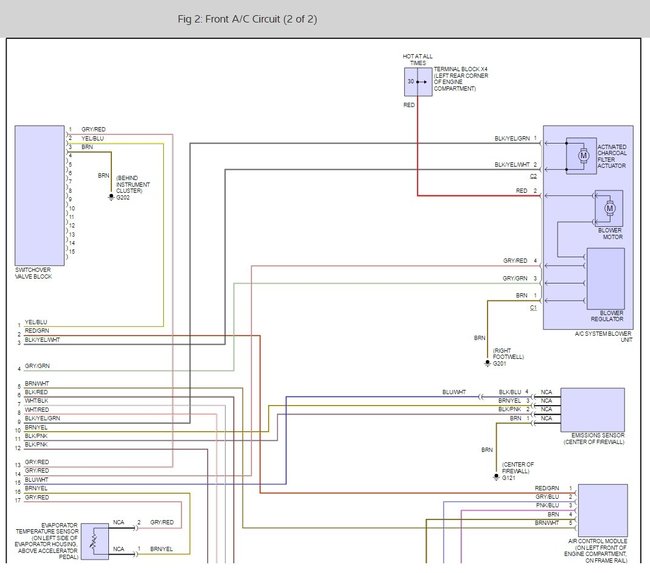
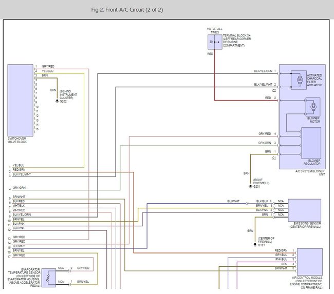
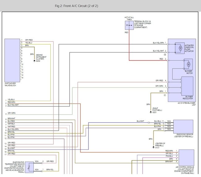
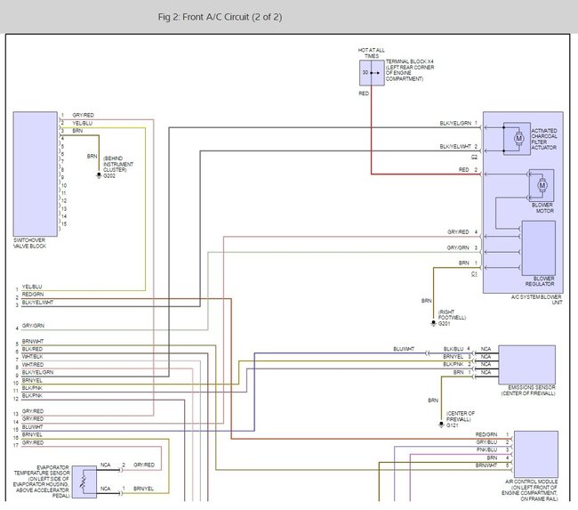
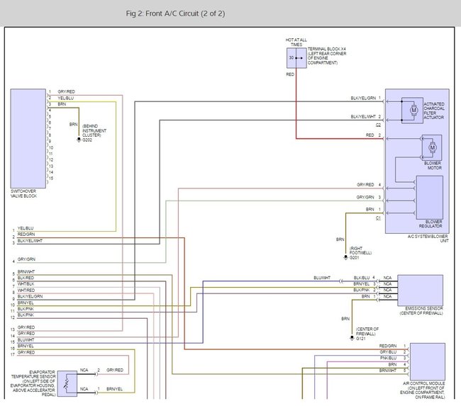
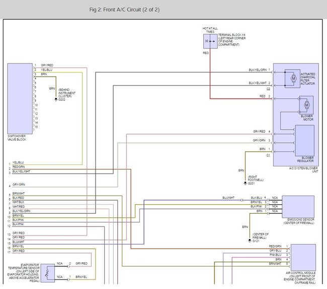
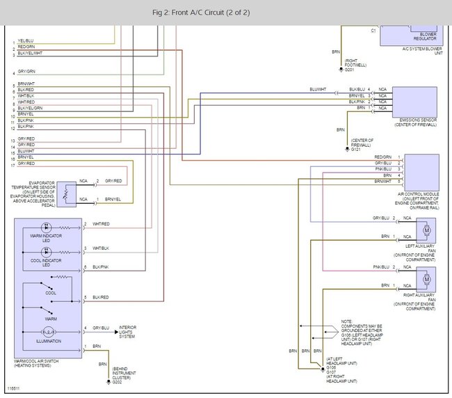
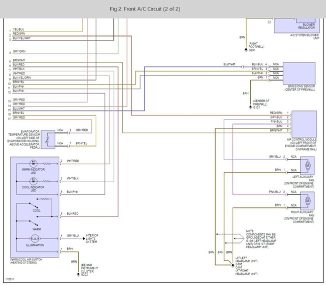
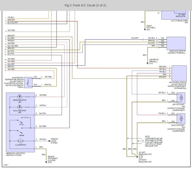
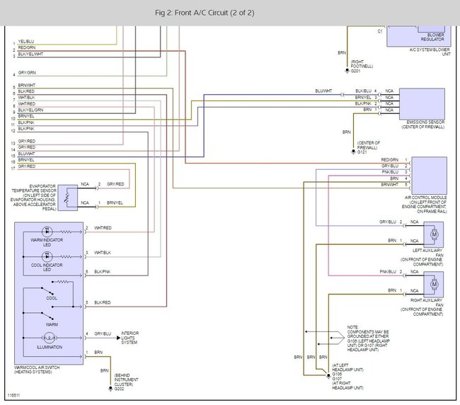
I'M TOLD THAT I HAVE A BAD BLOWER RELAY PART NUMBER BEHR90341GKR I NEED TO KNOW WHERE IT'S LOCATED IN MY CAR. THANKS IN ADVANCE FOR ANY HELP YOU CAN OFFER. THE BLOWER MOTOR DOES NOT WORK AT ALL SO PERHAPS I WAS WRONG ON THE NAME OF THE PART. LETS GO WITH THE LOCATION OF THE RESISTOR, OR SWITCH AS I THINK THAT'S PROBABLY MY PROBLEM. THANKS AGAIN FOR YOUR HELP. DEACO
Thursday, September 2nd, 2010 AT 10:19 PM




