HOME
ASK A QUESTION
REPAIR GUIDES
BECOME A MEMBER
LOG IN
Login with Facebook
OR
Remember me
NOT A MEMBER?
FORGOT PASSWORD?
CONTACT US
PRIVACY POLICY
TERMS AND CONDITIONS
☰
Home
Mercedes Benz
E320
Interior
Dashboard
Light
Mercedes Benz E320 2003
KAREN D TRIPP
MEMBER
2002 MERCEDES BENZ E320
6 CYL
AUTOMATIC
87,000 MILES
Wipers don't work, dash light don't come on, radio doesn't come on, where are the fuses/ and relays located
Thursday, September 8th, 2016 AT 5:07 PM
1 Reply
KEN L
MASTER CERTIFIED MECHANIC
54,610 POSTS
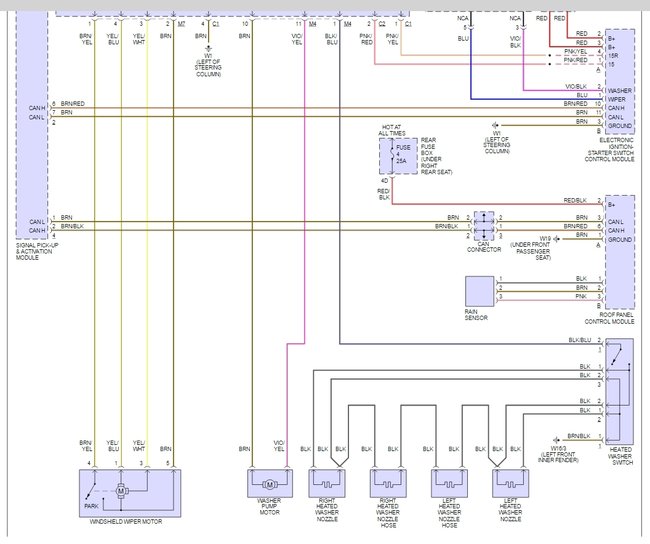
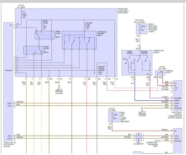
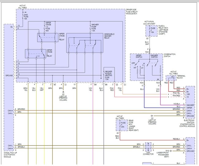
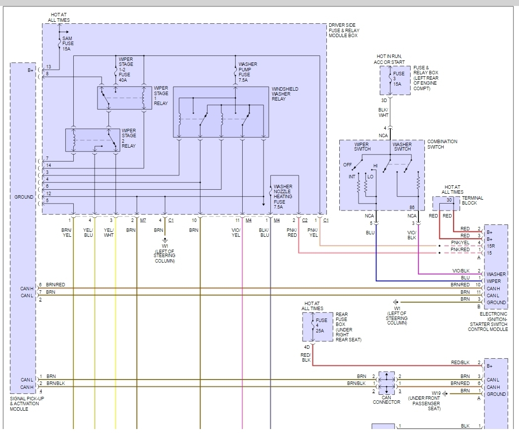
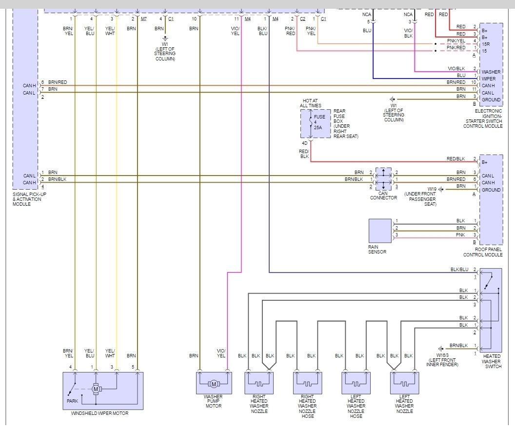
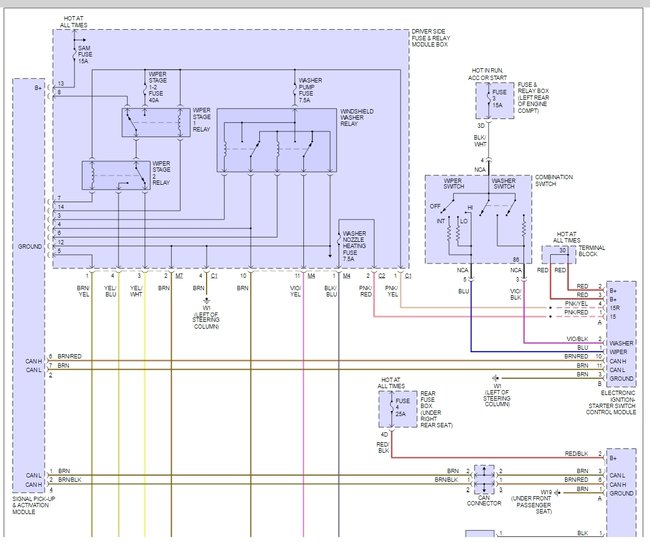
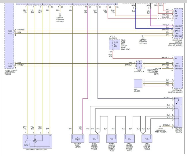
They are under the hood, here is a couple of diagrams that should help you.
Please let us know what you find so it will help others.
Best, Ken
Images (Click to make bigger)
Was this
answer
helpful?
Yes
No
Wednesday, September 14th, 2016 AT 7:31 PM
Please
login
or
register
to post a reply.
Related Dashboard Light Content
Lost Of Sound System
What Cause's Message Display ( Battery Protection Convience Functions Temporariliy Unavailable)
Asked by
Caljoy
·
3 ANSWERS
2004
MERCEDES BENZ E320
2004 Mercedes Benz 320e Location Of The Radio
Where Is The Portion Of The Radio Which Is In The Trunk? Is It Next To The Dvd Slot? I.E. Behind The Panel Behind The Left Wheel Accessed...
Asked by
sharris778
·
1 ANSWER
2004
MERCEDES BENZ E320
2005 Mercedes Benz E320
Where Is The Charcoal Cabin Filter? It Is Not Under The Passenger Side Dashboard Or Behind The Glove Box !. Someone Said It Is Inside The...
Asked by
ducpham93
·
1 ANSWER
2005
MERCEDES BENZ E320
2001 Mercedes Benz E320 Sticking In Gear
Keeps Sticking In Gear, Usually But Not Always In Top. So For Example When I Come To A Junction On Setting Off Again It Hasn’t Changed...
Asked by
Bober
·
1 ANSWER
2001
MERCEDES BENZ E320
Ask a Car Question. It's Free!
Instrument Cluster Replacement
Seat Switch Replacement
Airbag Removal - Drivers Side