HOME
ASK A QUESTION
REPAIR GUIDES
BECOME A MEMBER
LOG IN
Login with Facebook
OR
Remember me
NOT A MEMBER?
FORGOT PASSWORD?
CONTACT US
PRIVACY POLICY
TERMS AND CONDITIONS
☰
Home
Mazda
Truck
Engine
Vacuum Hose Diagram
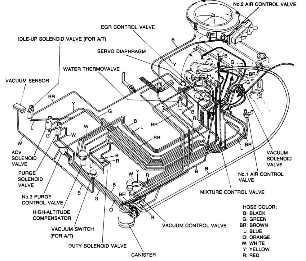
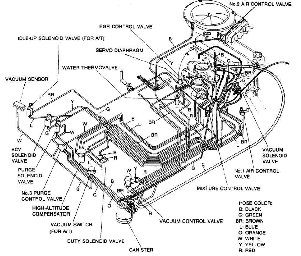
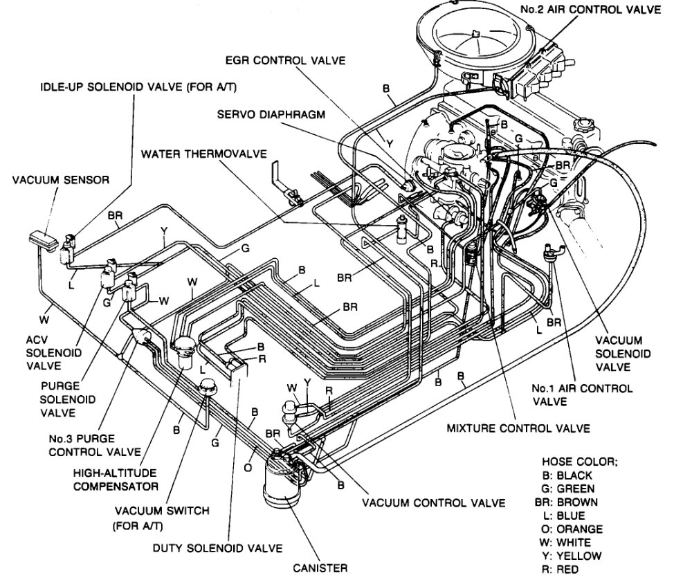
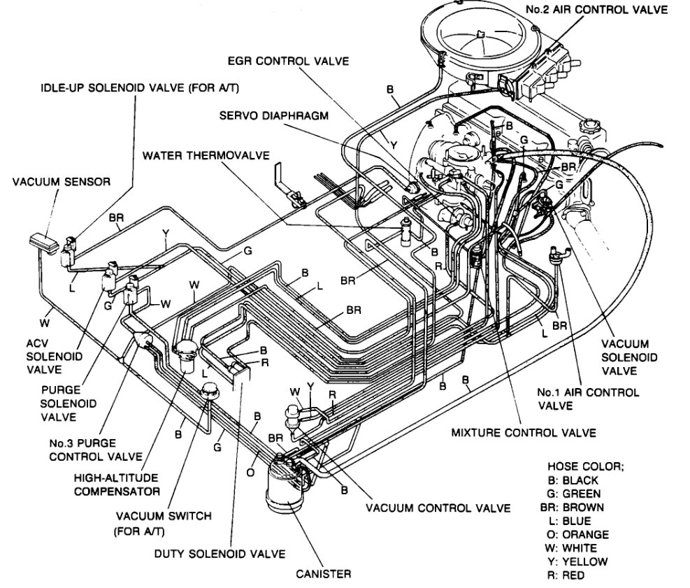
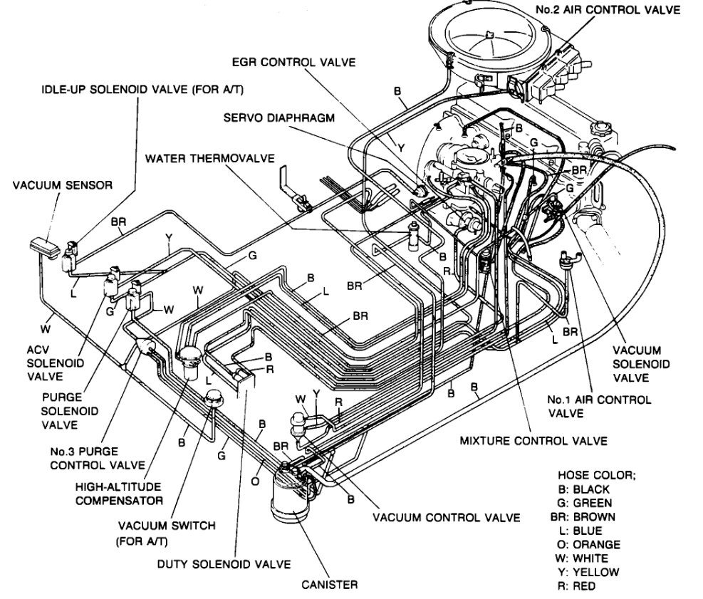
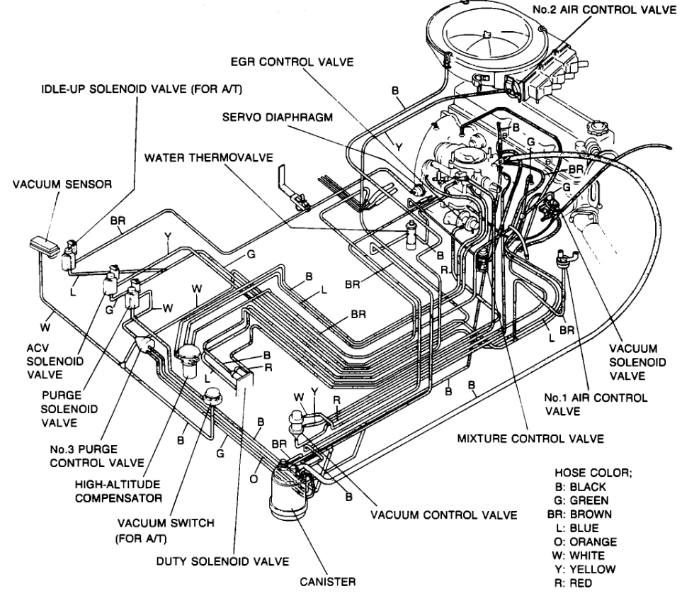
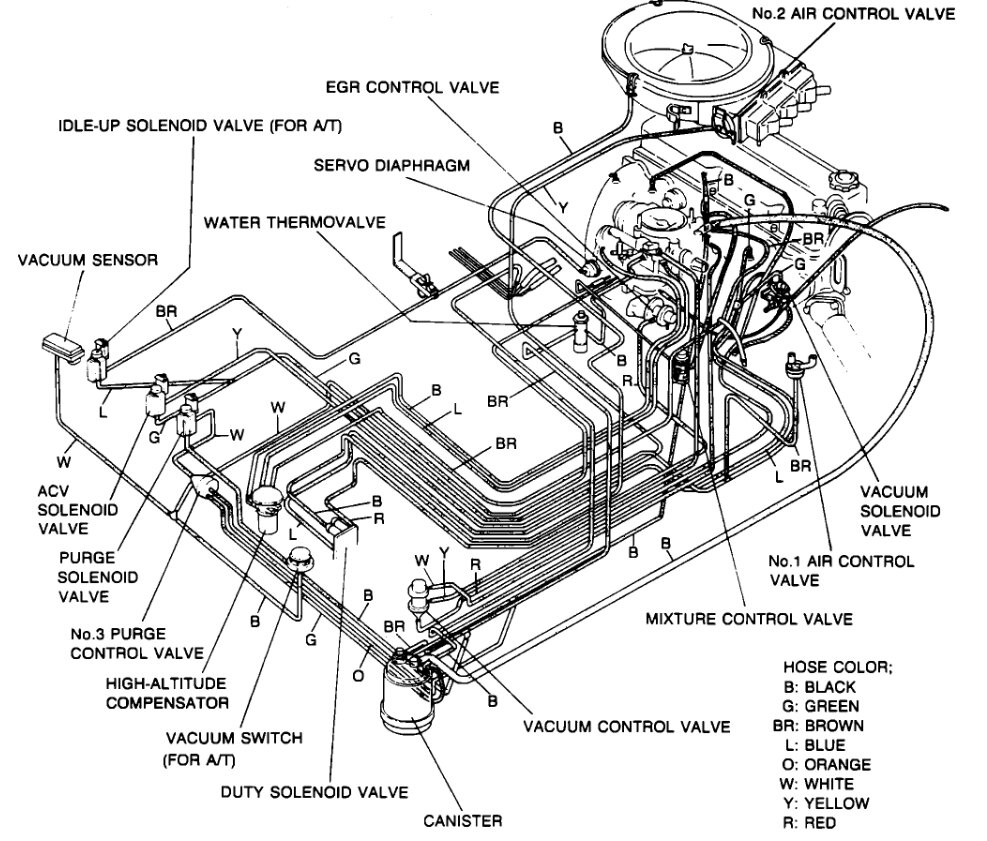
1989 Mazda Truck vacuum line diagram
MIKE HUNTER
MEMBER
1989 MAZDA TRUCK
4 CYL
2WD
MANUAL
170,000 MILES
Where can I get a vacuum line diagram for this truck? It has a 2 barrel carb
Thanks Mike
Friday, December 7th, 2007 AT 1:17 PM
1 Reply
KEN L
MASTER CERTIFIED MECHANIC
54,591 POSTS
Here is the vacuum line diagrams for the engine and emissions systems. Check out the images (below). Let us know if you need anything else.
Image (Click to make bigger)
Was this
answer
helpful?
Yes
No
Saturday, July 13th, 2024 AT 4:35 PM
Please
login
or
register
to post a reply.
Related Vacuum Hose Diagram Content
Mazda Truck Vacuum Hose Connection
Engine Performance Problem Mazda Truck 4 Cyl Two Wheel Drive Manual I Really Need Your Help! I Need A Point A To Point B On All My...
Asked by
davenwhittier
·
6 ANSWERS
MAZDA TRUCK
2002 Mazda Truck Hard Stop
A Family Member Has This Truck And Wanted To Give It To Me. They Said When You Come To A Stop It Feels As If Someone Is Rear Ending You. And...
Asked by
johnvtomey
·
3 ANSWERS
2002
MAZDA TRUCK
Mass Air Flow Sensor Wiring
I Have A 1991 Mazda B2200 2wd Manual With 63,000 Miles And Carb. Not Fuel Injected. The Maf Sensor Has Three Wires On It And I Need To Know...
Asked by
terranacrux
·
2 ANSWERS
MAZDA TRUCK
1995 Mazda Truck Timing Chain?
Truck B3000 Was Running Fine, No Noises, Problems, Etc. Sudden Rattle On Highway, We Pulled Over, It Died. Motor Is Locked, Starter...
Asked by
ddm00767
·
6 ANSWERS
1995
MAZDA TRUCK
1988 Mazda Truck Timing Belt
I Have Just Bought A Mazda Pick Up, And I Have Learned About Timing Belts And How They Could Damage The Engine, And I Know All Vehicles...
Asked by
t-bone27
·
1 ANSWER
1988
MAZDA TRUCK
VIEW MORE
Ask a Car Question. It's Free!
Vacuum Leak Test and Repair
Intermittent Misfire
How to Repair an Engine Cylinder Misfire