Power Steering Light

Tiny
VALERIECCHANEY
  • MEMBER
  • 2004 MAZDA RX8
Suspension problem 4 cyl Front Wheel Drive Automatic 98000 miles

Power steering is gone out again. Light on on dash. Replaced fuse, still having problem.
Saturday, January 17th, 2009 AT 1:07 PM

1 Reply

Tiny
KEN L
  • MASTER CERTIFIED MECHANIC
  • 55,481 POSTS
It is probably your steering unit, the motors burn up inside and it causes the unit to keep blowing fuses.

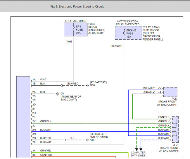
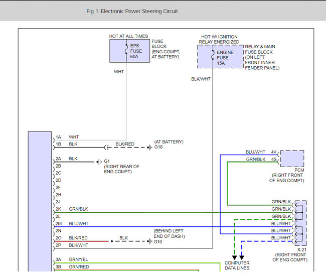
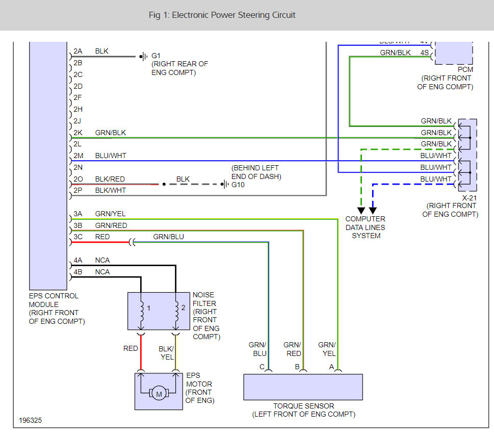
Here is a wiring diagram of the system so you can see the components and how they are wired. (Below)

Just in case though unplug the controller and see if the fuse still blows.

Here is the location

Please let us know what happens.

Cheers, Ken
Was this
answer
helpful?
Yes
No
Tuesday, October 17th, 2017 AT 6:37 PM

Please login or register to post a reply.