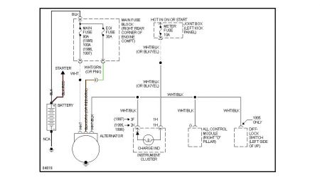
Last week the charging system light and the automatic transmission temperature light both came on at the same time while I was driving. Within two days the car was dead. We changed the battery and alternator but now, two days later both lights are on again. Anyone have ANY advice on this?
Tuesday, May 20th, 2008 AT 10:40 PM


