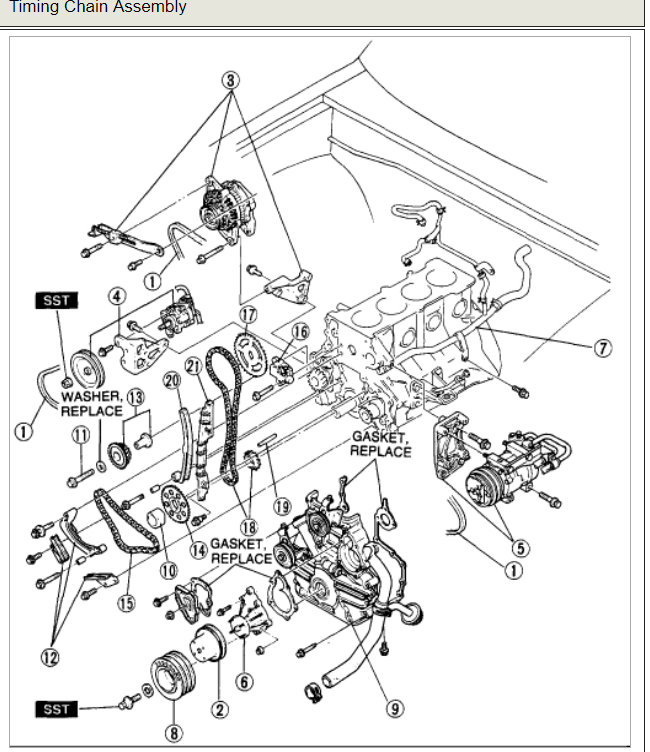
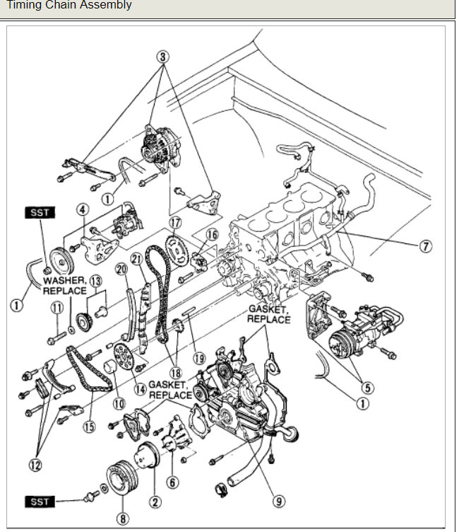
Timing marks

Tiny
JBABY4586
  • MEMBER
  • 1993 MAZDA B2600
Engine Mechanical problem 4 cyl Four Wheel Drive Manual 173000 miles

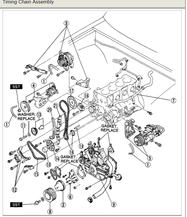
i am needing the timing marks for my 2.6l 4x4
Wednesday, September 15th, 2010 AT 8:01 PM

1 Reply

Tiny
RASMATAZ
  • MECHANIC
  • 75,992 POSTS
Hello,

Here are diagrams to help you see how to time the engine both ignition and timing and balance shaft chains.

Check out the diagrams (Below)

Please let us know if you need anything else to get the problem fixed.

Cheers
Was this
answer
helpful?
Yes
No
+2
Thursday, September 16th, 2010 AT 1:53 AM

Please login or register to post a reply.