Transmission problems

Tiny
APE1111
  • MEMBER
  • 2003 MAZDA 6
  • 4 CYL
  • 2WD
  • AUTOMATIC
  • 58,000 MILES
When I put the drive position jump the 1 to 3 and only work in 3 what is that?
Saturday, October 18th, 2008 AT 9:37 AM

1 Reply

Tiny
KEN L
  • MASTER CERTIFIED MECHANIC
  • 55,361 POSTS
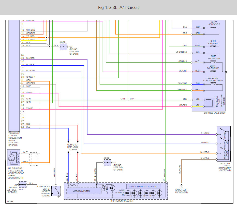
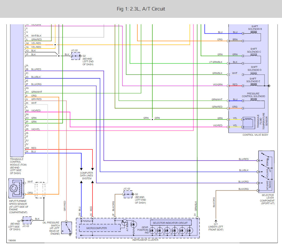
It sounds like you have a bad transmission gear range selector switch that is bad and needs to be replaced, here is a a diagrams (below) that will help you get the job done.

They call it a neutral safety switch but it does a lot more than telling when the transmission is in neutral.

To be sure though we can do some wiring tests. Here is a guide and wiring diagrams to help.

Please check the fuses as well.

https://www.2carpros.com/articles/how-to-check-a-car-fuse

and

https://www.2carpros.com/articles/how-to-use-a-test-light-circuit-tester

Please let us know what you find.

Cheers, Ken

Was this
answer
helpful?
Yes
No
Thursday, September 7th, 2017 AT 12:50 PM

Please login or register to post a reply.