Friday, January 20th, 2023 AT 3:58 PM
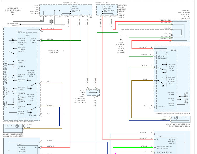
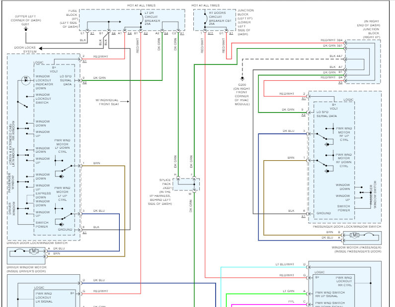
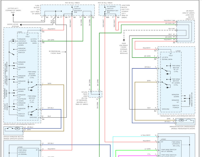
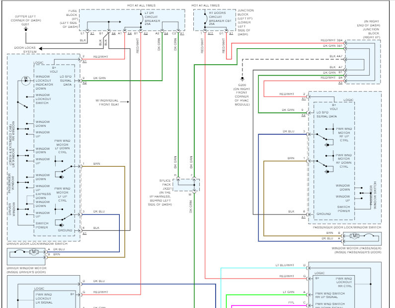
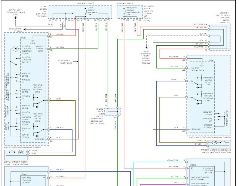
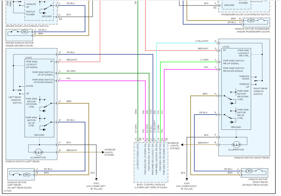
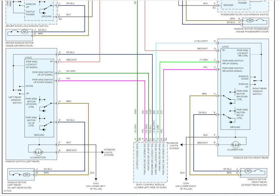
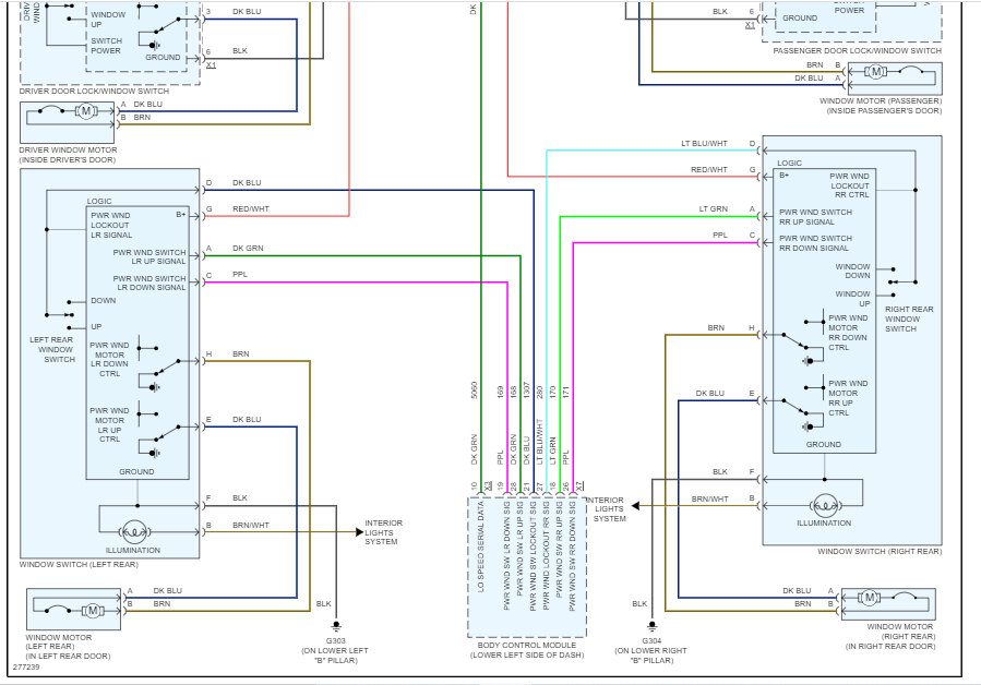
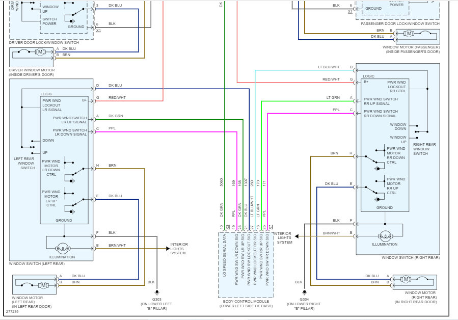
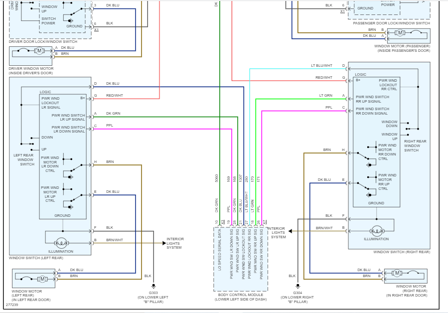
I bought a new master switch because mine burned. The side mirrors, passenger and back door windows don’t work only drivers front works. I had to change the plug and I had to splice and put new pins on. I may have switched one by accident. I am looking for the wiring diagram that goes to the plug that controls everything. There are 5 wires coming into the black plug.


