Many electrical accessories stopped working suddenly

Tiny
SGTSWAGGER
  • MEMBER
  • 2005 CHEVROLET TRAILBLAZER
  • 4.2L
  • 6 CYL
  • 4WD
  • AUTOMATIC
  • 175,000 MILES
The following electrical issues all occurred at the same time:

Both driver and passenger door lock/power window controls not working.

Accompanying lights not present for 4WD control switch/AC buttons/defroster buttons/headlight selector.
(The air buttons/selectors seem to still work and transfer case still switches between 2WD and 4WD).

Key-less entry fob doesn't work.
Tuesday, December 17th, 2019 AT 11:15 AM

3 Replies

Tiny
SGTSWAGGER
  • MEMBER
  • 2 POSTS
Back-light for dashboard gauges and the interior lights along roof also do not work. The gauges all still work, and dash coded lights like seat-belt/airbag/engine still function.
Was this
answer
helpful?
Yes
No
Wednesday, December 18th, 2019 AT 3:49 AM
Tiny
ASEMASTER6371
  • MECHANIC
  • 52,796 POSTS
Good evening,

With all those items not working, it could be an ignition switch that has failed as that is what supplies voltage to all those components.

There was a recall on these GM switches for all kinds of issues. I would call your local dealer, give them your VIN number and see if there are any open recalls on your truck.

Roy

Ignition Switch Replacement

Tools Required
J42759 Ignition Switch Connector Release Tool

Removal Procedure
1. Disconnect the negative battery cable.

2. Caution: Refer to Restraint Systems Caution in Service Precautions.

Disable the Restraint Systems. Refer to Restraint Systems Disabling and Enabling Zone 3 in Restraint Systems.
3. Remove the hush and knee bolster.
4. Remove the steering column trim covers.
5. With the key installed, turn the key to the RUN position.

ImageOpen In New TabZoom/Print

6. Install an allen wrench into the hole on top of the lock cylinder housing. Push down on the allen wrench to release the tab on the lock cylinder inside the lock cylinder housing.

ImageOpen In New TabZoom/Print

7. Slide the lock cylinder out of the lock cylinder housing.
8. Disconnect the PASSLOCK and key buzzer from the lock cylinder housing.

ImageOpen In New TabZoom/Print

9. Insert J42759 into the lock cylinder housing to release the tabs on the ignition switch.
10. Pull the ignition switch out of the lock cylinder housing.
11. Disconnect the connector from the ignition switch.

Installation Procedure

imageOpen In New TabZoom/Print

1. Important: The gears between the ignition switch and the lock cylinder housing must be in the correct position. Failure to do so will cause a misalignment of the gears in the ignition switch and the lock cylinder housing, which may result in a NO START or BATTERY DRAIN.
Was this
answer
helpful?
Yes
No
Wednesday, December 18th, 2019 AT 4:26 PM
Tiny
SCGRANTURISMO
  • MECHANIC
  • 4,897 POSTS
Hello,

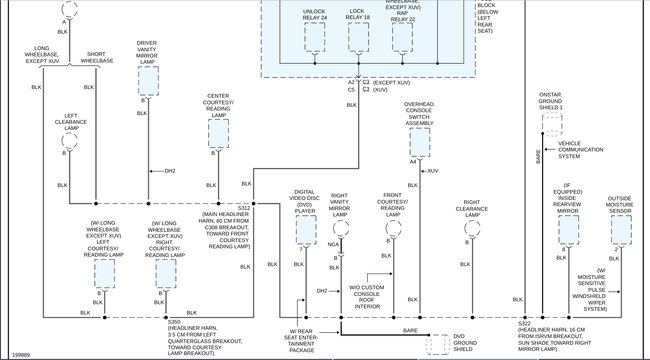
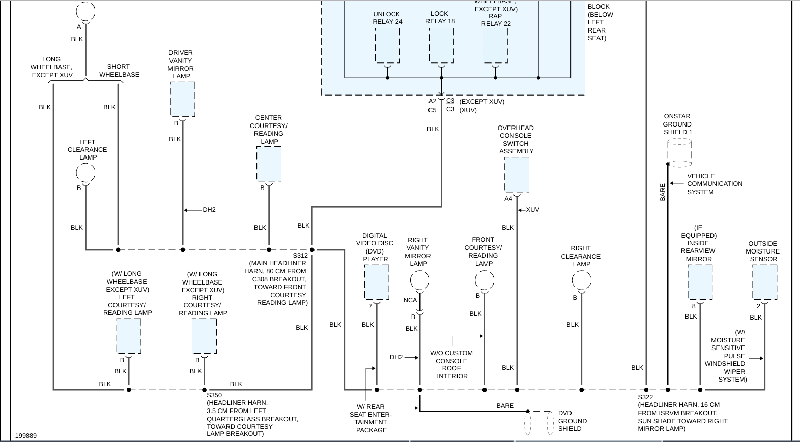
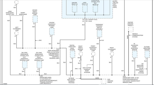
This sounds like you could have a problem with Ground #302 of your vehicle. In the diagrams down below I have included the ground distribution wiring diagram and the location of ground #302 along with wiring harness diagrams with call outs for your vehicle as well. Please use these guides and inspect ground #302 and make sure it is clean, corrosion free, and tight. Please get back to us with what you are able to find out.

Thanks,
Alex
2CarPros
Was this
answer
helpful?
Yes
No
Wednesday, December 18th, 2019 AT 4:37 PM

Please login or register to post a reply.