Main fuse for interior fuse panel

Tiny
NICK NEWMAN
  • MEMBER
  • 1999 TOYOTA CAMRY
  • 2.2L
  • 4 CYL
  • 2WD
  • AUTOMATIC
  • 189,000 MILES
I accidentally touch a wrench between the alternator positive post and my exhaust manifold. When that happened a loud thud came from driver side. Car starts and drives, but no lights work, no speedometer, no radio, no power locks or windows and no power to shift interlock, but door ajar light still comes on and overhead interior light works. I've checked multiple mini fuses and they are good. The 100 amp alternator fuse appears good. I've looked online to see what fuse connects to the fuses but can't find out what I exactly need or am looking for.
Friday, May 7th, 2021 AT 5:33 PM

3 Replies

Tiny
CARADIODOC
  • MECHANIC
  • 34,478 POSTS
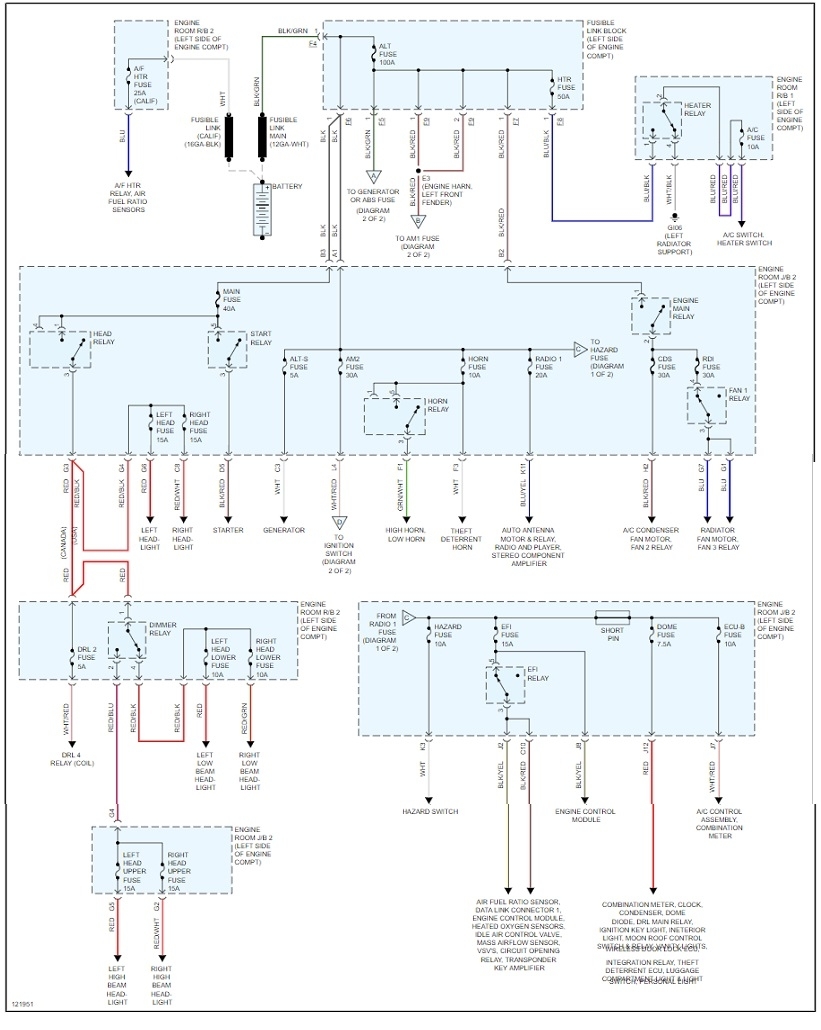
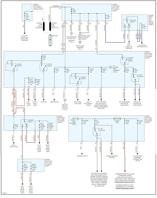
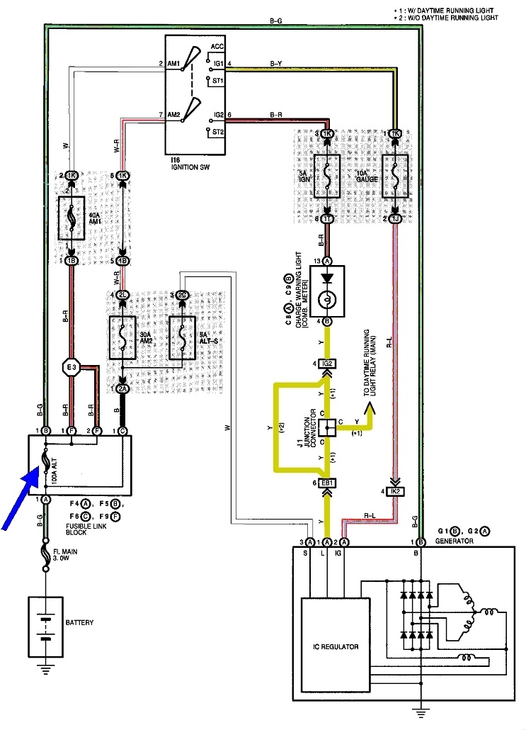
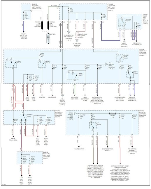
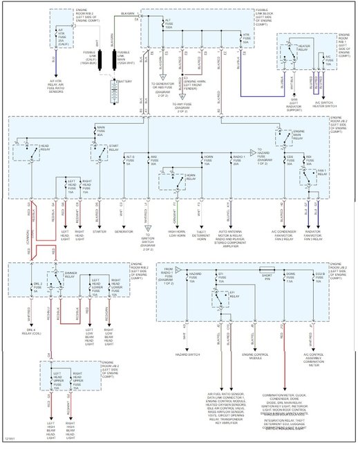
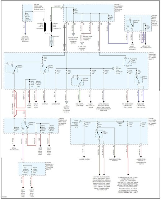
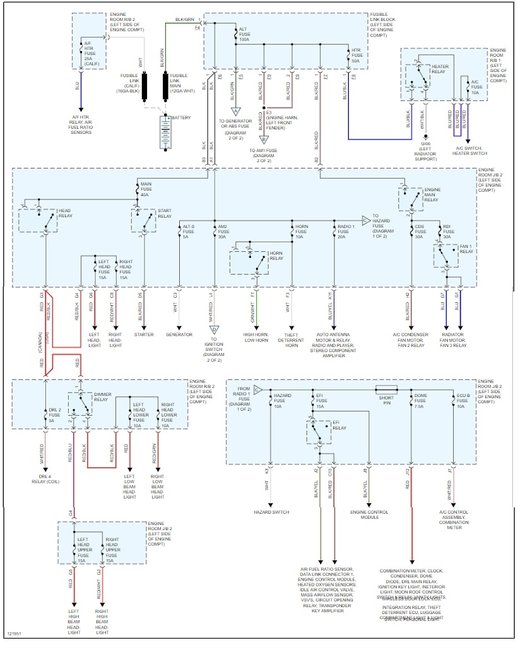
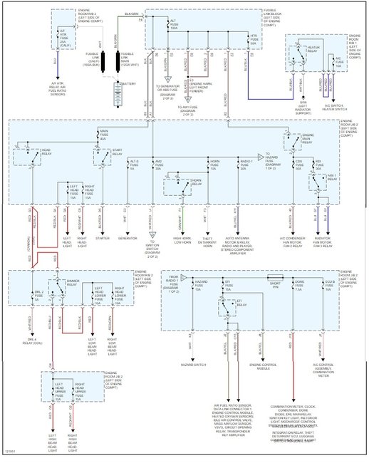
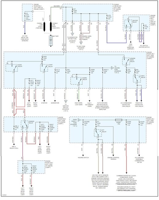
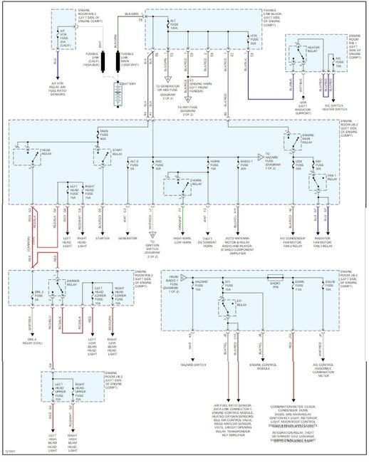
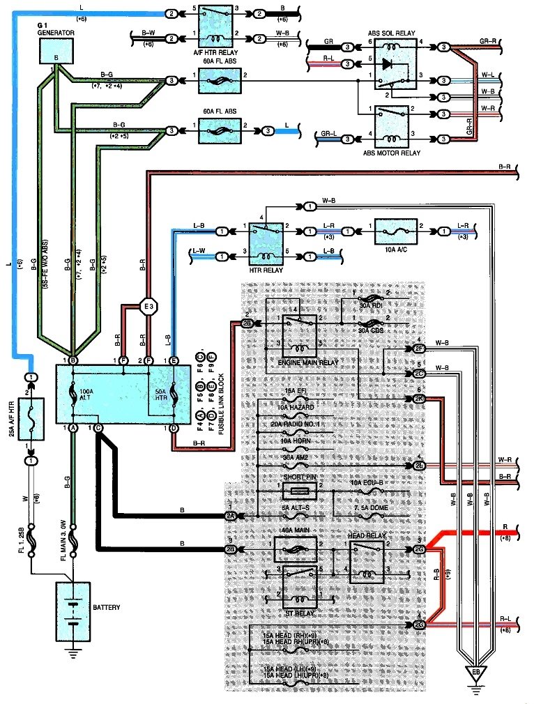
Here's the charging system diagram. I added a blue arrow to the fuse that will be blown.
Was this
answer
helpful?
Yes
No
Friday, May 7th, 2021 AT 5:45 PM
Tiny
NICK NEWMAN
  • MEMBER
  • 2 POSTS
See that's the problem I'm seeing is the fuse block appears just fine and the alternator and all is working fine. But it's the power supply to the interior gauges and all that don't have power. Now I haven't pulled that alternator fuse block just because it's a little but more work than just pull and plug in a new one. But like I said from above few of the fuse circuit there is no breakage and the car runs and drives fine. Also realized yesterday the fans for the vehicle have no power either even with them being disconnected to stay running all the time they have no power to them also.
Was this
answer
helpful?
Yes
No
Sunday, May 9th, 2021 AT 8:44 AM
Tiny
CARADIODOC
  • MECHANIC
  • 34,478 POSTS
This circuit has an unusual design characteristic. The fuse indicated is the only one that will blow when the generator's output terminal is accidentally grounded, but there is a second circuit that comes off the battery before that 100-amp fuse. And feeds the ignition switch circuits. Part of that feeds the generator's internal voltage regulator, and it feeds the dash warning light which is the "turn-on" circuit for the voltage regulator. That means even with that 100-amp fuse blown, the generator can still work once the engine is running, and it will supply all the otherwise dead circuits. Those circuits will be dead with the engine not running, but will work with the engine running. If that is what you find, to verify the 100-amp fuse is blown, check for battery voltage on the generator's output stud with the engine off. If it's missing, that fuse has to be blown. In many applications they're designed in such a way as to make simple visual observations impossible.

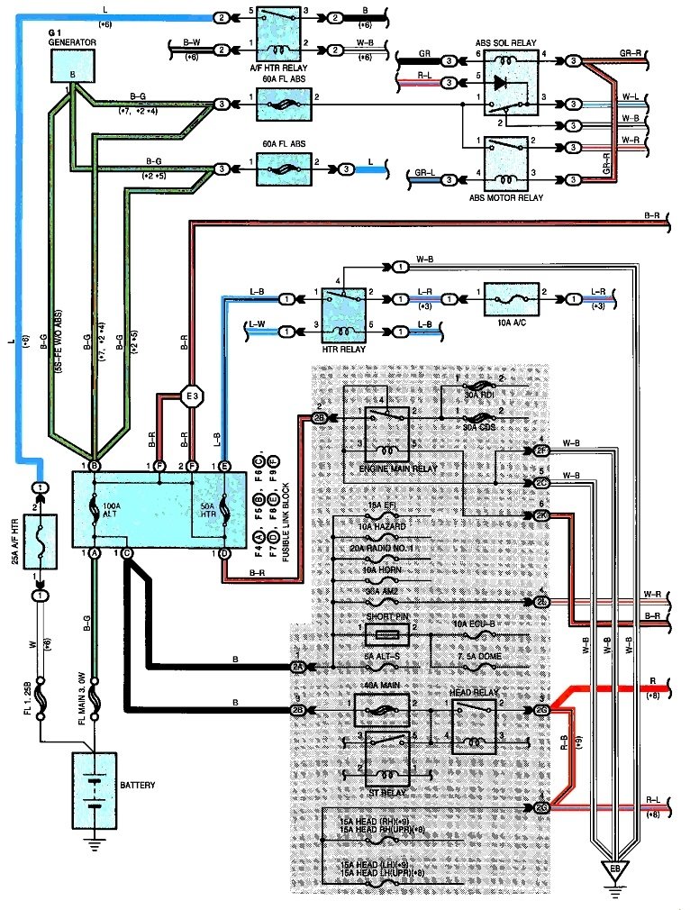
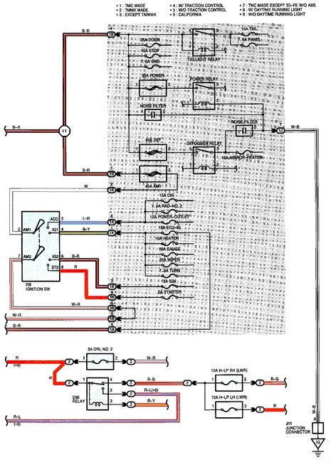
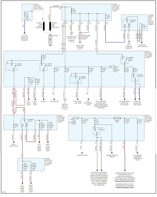
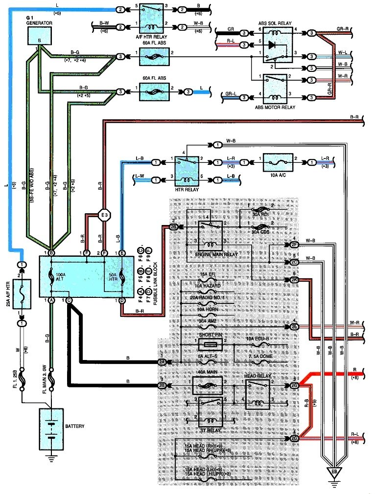
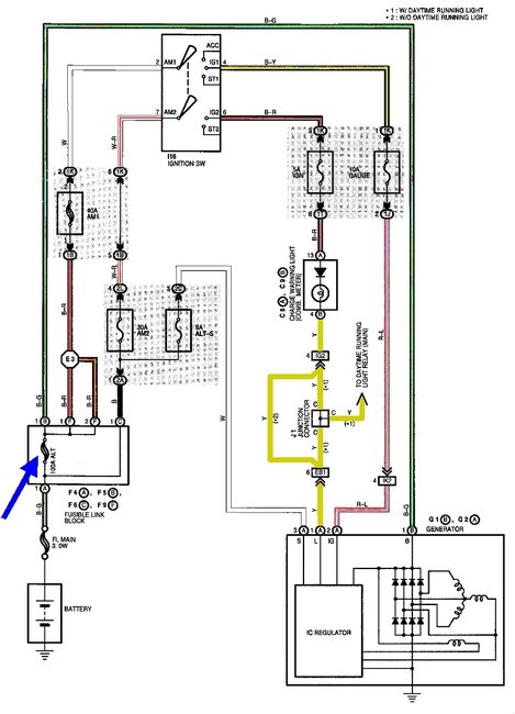
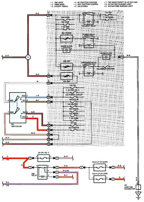
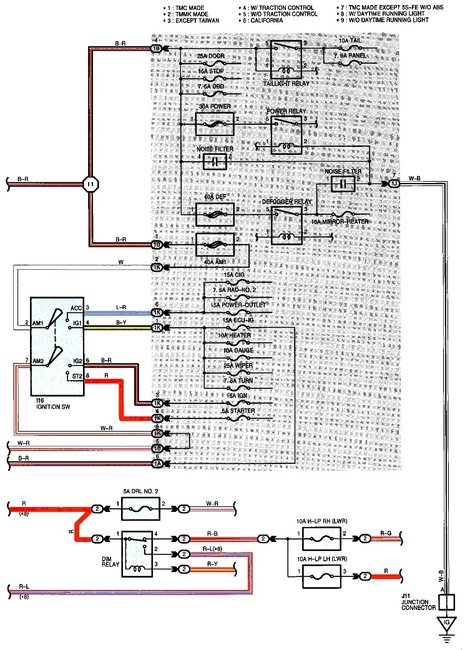
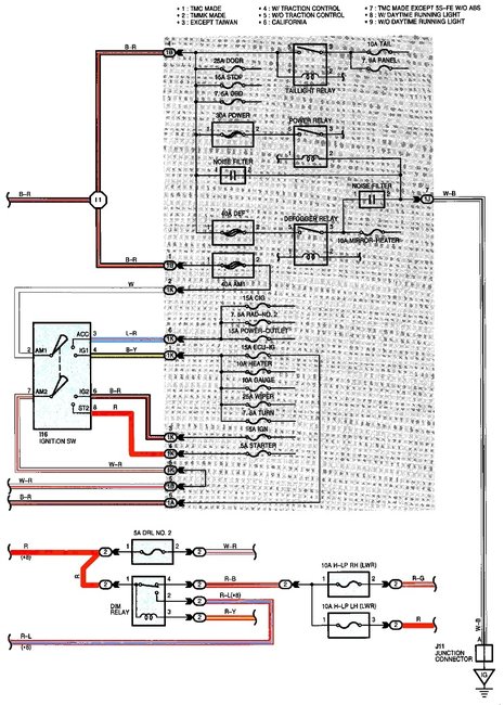
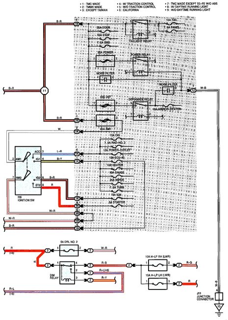
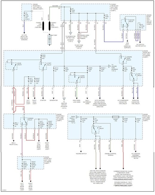
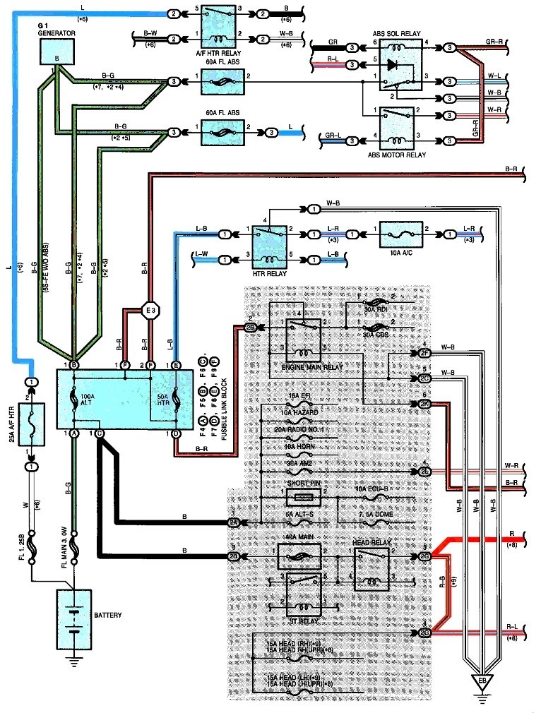
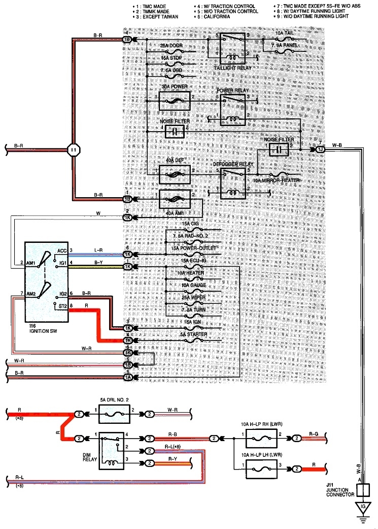
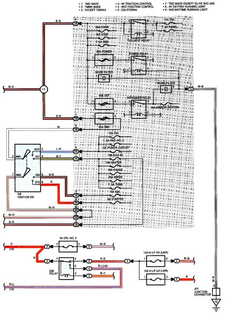
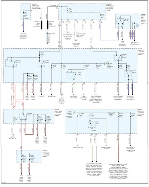
If you still need to troubleshoot the power supply circuits, these first two diagrams are from Toyota. These look like they're going to be hard to read, so the second two diagrams are from an aftermarket source. Non of these reproduce well. If necessary, I can repost them for you split into the separate sections I pieced together. That will let me make them bigger, but they'll be harder to follow. You might have better luck copying them into a typing program where they can be enlarged for viewing.
Was this
answer
helpful?
Yes
No
Sunday, May 9th, 2021 AT 7:37 PM

Please login or register to post a reply.