MAF sensor issue

1994 MITSUBISHI MIGHTY MAX
100,000 MILES • 2.4L • 4 CYL • 2WD • AUTOMATIC
Avatar
PACIFICISLANDER
  • MEMBER
  • 239 POSTS
Would this problem be caused by the MAF sensor? It idles perfectly to 2,000 RPMs but when you go beyond its backing from the intake and will not increase in speed.

Change the fuel pump and fuel filter.
Dec 3, 2021 at 10:55 AM
Advertisement
Repair Safety Notice: This information is for general instructional purposes only. Vehicle repair can be dangerous. Verify all information, follow manufacturer service procedures, use proper tools and safety equipment, and consult a qualified repair shop when needed.
Avatar
JACOBANDNICKOLAS
  • AUTOMOTIVE REPAIR CONTRIBUTOR
  • 110,190 POSTS
Hi,

When you say backing from the intake, do you mean it is backfiring? If so, absolutely it can be causing it. Do me a favor. Take a look through this link. It explains how to repair a backfiring issue. It will reference the MAF and how to test it.

https://www.2carpros.com/articles/engine-backfires-while-running

On the other hand, if it isn't a backfire, let me know the specifics. Also, here is a link that explains how to retrieve diagnostic trouble codes on this vehicle. In 1994, Mitsubishi used an OBD1 system. It doesn't require a scanner. All you need is a short jumper wire or even a paper clip.

https://www.2carpros.com/articles/mitsubishi-trouble-code-definitions-and-retrieval-procedure-for-odb1-system

Let me know if any of this helps or if you have other questions. Also, if you are able to retrieve diagnostic trouble codes, let me know what they are.

Take care,

Joe

Dec 3, 2021 at 7:45 PM
Avatar
PACIFICISLANDER
  • MEMBER
  • 239 POSTS
Let me double check the fuel pressure, if it's up to snuff and then proceed to the MAF sensor-be standing by. Thank you
Dec 4, 2021 at 12:33 AM
Advertisement
Avatar
PACIFICISLANDER
  • MEMBER
  • 239 POSTS
Joe, can you give me the pins on the MAF sensor and where they go? going to check it through the PCM.
Dec 4, 2021 at 1:09 AM
Avatar
JACOBANDNICKOLAS
  • AUTOMOTIVE REPAIR CONTRIBUTOR
  • 110,190 POSTS
Hi,

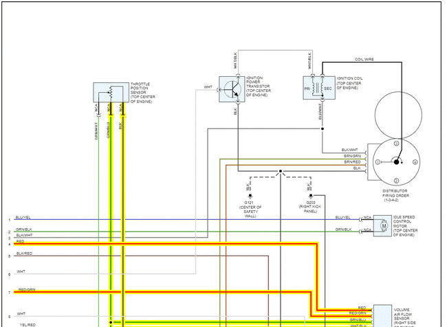
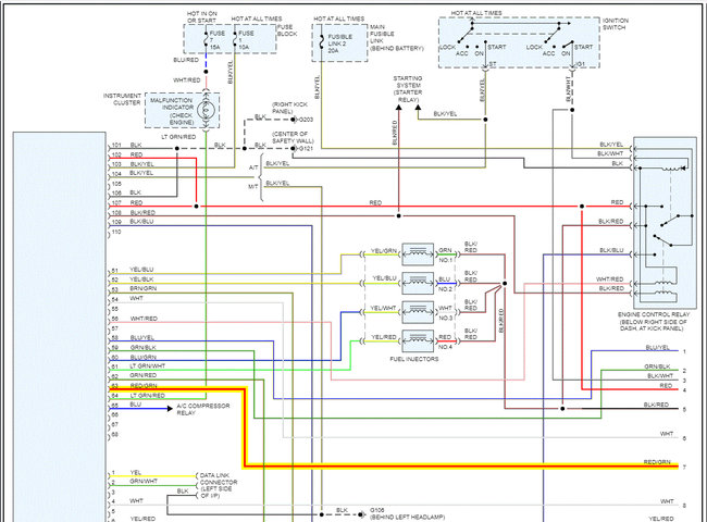
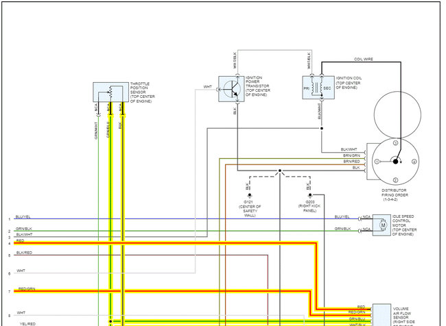
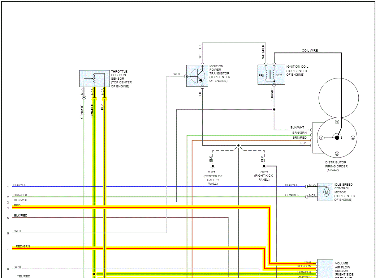
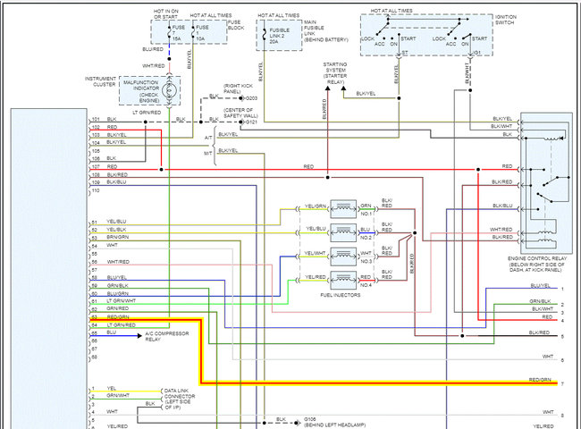
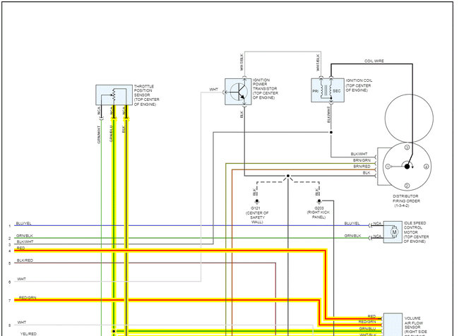
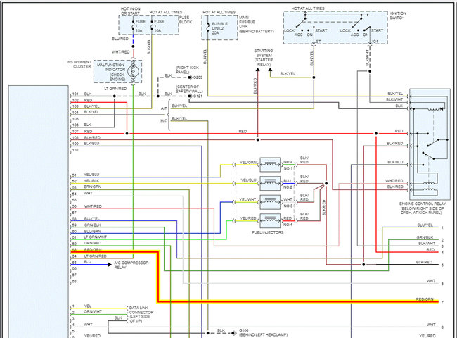
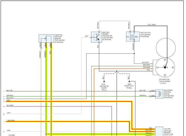
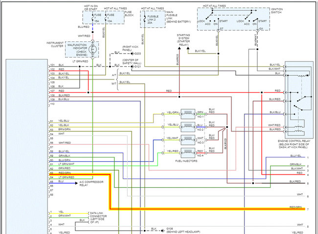
The best I have is the powertrain management schematics. I attached them below. As always, I cut them in half to make them readable for you and overlapped them. Also, I highlighted all wires going to the sensor to hopefully make it easier for you to trace them.

I hope this helps.

Take care,

Joe

See pics below.
Dec 4, 2021 at 7:09 PM
Advertisement
Avatar
PACIFICISLANDER
  • MEMBER
  • 239 POSTS
Thank you, it was traceable to the T. I check wire to wire and two of them are broken-no reading. Now I guess I have to pause what I'm doing need to save it isn't that cheap. Thank you, Jacob, you're the man I can communicate for my needs and always there to solve the problem together. Don't know what to do without you. once again Thank you my friend. Merry Christmas.
Dec 4, 2021 at 8:21 PM
Avatar
JACOBANDNICKOLAS
  • AUTOMOTIVE REPAIR CONTRIBUTOR
  • 110,190 POSTS
You are very welcome. I'm glad at least you found the issue. Take good care of yourself too, my friend.

I wish you and your family a Merry Christmas as well.

Take care,

Joe
Dec 4, 2021 at 9:27 PM