Mach stereo wiring diagram

1994 FORD MUSTANG
99,005 MILES • 5.0L • V8 • 2WD • MANUAL
Avatar
ALEX GATLIN
  • MEMBER
  • 47 POSTS
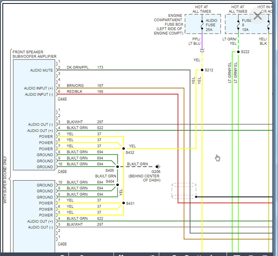
Hello guys, I need to get a wiring diagram for my car listed above GT's Mach 1 stereo system, please. I am really interested to see if the head unit goes to a pre amp or not. Thanks for all you guys do.
Oct 1, 2020 at 9:55 PM
Repair Safety Notice: This information is for general instructional purposes only. Vehicle repair can be dangerous. Verify all information, follow manufacturer service procedures, use proper tools and safety equipment, and consult a qualified repair shop when needed.
Advertisement
Avatar
KASEKENNY
  • CAR REPAIR CONTRIBUTOR
  • 18,907 POSTS
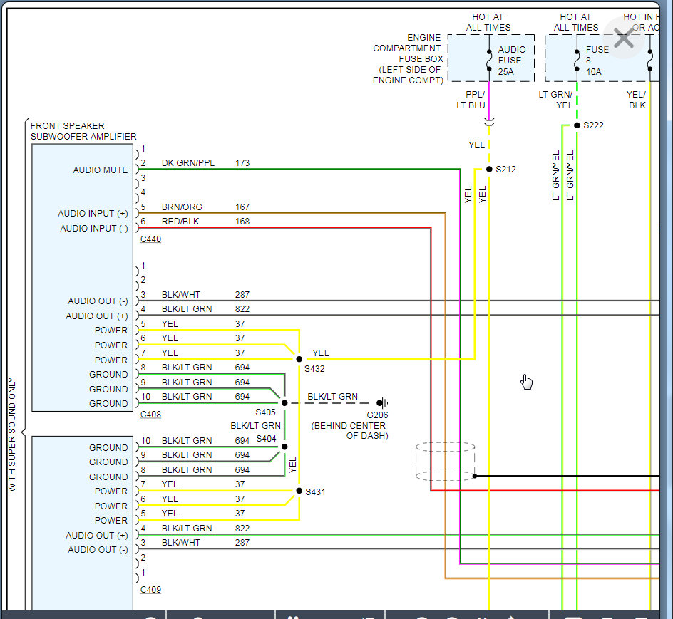
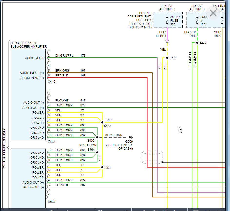
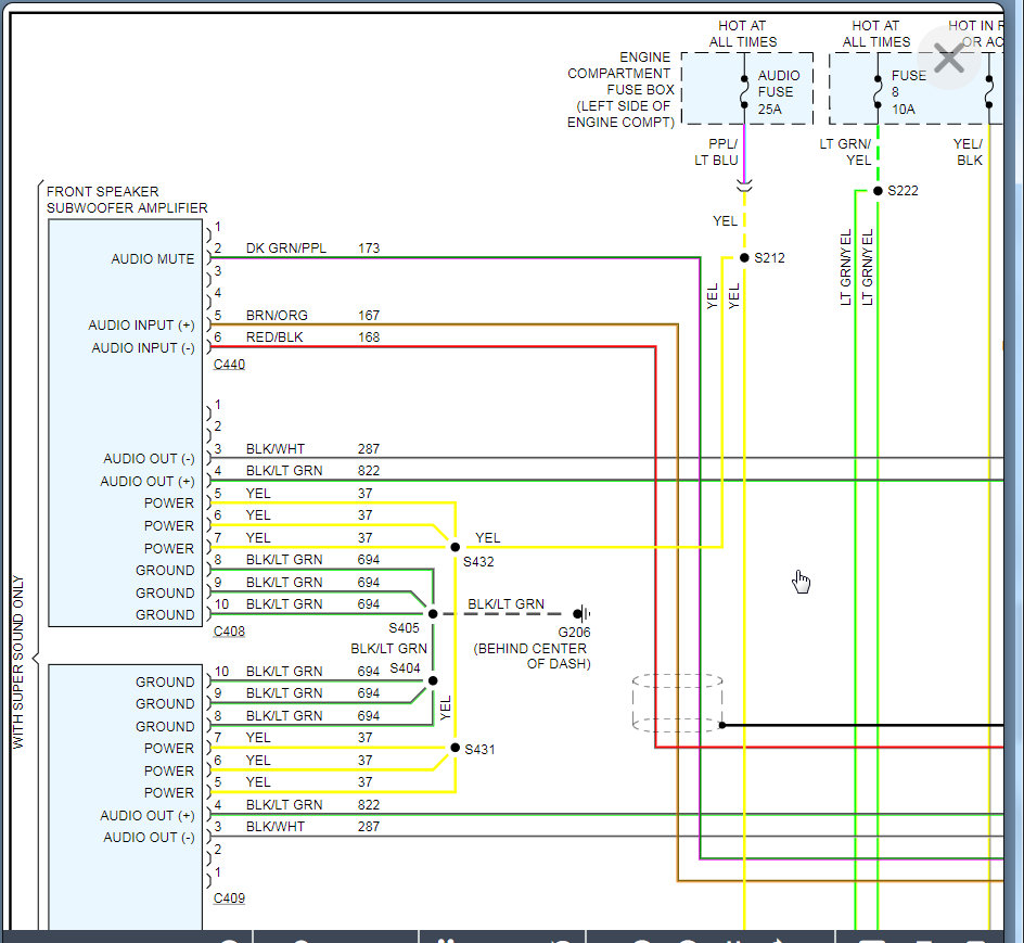
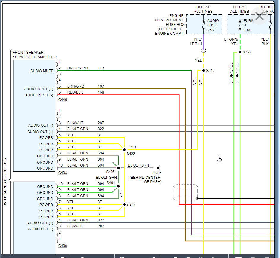
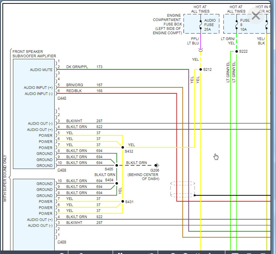
I attached the complete harness for the premium system as that is what came in the GT. Let me know if you have questions. Check out the diagrams (Below). Please let us know if you need anything else to get the problem fixed. Thanks
Dec 3, 2020 at 8:43 AM
Advertisement