Low voltage to one headlight?

Tiny
JAYMARBS
  • MEMBER
  • 2010 LINCOLN MKX
  • 3.5L
  • 6 CYL
  • 2WD
  • AUTOMATIC
  • 160,000 MILES
I have the passenger side low beam halogen headlight that doesn’t turn on. The rest of the lights on both sides do. With the lights off, the voltage is 8.7 on both low beams with the lights on, the driver’s side is approximately 12 volts. I’ve checked the fuses and they are good. I’ve checked the connectors they are good and clean. I’ve checked the bulb and it is good. I’ve checked the continuity between the bulb connector and battery. It is good. I’ve traced the wiring back clear until it joins the main wiring harness and didn’t see any breaks or engorged wires.

I’ve had the vehicle for about a year. When I first purchased it, the passenger beam sporadically had issues turning on but would eventually ignite. It increased in frequency and now doesn’t come on at all.

I’m at a loss and would appreciate any guidance you have. I’ve searched through previous articles but didn’t see anything like my issue, specifically the voltage being present with off but not increasing when turned on.

Thanks in advance.
Friday, September 30th, 2022 AT 11:01 AM

3 Replies

Tiny
KEN L
  • MASTER CERTIFIED MECHANIC
  • 55,535 POSTS
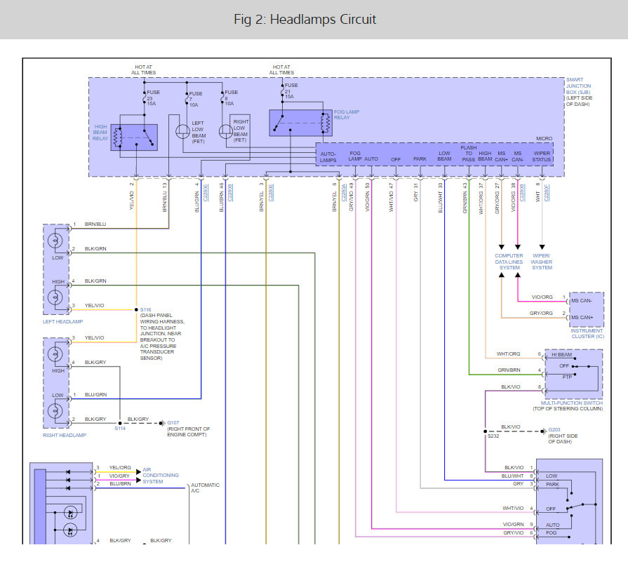
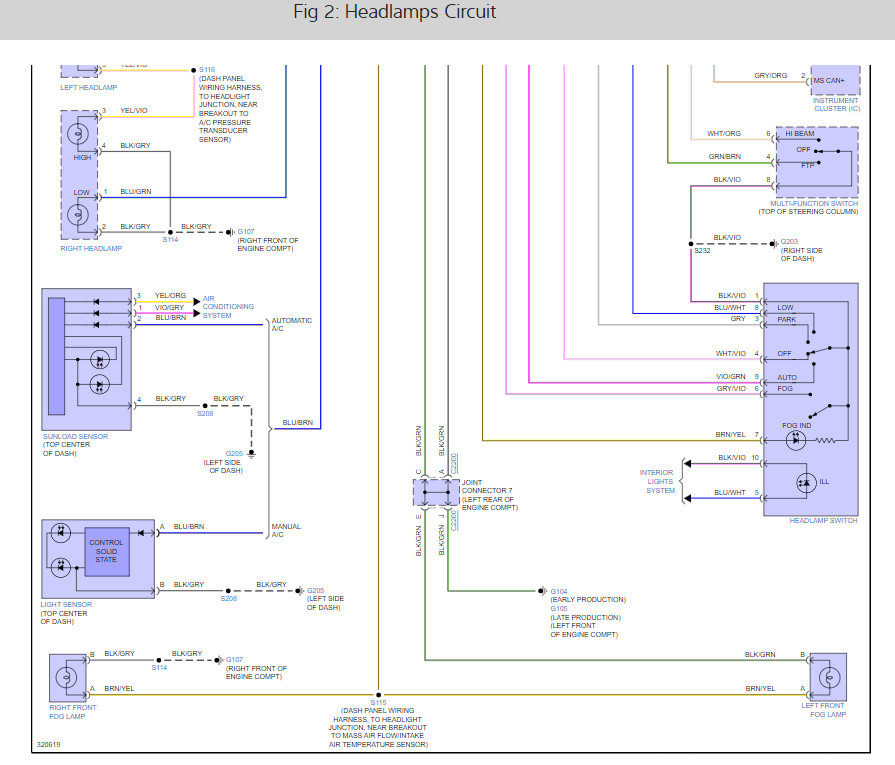
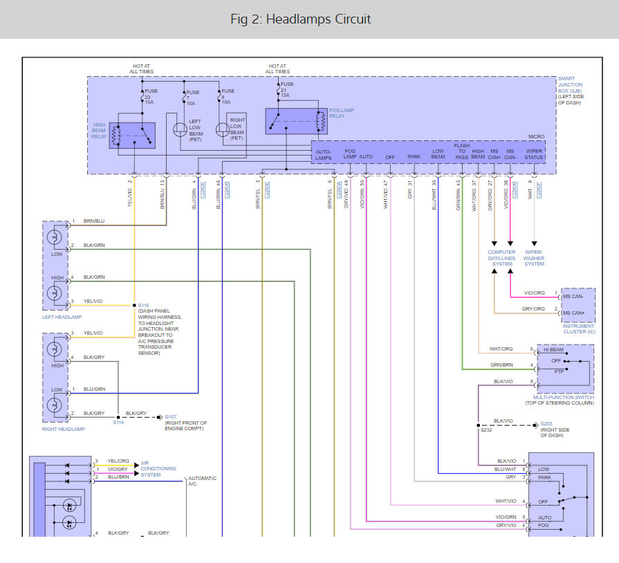
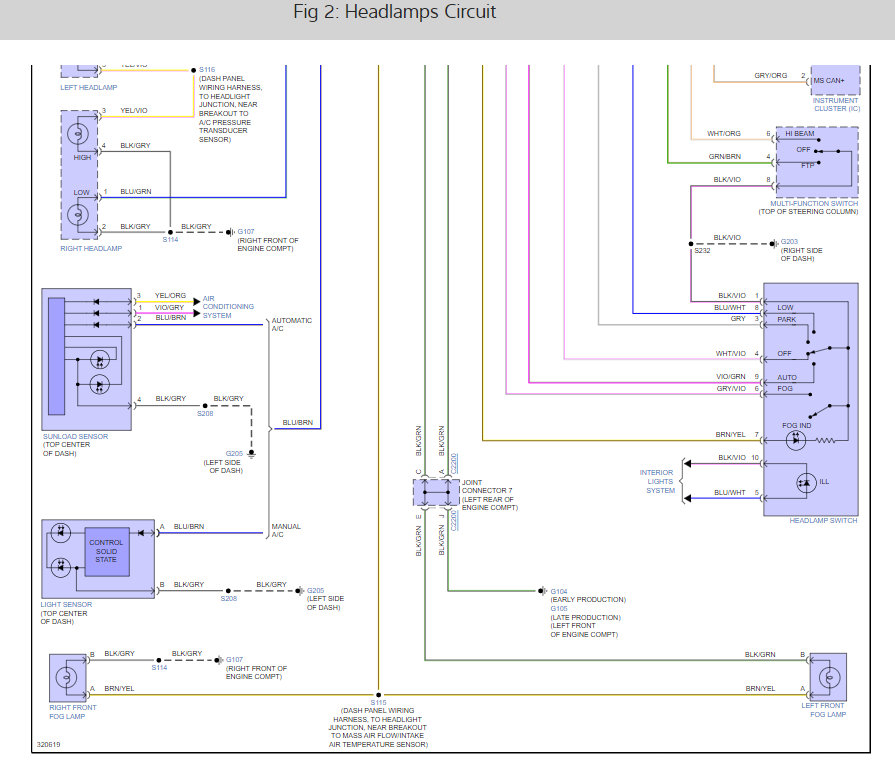
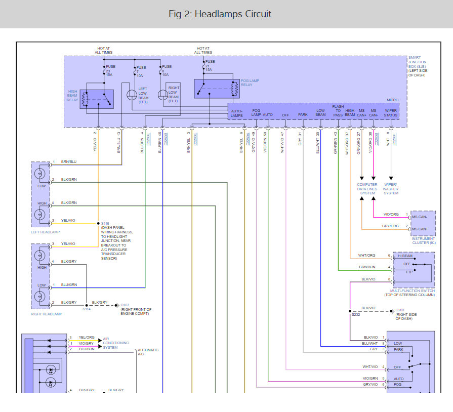
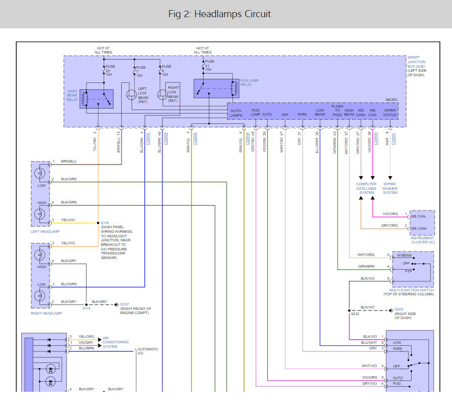
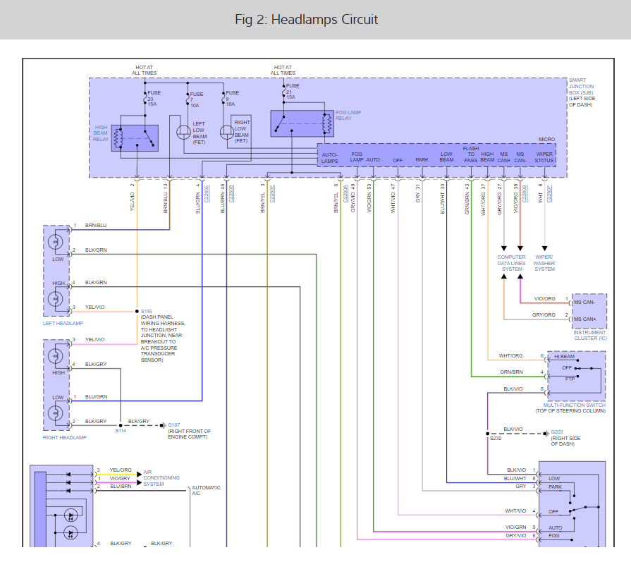
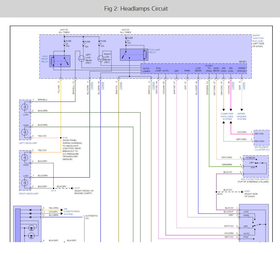
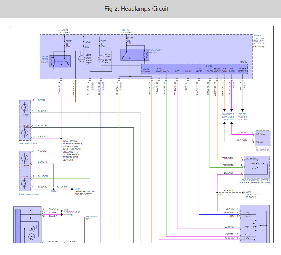
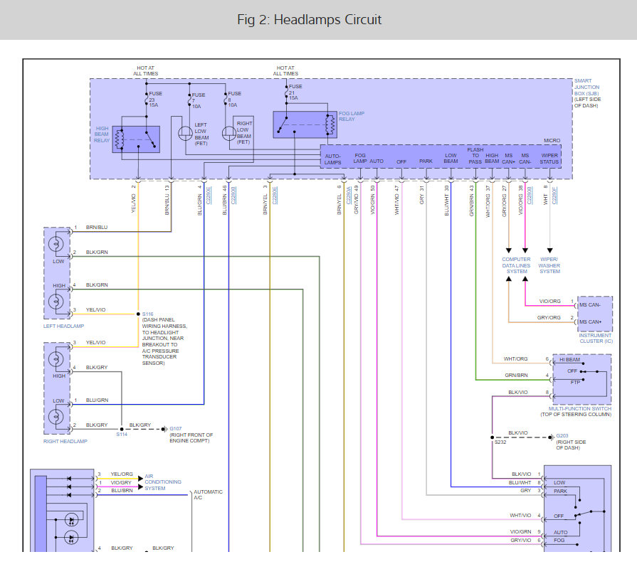
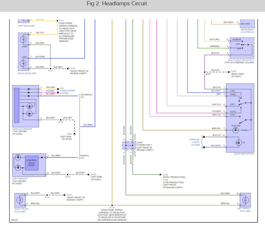
This happens when the SJB (smart junction box) goes out, here is the headlight wiring diagrams so you can see how the headlamp system works and I have included how to change out the SJB in the images below. Check out the images (below). Let us know what happens and please upload pictures or videos of the problem.
Was this
answer
helpful?
Yes
No
Friday, September 30th, 2022 AT 11:55 AM
Tiny
JAYMARBS
  • MEMBER
  • 2 POSTS
Most of your images aren’t actually opening so I can’t see anything other than the wiring diagram.

The SJB would cause only one headlight to malfunction?
Was this
answer
helpful?
Yes
No
+1
Friday, September 30th, 2022 AT 11:59 AM
Tiny
KEN L
  • MASTER CERTIFIED MECHANIC
  • 55,535 POSTS
You need to refresh the page to get it to work, it is a bug on our website, sorry. Yes, the SJB box treats the lights individually, check out the wiring diagrams for clarity.
Was this
answer
helpful?
Yes
No
Friday, September 30th, 2022 AT 12:41 PM

Please login or register to post a reply.