Low oil pressure upon starting

Tiny
JERMIAJR42
  • MEMBER
  • 2006 GMC ENVOY
  • V8
  • 4WD
  • AUTOMATIC
  • 139,000 MILES
When starting the vehicle when cold, it takes from two to eight or nine seconds for the oil pressure to go from 0 to 42 pounds where it then performs normally. The colder the weather the longer it takes to get oil pressure. Vehicle does not do this after it warms up. Is this damaging my engine?
Friday, October 19th, 2018 AT 8:19 AM

3 Replies

Tiny
JACOBANDNICKOLAS
  • MECHANIC
  • 110,194 POSTS
Hi and thanks for using 2CarPros. Com.

First, that is a long time to get pressure as you already know. Tell me, are there any ticking or knocking sounds from the engine? If there is, that is a concern and will eventually cause internal damage. Keep in mind, most engine/bearing wear occurs on start up when oil has not yet circulated.

If there are no sounds, I suspect there is a problem with the oil pressure switch. The switch is what tells the computer what the pressure actually is. Often times when these begin to fail, they will leak oil around a crimp on the sensor. The result is pressure is lost to the leak and the sensor indicates lo pressure.

If there are no noises during the eight to nine seconds, then I suspect the sensor is failing. If there is, make sure the oil is clean and full. If it is, then suspect either an issue with the engine oil pump or excessively worn internal bearings.

_____________________________

If you feel the pressure switch is the problem, here are the directions specific to your vehicle for replacing it. All attached pictures correlate with these directions.

____________________________

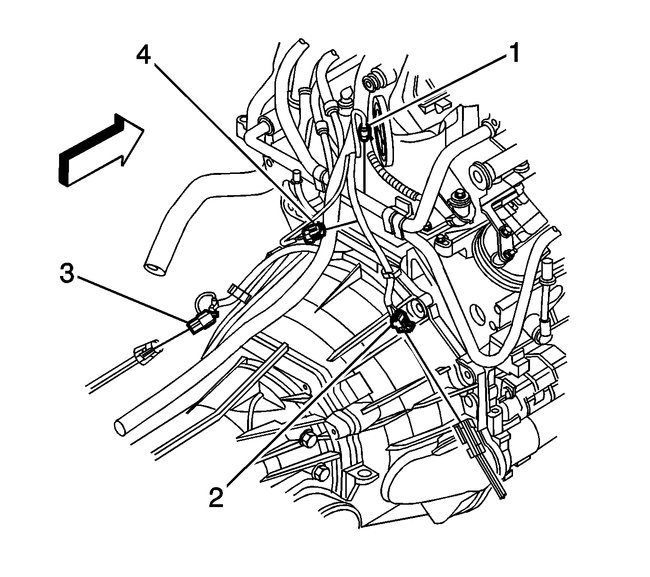
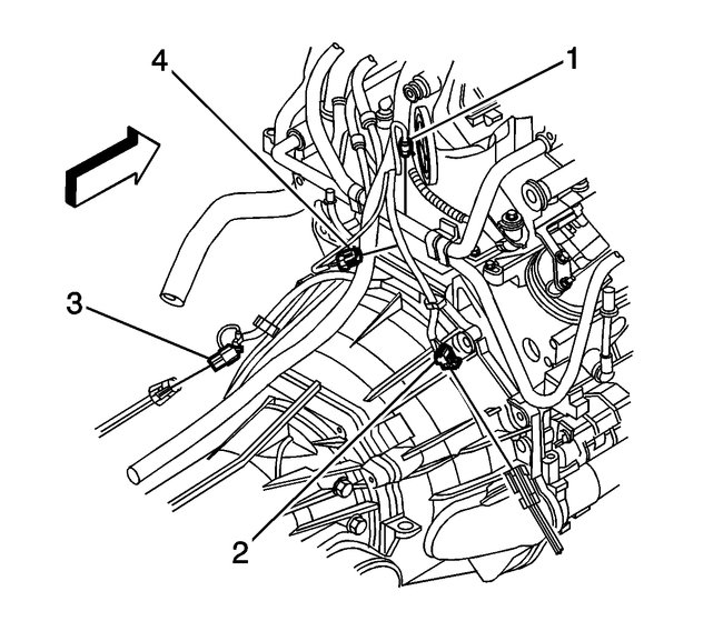
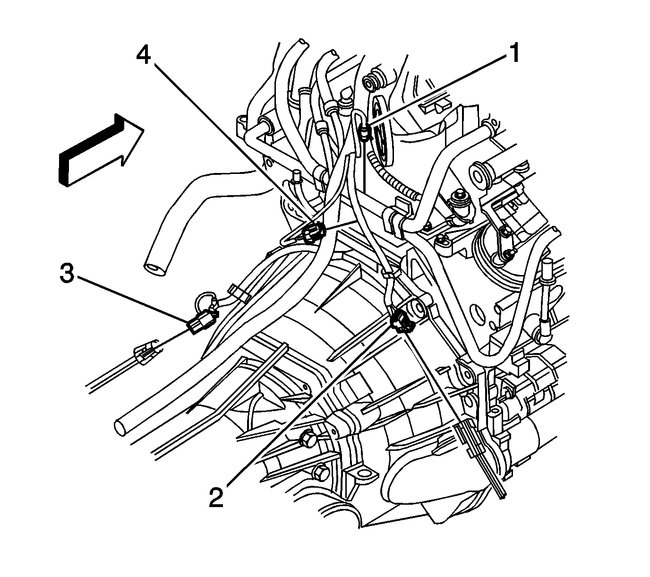
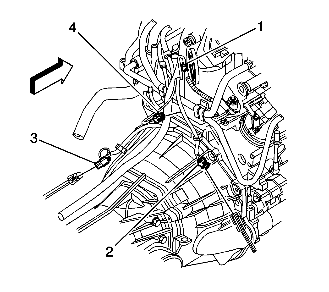
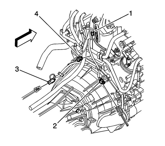
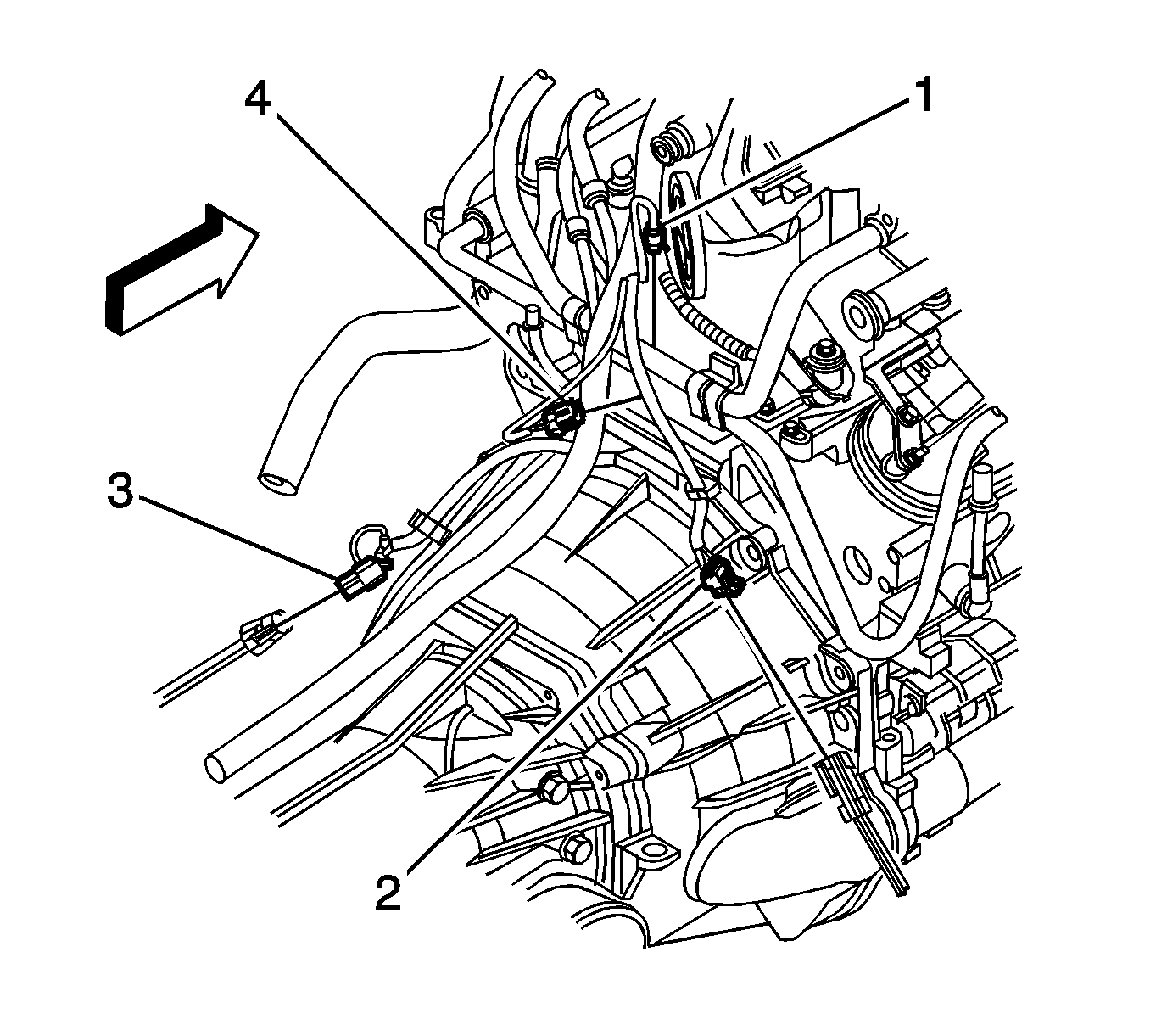
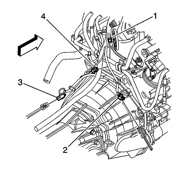
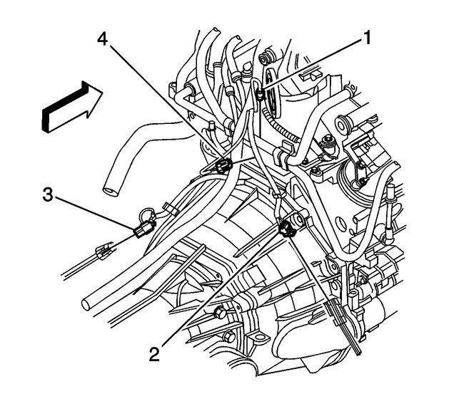
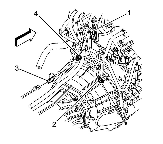
ENGINE OIL PRESSURE SENSOR/SWITCH
Engine Oil Pressure Sensor and/or Switch Replacement
Tools Required
- J 41712 Oil Pressure Switch Socket

Removal Procedure
1. Remove the intake manifold.
2. Disconnect the oil pressure sensor electrical connector (1).
3. Using J 41712 or equivalent, remove the oil pressure sensor.

Installation Procedure
1. Apply sealant to the threads of the oil pressure sensor. Refer to Sealers, Adhesives, and Lubricants for the correct part number.

Notice: Refer to Fastener Notice in Service Precautions.

2. Using J 41712 or equivalent, install the oil pressure sensor.
Tighten the sensor to 35 Nm (26 ft. Lbs.).
3. Connect the oil pressure sensor electrical connector (1).
4. Install the intake manifold.

________________________________

Let me know if this helps or if you have other questions.

Take care,
Joe
Was this
answer
helpful?
Yes
No
Friday, October 19th, 2018 AT 8:19 PM
Tiny
JERMIAJR42
  • MEMBER
  • 8 POSTS
During the few seconds that it takes to get oil pressure, there is a ticking and/or rattling sound, but disappears when pressure comes up. When weather is warm the oil pressure comes up quickly. The colder it is outside, the longer it takes. Sometimes as long as seven or eight seconds.
Was this
answer
helpful?
Yes
No
Saturday, October 20th, 2018 AT 2:49 PM
Tiny
JACOBANDNICKOLAS
  • MECHANIC
  • 110,194 POSTS
Okay, that is a concern. That is an excessive amount of time to not have pressure.

With that being said, are you using the correct oil viscosity? The engine takes 5W30 motor oil. If you are using a heaver weight oil, that can cause a delay. I don't know where you are located, but If you are in an area of extreme cold, where the temperature falls below -20°F (-29°C), it is recommended that you use either an SAE 5W-30 synthetic oil or an SAE 0W-30 oil. Both will provide easier cold starting and better protection for your engine at extremely low temperatures.

If you are due for an oil change, make sure the correct viscosity is used. Also, try using an OEM filter. Often times quick oil change locations use cheaper filters. Try an AC filter. I believe it is a PF46 that your vehicle requires. Make sure to confirm that when you purchase it. The PF46 has an anti flow back valve. Every time the engine is shut off, the valve keeps oil from draining out of the filter. This allows the engine to receive oil immediately upon start up. Some cheaper filters don't provide that valve.

Those are some thoughts at this point. If you do service the engine, General Motors does not recommend any additives.

Let me know if this helps.

Joe
Was this
answer
helpful?
Yes
No
Saturday, October 20th, 2018 AT 8:17 PM

Please login or register to post a reply.