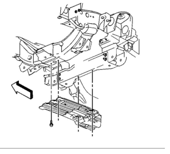
I replaced the sending unit and it reads lower now than it did before. It had noisy lifters once or twice but not now. I changed the oil and filter and use the right stuff 5-30 oil. A few times it went into limp mode very low power and I stopped and turned it off and restarted it and it ran okay again.
I suspect it is the oil pickup o-ring causing this but want another opinion.
Wednesday, December 11th, 2019 AT 12:43 PM


















