Monday, January 25th, 2021 AT 12:21 AM
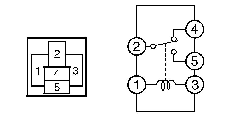
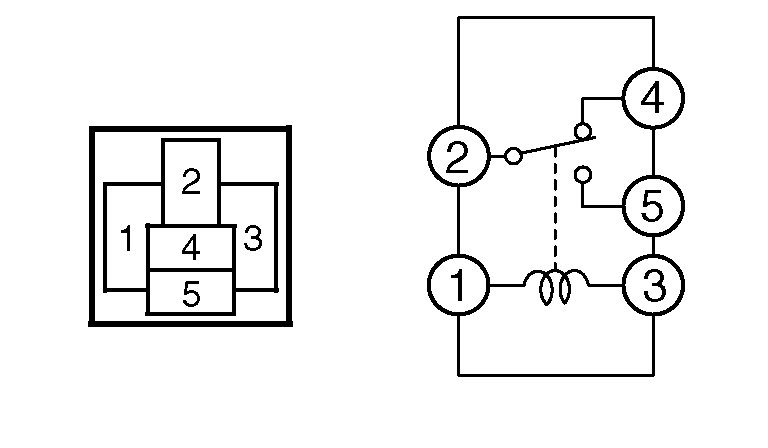
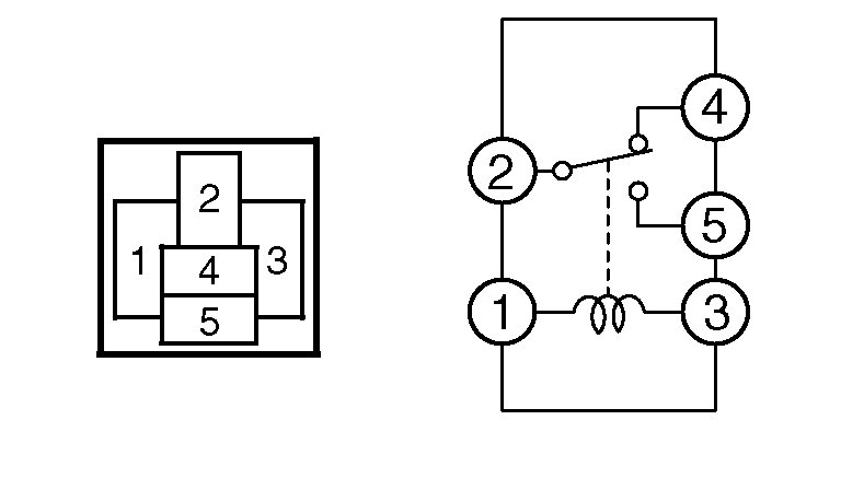
The fan not turning on. I check relay. I check continuity. I replace fan. Still not working. When I switch it to A/C it turns on but the car RPMs go all heywire. And the car wants shut off. Can this be a real problem to the engine?






